电脑桌面
添加小米粒文库到电脑桌面
安装后可以在桌面快捷访问

合格证明细表VIP免费

合格证明细表_第1页
1/94
合格证明细表_第2页
2/94
合格证明细表_第3页
3/94
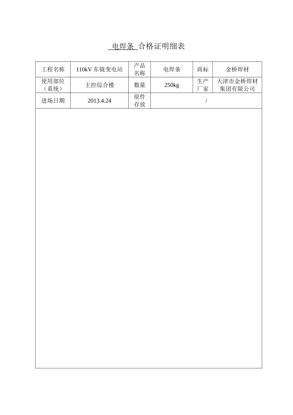
电焊条合格证明细表工程名称110kV东镜变电站产品名称电焊条商标金桥焊材使用部位(系统)主控综合楼数量250kg生产厂家天津市金桥焊材集团有限公司进场日期2013.4.24原件存放/焊剂合格证明细表工程名称110kV东镜变电站产品名称焊剂431商标古月使用部位(系统)主控综合楼数量600kg生产厂家湖南省东安湘江焊材有限公司进场日期2013.4.24原件存放/焊机合格证明细表工程名称110kV东镜变电站产品名称交流弧机商标使用部位(系统)主控综合楼数量1台生产厂家上海通电电焊机股份有限公司进场日期2013.4.24原件存放/焊机合格证明细表工程名称110kV东镜变电站产品名称交流弧焊机商标银象使用部位(系统)主控综合楼数量1台生产厂家佛山市南海银象焊接技术有限公司进场日期2013.4.24原件存放/弯曲机合格证明细表工程名称110kV东镜变电站产品名称钢筋弯曲机商标使用部位(系统)主控综合楼数量1台生产厂家河南省长葛市亚星建筑机械厂进场日期2013.04.10原件存放/建筑胶合格证明细表工程名称广州110kV东镜输变电工程产品名称108建筑胶商标天华使用部位(系统)主控综合楼数量100桶生产厂家深圳天华建材有限公司进场日期2013.08.15原件存放/巴黎春天活性晶体环保漆合格证明细表工程名称广州110kV东镜输变电工程产品名称巴黎春天活性晶体环保漆商标Artilin使用部位(系统)主控综合楼墙面粉刷数量150桶生产厂家上海阿帝兰实业发展有限公司进场日期2013.09.06原件存放/PVC线槽合格证明细表工程名称广州110kV东镜输变电工程产品名称PVC24线槽商标联塑使用部位(系统)主控综合楼水电安装工程数量500米生产厂家广东联塑科技实业有限公司进场日期2013.09.09原件存放/PVC线槽合格证明细表工程名称广州110kV东镜输变电工程产品名称PVC39线槽商标联塑使用部位(系统)主控综合楼水电安装工程数量600米生产厂家广东联塑科技实业有限公司进场日期2013.09.09原件/存放PVC线槽合格证明细表工程名称广州110kV东镜输变电工程产品名称PVC59线槽商标联塑使用部位(系统)主控综合楼水电安装工程数量300米生产厂家广东联塑科技实业有限公司进场日期2013.09.09原件存放/PVC线槽合格证明细表工程名称广州110kV东镜输变电工程产品名称PVC99线槽商标联塑使用部位主控综合楼数量100米生产广东联塑科技实(系统)水电安装工程厂家业有限公司进场日期2013.09.09原件存放/聚氯乙烯绝缘电线合格证明细表工程名称广州110kV东镜输变电工程产品名称聚氯乙烯绝缘电线商标天泓牌使用部位主控综合楼数量10000米生产广东天虹电缆有(系统)水电安装工程厂家限公司进场日期2013.09.09原件存放/聚氯乙烯绝缘电线合格证明细表工程名称广州110kV东镜输变电工程产品名称聚氯乙烯绝缘电线商标天泓牌使用部位(系统)主控综合楼水电安装工程数量1400米生产厂家广东天虹电缆有限公司进场日期2013.09.09原件存放/聚氯乙烯绝缘电线合格证明细表工程名称广州110kV东镜输产品聚氯乙烯绝缘商标天泓牌变电工程名称电线使用部位(系统)主控综合楼水电安装工程数量600米生产厂家广东天虹电缆有限公司进场日期2013.09.09原件存放/PVC排水管合格证明细表工程名称广州110kV东镜输变电工程产品名称PVC管材DN110商标联塑使用部位(系统)主控综合楼水电安装工程数量300米生产厂家广东联塑科技实业有限公司进场日期2013.09.09原件存放/PVC排水管配件合格证明细表工程名称广州110kV东镜输变电工程产品名称PVC管材配件直接/90°弯头/45°弯头商标联塑使用部位(系统)主控综合楼水电安装工程数量60个/30个/20个生产厂家广东联塑科技实业有限公司进场日期2013.09.09原件存放/PVC排水管合格证明细表工程名称广州110kV东镜输变电工程产品名称PVC管材DN50商标联塑使用部位(系统)主控综合楼水电安装工程数量25米生产厂家广东联塑科技实业有限公司进场日期2013.09.09原件存放/PPR给水管合格证明细表工程名称广州110kV东镜输变电工程产品名称PPR管材DN25商标联塑使用部位(系统)主控综合楼水电安装工程数量300米生产厂家广东联塑科技实业有限公司进场日期2013.09.09原件存放/PPR给水管合格证明细表工程名称广州110kV东镜输变电工程产品名称PPR管材配件直通/三...

1、当您付费下载文档后,您只拥有了使用权限,并不意味着购买了版权,文档只能用于自身使用,不得用于其他商业用途(如 [转卖]进行直接盈利或[编辑后售卖]进行间接盈利)。
2、本站所有内容均由合作方或网友上传,本站不对文档的完整性、权威性及其观点立场正确性做任何保证或承诺!文档内容仅供研究参考,付费前请自行鉴别。
3、如文档内容存在违规,或者侵犯商业秘密、侵犯著作权等,请点击“违规举报”。

碎片内容

合格证明细表

您可能关注的文档

确认删除?
VIP
微信客服
  • 扫码咨询
会员Q群
  • 会员专属群点击这里加入QQ群
客服邮箱
回到顶部