电脑桌面
添加小米粒文库到电脑桌面
安装后可以在桌面快捷访问

合理采油速度研究VIP免费

合理采油速度研究_第1页
1/6
合理采油速度研究_第2页
2/6
合理采油速度研究_第3页
3/6
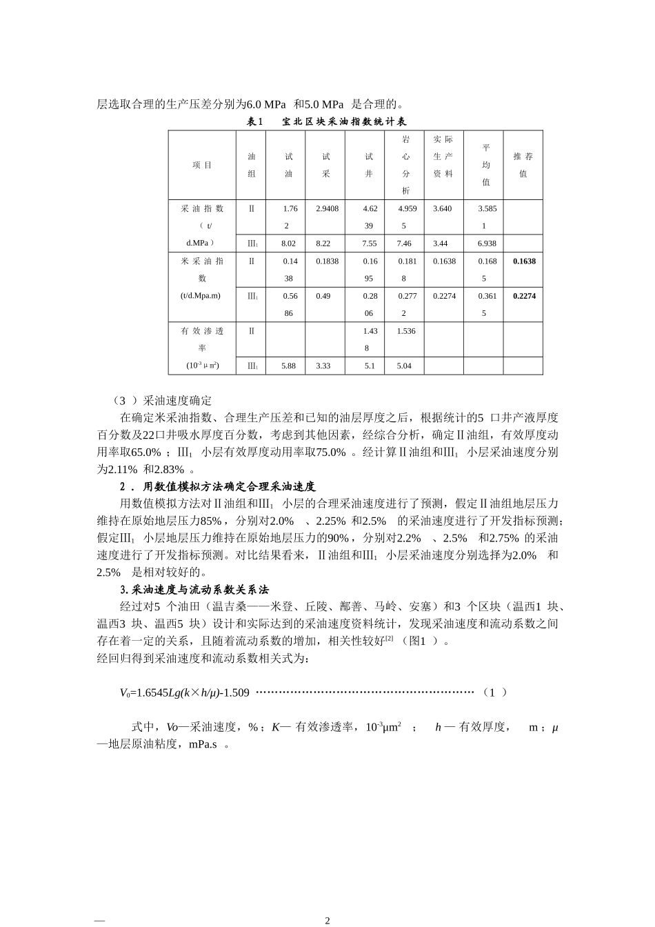
低渗透油藏注水开发合理采油速度研究摘要通过对宝北区块低渗透油藏地质、开发特征的综合分析研究,除应用传统的实际开发资料计算法、数值模拟法对油田合理采油速度进行预测外,还收集整理了全国25个低渗透油田区块的资料,统计回归出采油速度与地层流动系数以及井网密度关系,绘制了预测采油速度图版。运用以上方法,针对宝北区块的开发地质现状,对目前井网条件下的合理采油速度进行了预测评价,确定Ⅱ油组和Ⅲ1小层的合理采油速度分别为2.00%和2.50%。主题词宝北区块低渗透油气藏采油速度预测评价前言根据国内有关低渗透油田文章的论述,低渗透油田一般是指储层渗透率在(10~100)×10-3μm2的油田[1]。河南油田焉耆盆地的宝北区块,主力开发单元的渗透率均在100×10-3μm2以下,其中Ⅱ油组渗透率为19.09×10-3μm2,Ⅲ1小层渗透率为30.25×10-3μm2,该区块属于典型的低渗透油田。油藏地质特征焉耆盆地宝北构造形态为一两翼不对称的高陡背斜构造,油层平均埋深在2156~2377m,含油井段最长的187m,单井平均碾平有效厚度45.3m。三工河组含油层共分为Ⅰ、Ⅱ、Ⅲ三个油组8个小层。储层沉积相类型主要为辫状河三角洲水下分流河道、河坝,储层渗透率变异系数0.64~0.76,渗透率级差31.2~245.2,平均孔隙度为12.17%~13.49%,平均渗透率为7.71×10-3~30.25×10-3μm2。据宝北区块4口井岩心天然裂缝发育特征研究,裂缝分布密度为0.13~22条/m。储层岩石润湿性特征为水湿特点。油井见水后,无因次采油(液)指数大幅度下降,含水到64%(一般50%~60%),无因次采油指数仅有0.1左右。油藏类型总体上以背斜构造油藏为主。流体性质较好,地面油密度平均为0.791g/cm3,粘度70°C为1.27mPa.s;地层油密度为0.6157~0.6475g/cm3,粘度为0.292~0.534mPa.s,原始气油比162~188m3/m3,体积系数1.5312~1.5836。地层水总矿化度较高,达40000mg/L以上,水型以CaCl2为主。合理采油速度研究合理的采油速度应该能在现有的工艺条件下充分发挥油井的采油能力和注水井的注水能力,不降低水驱油波及效果,注采井网合理,注采系统得到优化设计(压力等级及规模大小),从而使经济效果达到最优。1、用实际开发资料确定合理采油速度(1)米采油指数的确定用试油、试采、试井、岩心分析和实际生产资料统计等五种方法,对宝北区块Ⅱ油组和Ⅲ1小层的米采油指数进行了计算,分别取值为0.1638t/d.MPa.m和0.2274t/d.MPa.m(表1)。(2)合理生产压差的定确合理生产压差的确定,主要考虑地层压力、流动压力、饱和压力和破裂压力之间的关系,以流动压力不低于饱和压力的90%,井口保持一定的自喷能力为原则。Ⅱ油组和Ⅲ1小—1层选取合理的生产压差分别为6.0MPa和5.0MPa是合理的。表1宝北区块采油指数统计表项目油组试油试采试井岩心分析实际生产资料平均值推荐值采油指数(t/d.MPa)Ⅱ1.7622.94084.62394.95953.6403.5851Ⅲ18.028.227.557.463.446.938米采油指数(t/d.Mpa.m)Ⅱ0.14380.18380.16950.18180.16380.16850.1638Ⅲ10.56860.490.28060.27720.22740.36150.2274有效渗透率(10-3μm2)Ⅱ1.4381.536Ⅲ15.883.335.15.04(3)采油速度确定在确定米采油指数、合理生产压差和已知的油层厚度之后,根据统计的5口井产液厚度百分数及22口井吸水厚度百分数,考虑到其他因素,经综合分析,确定Ⅱ油组,有效厚度动用率取65.0%;Ⅲ1小层有效厚度动用率取75.0%。经计算Ⅱ油组和Ⅲ1小层采油速度分别为2.11%和2.83%。2.用数值模拟方法确定合理采油速度用数值模拟方法对Ⅱ油组和Ⅲ1小层的合理采油速度进行了预测,假定Ⅱ油组地层压力维持在原始地层压力85%,分别对2.0%、2.25%和2.5%的采油速度进行了开发指标预测;假定Ⅲ1小层地层压力维持在原始地层压力的90%,分别对2.2%、2.5%和2.75%的采油速度进行了开发指标预测。对比结果看来,Ⅱ油组和Ⅲ1小层采油速度分别选择为2.0%和2.5%是相对较好的。3.采油速度与流动系数关系法经过对5个油田(温吉桑——米登、丘陵、鄯善、马岭、安塞)和3个区块(温西1块、温西3块、温西5块)设计和实际达到的采油速度资料统计,发现采油速度和流动系数之间存在着一定的关系,且随着流动系数的...

1、当您付费下载文档后,您只拥有了使用权限,并不意味着购买了版权,文档只能用于自身使用,不得用于其他商业用途(如 [转卖]进行直接盈利或[编辑后售卖]进行间接盈利)。
2、本站所有内容均由合作方或网友上传,本站不对文档的完整性、权威性及其观点立场正确性做任何保证或承诺!文档内容仅供研究参考,付费前请自行鉴别。
3、如文档内容存在违规,或者侵犯商业秘密、侵犯著作权等,请点击“违规举报”。

碎片内容

合理采油速度研究

您可能关注的文档

确认删除?
VIP
微信客服
  • 扫码咨询
会员Q群
  • 会员专属群点击这里加入QQ群
客服邮箱
回到顶部