电脑桌面
添加小米粒文库到电脑桌面
安装后可以在桌面快捷访问

降水施工技术交底

降水施工技术交底_第1页
1/4
降水施工技术交底_第2页
2/4
降水施工技术交底_第3页
3/4
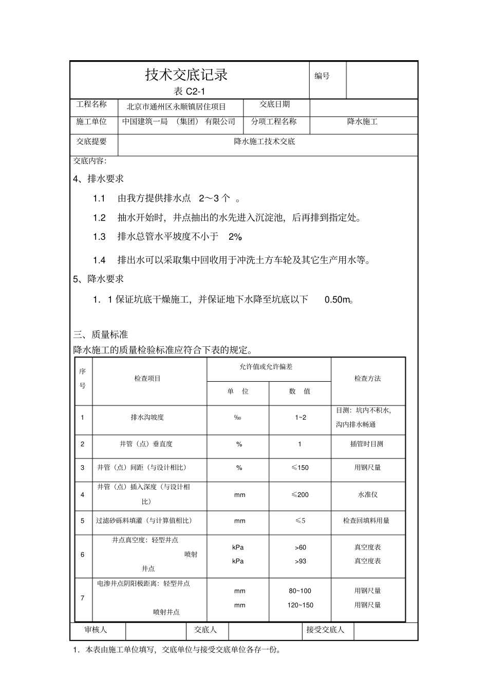
技术交底记录表 C2-1编号工程名称北京市通州区永顺镇居住项目交底日期施工单位中国建筑一局 (集团) 有限公司分项工程名称降水施工交底提要降水施工技术交底交底内容:一、施工准备:1、机具准备:反循环钻机、空压机、潜水泵、集水总管、水准仪、测绳等。2、材料准备:滤料(水洗砂料或碎石,粒径为1~3mm,含泥量 <5%。)、井盖、竹皮、φ 400mm水泥砾石滤水管等。3、作业条件: 详细调查地下管线分布情况 (走向及埋深),关闭、阻断渗漏水源。调查场地雨污水管线,清除管道淤泥,安排排水通道。组织项目人员进行安全、技术交底。水、电齐备,场地平整后,材料、设备进场。连接水、电,安装调试设备。规划现场平面布置,合理安排钻机施工顺序。二、施工工艺:1、工艺流程:放线→定井位→挖泥浆坑→挖探坑→钻机就位→钻孔→换浆→下井管→填滤料→粘土封井→洗井→下潜水泵试抽水→铺设排水总管及沉砂池→联网抽水。2、施工技术措施1.1 挖泥浆池据场地条件在基坑内距降水井3m处挖泥浆池,每 1~3 口井共用一个泥浆池。1.2 挖探坑为清除井位下障碍物,应在井位处挖探坑,直径800mm,深 1.0 ~1.5m,当井口土质松散时,须设置护筒,避免泥浆侵泡冲刷导致孔口坍塌。1.3 凿井降水井采用反循环钻机或三棱钻机成孔,地层自造浆护壁。 在施工过程中若发现地层泥浆不能满足护壁要求时,则须进行护壁性能好的红粘土或进行人工造浆。井径不小于 600mm,井孔应保持圆正垂直, 孔深与设计井深误差小于300mm。1.4 吊放井管降水井井管采用无砂砼管, 在混凝土预制托底上入置井管,在底部中间设导中器,四周栓 8 号铁丝,缓缓下放,当管口与井口相差200mm时,接上节井管,接头处用玻璃丝布粘贴, 以免挤入混砂淤塞井管, 竖向用 2~4 条 30mm宽竹条固定井管。为防止上下节错位,在下管前将井管依方向立直。吊放井管要垂直,并审核人交底人接受交底人1.本表由施工单位填写,交底单位与接受交底单位各存一份。2.当做分项工程技术交底时,应填写“分项工程名称”栏,其他技术交底可不填写技术交底记录表 C2-1编号工程名称北京市通州区永顺镇居住项目交底日期施工单位中国建筑一局 (集团) 有限公司分项工程名称降水施工交底提要降水施工技术交底交底内容:保持在井孔中心,为防止雨水泥砂或异物流入井中,井管要高出地面200mm,井口加盖。1.5 填滤料井管下入后立即填入滤料。 滤料沿井孔四周均匀填入, 宜保持连续,将泥浆挤...

1、当您付费下载文档后,您只拥有了使用权限,并不意味着购买了版权,文档只能用于自身使用,不得用于其他商业用途(如 [转卖]进行直接盈利或[编辑后售卖]进行间接盈利)。
2、本站所有内容均由合作方或网友上传,本站不对文档的完整性、权威性及其观点立场正确性做任何保证或承诺!文档内容仅供研究参考,付费前请自行鉴别。
3、如文档内容存在违规,或者侵犯商业秘密、侵犯著作权等,请点击“违规举报”。

碎片内容

降水施工技术交底

您可能关注的文档

确认删除?
VIP
微信客服
  • 扫码咨询
会员Q群
  • 会员专属群点击这里加入QQ群
客服邮箱
回到顶部