电脑桌面
添加小米粒文库到电脑桌面
安装后可以在桌面快捷访问

隐蔽工程验收记录文本道路

隐蔽工程验收记录文本道路_第1页
1/8
隐蔽工程验收记录文本道路_第2页
2/8
隐蔽工程验收记录文本道路_第3页
3/8
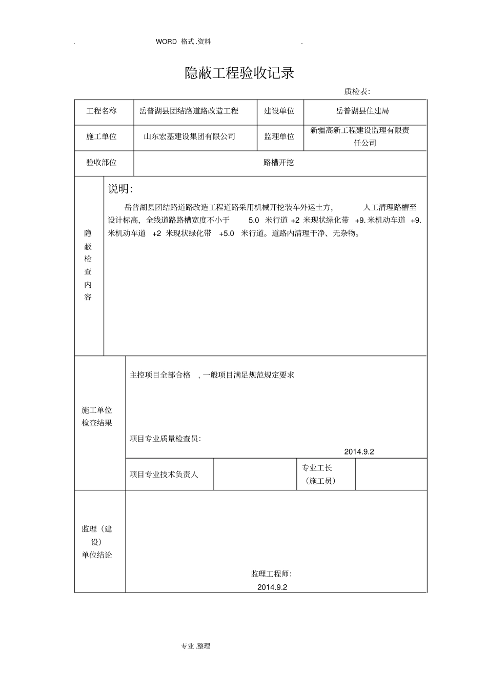
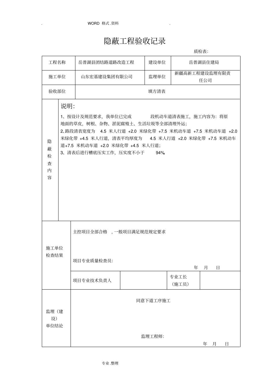
. WORD 格式 .资料. 专业 .整理隐蔽工程验收记录质检表:工程名称岳普湖县团结路道路改造工程建设单位岳普湖县住建局施工单位山东宏基建设集团有限公司监理单位新疆高新工程建设监理有限责任公司验收部位路槽开挖隐蔽检查内容说明:岳普湖县团结路道路改造工程道路采用机械开挖装车外运土方,人工清理路槽至设计标高,全线道路路槽宽度不小于5.0 米行道 +2 米现状绿化带 +9. 米机动车道 +9.米机动车道 +2 米现状绿化带 +5.0米行道。道路内清理干净、无杂物。施工单位检查结果主控项目全部合格, 一般项目满足规范规定要求项目专业质量检查员:2014.9.2 项目专业技术负责人专业工长(施工员)监理(建设)单位结论监理工程师: 2014.9.2 . WORD 格式 .资料. 专业 .整理隐蔽工程验收记录质检表:工程名称岳普湖县团结路道路改造工程建设单位岳普湖县住建局施工单位山东宏基建设集团有限公司监理单位新疆高新工程建设监理有限责任公司验收部位填方清表隐蔽检查内容说明:1、按设计及规范要求,我单位已完成段机动车道清表施工,施工内容为:将原地面的草皮,树根、杂物、淤泥腐殖土、生活垃圾等全部清理外运;2、路段清表宽度为4.5 米人行道 +2.0 米绿化带 +7.5 米机动车道 +7.5 米机动车道 +2.0米绿化带 +4.5 米人行道,清表平均厚度为4.5 米人行道 +2.0 米绿化带 +7.5 米机动车道+7.5 米机动车道 +2.0 米绿化带 +4.5 米人行道;3、清表后进行槽底压实工作,压实度不小于94%。施工单位检查结果主控项目全部合格, 一般项目满足规范规定要求项目专业质量检查员:年月日项目专业技术负责人专业工长(施工员)监理(建设)单位结论同意下道工序施工监理工程师:年月日. WORD 格式 .资料. 专业 .整理隐蔽工程验收记录质检表:工程名称岳普湖县团结路道路改造工程建设单位岳普湖县住建局施工单位山东宏基建设集团有限公司监理单位新疆高新工程建设监理有限责任公司验收部位土方路基隐蔽检查内容说明:1、该图为示意图,尺寸为厘米为单位。2、我单位已按要求完成为k0+000— k0+425.140米段土方路基施工工作,路基填挖宽度为4.5 米人行道 +2.0 米绿化带 +7.5 米机动车道 +7.5 米机动车道+2.0 米绿化带 +4.5 米人行道:具体施工内容为:挖掘机挖装土方,自卸车运天然砂砾,摊料、散水车散水,压路机碾压,分层回填压实度不小于94%。3、k0+000— k0+425.140 米段路基长度为425.140 米,填挖厚度...

1、当您付费下载文档后,您只拥有了使用权限,并不意味着购买了版权,文档只能用于自身使用,不得用于其他商业用途(如 [转卖]进行直接盈利或[编辑后售卖]进行间接盈利)。
2、本站所有内容均由合作方或网友上传,本站不对文档的完整性、权威性及其观点立场正确性做任何保证或承诺!文档内容仅供研究参考,付费前请自行鉴别。
3、如文档内容存在违规,或者侵犯商业秘密、侵犯著作权等,请点击“违规举报”。

碎片内容

隐蔽工程验收记录文本道路

您可能关注的文档

确认删除?
VIP
微信客服
  • 扫码咨询
会员Q群
  • 会员专属群点击这里加入QQ群
客服邮箱
回到顶部