电脑桌面
添加小米粒文库到电脑桌面
安装后可以在桌面快捷访问

预制块人行道

预制块人行道_第1页
1/2
预制块人行道_第2页
2/2
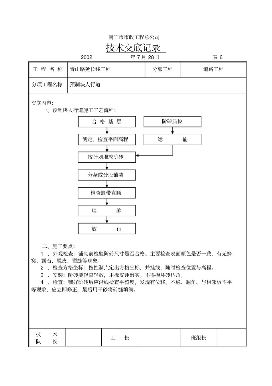
南宁市市政工程总公司技术交底记录 2002年 7 月 28 日表 6 工 程 名 称青山路延长线工程分部工程道路工程分项工程名称预制块人行道交底内容:一、预制块人行道施工工艺流程:二、施工要点: 1 、外观检查:铺砌前检验阶砖尺寸是否合格。主要检查表面颜色是否一致,有无蜂窝、露石、脱皮、裂缝等现象。 2 、检查方格坐标:按控制点定出方格坐标,并挂线,随时检查位置与高程。 3 、安装:阶砖要轻拿轻放,用橡皮锤敲实。不得损坏砖边角。 4 、检查:铺好阶砖后应沿线检查平整度,发现有位移、不稳、翘角、与相邻板不平等现象,应立即修正,最后用干砂将砖缝填满。技术队长工长班组长合 格 基 层测定、检查平面高程按计划堆放阶砖分条或分段铺装检查缝带直顺填缝放行阶砖质检运输南宁市市政工程总公司技术交底记录 2000年 7 月 28 日表 6 工 程 名 称青山路延线工程分部工程道路工程分项工程名称预制块人行道交底内容:三、质量要求与允许偏差:建设部标准《市政道路工程质量检验评定标准》(CJJ1— 90)中规定:(一)预制道板 1 、预制道板表面不得有蜂窝、露石、脱皮、裂缝等现象。 2 、彩色道板必须表面平整,色彩均匀,线路清晰和棱角整齐。 3 、允许偏差:①混凝土抗压强度:平均值不小于设计规定②两对角线长度差:≤ 3mm ③厚度:± 3mm ④外露面缺边掉角: <10mm且不多于 1 处⑤边长:± 3mm ⑥外 露 面 平 整 度 :≤ 2mm (二)预制块人行道 1 、铺砌必须平整稳定,灌缝应饱满,不得有翘动现象。 2 、人行道面层与其他构筑物应接顺,不得有积水现象。 3 、允许偏差:①路 床 压 实 度:≥ 90% ②平整度:≤ 5mm ③相 邻 块 高 差:≤ 3mm ④横坡:± 0.3% ⑤井框与路面高差:≤ 5mm 技术队长工长班组长

1、当您付费下载文档后,您只拥有了使用权限,并不意味着购买了版权,文档只能用于自身使用,不得用于其他商业用途(如 [转卖]进行直接盈利或[编辑后售卖]进行间接盈利)。
2、本站所有内容均由合作方或网友上传,本站不对文档的完整性、权威性及其观点立场正确性做任何保证或承诺!文档内容仅供研究参考,付费前请自行鉴别。
3、如文档内容存在违规,或者侵犯商业秘密、侵犯著作权等,请点击“违规举报”。

碎片内容

预制块人行道

您可能关注的文档

确认删除?
VIP
微信客服
  • 扫码咨询
会员Q群
  • 会员专属群点击这里加入QQ群
客服邮箱
回到顶部