电脑桌面
添加小米粒文库到电脑桌面
安装后可以在桌面快捷访问

预应力混凝土检验批质量验收记录VIP专享

预应力混凝土检验批质量验收记录_第1页
1/6
预应力混凝土检验批质量验收记录_第2页
2/6
预应力混凝土检验批质量验收记录_第3页
3/6
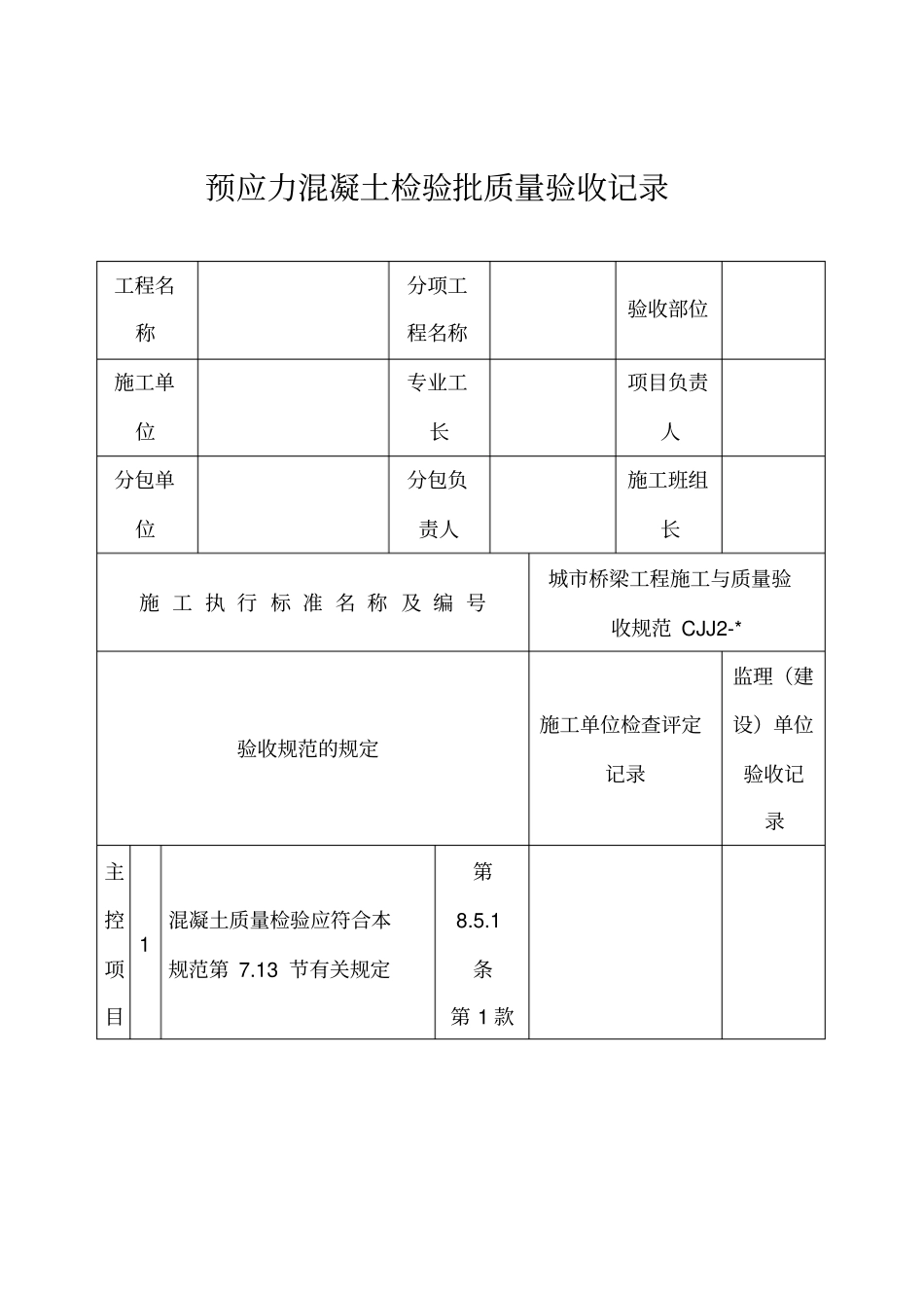
预应力混凝土检验批质量验收记录工程名称分项工程名称验收部位施工单位专业工长项目负责人分包单位分包负责人施工班组长施 工 执 行 标 准 名 称 及 编 号城市桥梁工程施工与质量验收规范 CJJ2-* 验收规范的规定施工单位检查评定记录监理(建设)单位验收记录主控项目1 混凝土质量检验应符合本规范第 7.13 节有关规定第8.5.1条第 1 款2 预应力筋进场检验应符合本规范第 8.1.2 条规定第8.5.2条第 1 款3 预应力筋用锚具、夹具和连接器进场检验应符合本规范第 8.1.3 条规定第8.5.3条第 1 款4 预应力筋的品种、规格、数量必须符合设计要求第8.5.4条第 1 款5 预应力筋张拉和放张时,混凝土强度必须符合设计规定;设计无规定时,不得低于设计强度的 75% 第8.5.5条第 1 款6 孔道压浆的水泥浆强度秘须符合设计规定,压浆时排气孔、排水孔应有水泥浓浆溢出第8.5.7条第 1 款7 锚具的封闭保护应符合本规范第 8.4.8 条第 8 款的规定第8.5.8条第 1 款预应力筋张拉项目允许偏差实测值8 钢丝、钢绞线先张法镦头钢丝同束长度相对差束长 >20m L/5000 ,且不大于 5 束长 6~20 m L/3000 ,且不大于 4 束长<6m 2 张拉应力值符合设计要求张拉伸长率±6% 断丝数不超过总数的1% 9 钢筋先张法接头在同一平面内的轴线偏位2,且不大于1/10 直径中心偏位4%短边,且不大于 5 张拉应力值符合设计要求张拉伸长率±6% 10 钢筋后张法允许管道坐标梁长方向30 梁高方向10 管道间距同排10 上下排10 张拉应力值符合设计要求张拉伸长率±6% 偏差断丝滑丝数钢束每束一丝,且每断面不超过钢丝总数的 1% 钢筋不允许一般项目1 预应力筋使用前应进行外观质量检查,不得有弯折,表面不得有裂纹、毛刺、机械损伤、氧化铁锈、油污等第8.5.9条第 1 款2 预应力筋用锚具、夹具和连接器使用前应进行外观质量检查,表面不得有裂纹、机械损伤、锈蚀、油污等第8.5.10条第 1 款3 预应力混凝土用金属螺旋管使用前应按国家现行标准《预应力混凝土用金属螺旋管》JG/T3013 的规定进行检验第8.5.11条第 1 款4 锚固阶段张拉端预应力筋的内缩量,应符合本规范第8.4.6 条规定第8.5.12条第 1 款共实测点,其中合格点,不合格点,合格率 % 施工单位检查评定结果项目专业质量检查员:项目专业质量(技术)负责人:年月日监理(建设)单位验收结论监 理 工 程 师 ( 建 设 单 位 项 目 技 术 负 责 人 ):年月日

1、当您付费下载文档后,您只拥有了使用权限,并不意味着购买了版权,文档只能用于自身使用,不得用于其他商业用途(如 [转卖]进行直接盈利或[编辑后售卖]进行间接盈利)。
2、本站所有内容均由合作方或网友上传,本站不对文档的完整性、权威性及其观点立场正确性做任何保证或承诺!文档内容仅供研究参考,付费前请自行鉴别。
3、如文档内容存在违规,或者侵犯商业秘密、侵犯著作权等,请点击“违规举报”。

碎片内容

预应力混凝土检验批质量验收记录

确认删除?
VIP
微信客服
  • 扫码咨询
会员Q群
  • 会员专属群点击这里加入QQ群
客服邮箱
回到顶部