电脑桌面
添加小米粒文库到电脑桌面
安装后可以在桌面快捷访问

18实体检测方案

18实体检测方案_第1页
1/9
18实体检测方案_第2页
2/9
18实体检测方案_第3页
3/9
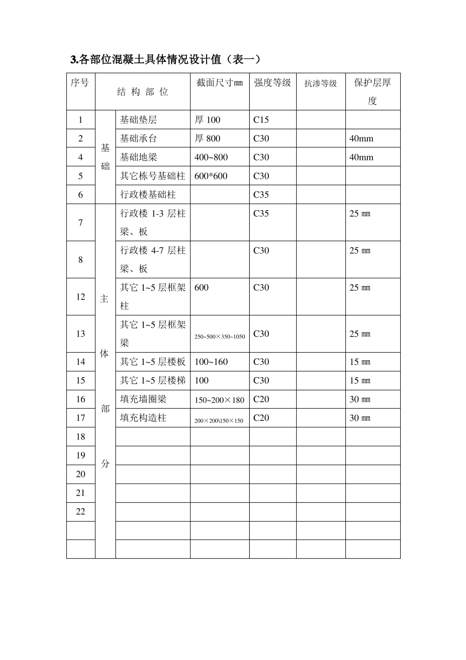
混凝土工程实体检测方案1.编制依据1.1 设计文件:包括工程设计图纸、工程洽商、设计交底、设计变更。1.2 标准文件:《混凝土结构工程施工质量验收规范》(GB50204—2002)、《建筑工程施工质量验收统一标准》(GB50300—2001)、《回弹法检测混凝土抗压强度技术规程》(JGJ/T23—2001、J115—2001)1.3 企业文件:作业指导书、质量管理手册、混凝土工程施工工艺标准等。1.4 施工控制文件:施工组织设计、混凝土施工专项方案、技术交底。2.工程概况2.1 工程简介:河北区第十四中学扩建示范校工程位于天津市河北区,东起养鱼池路,西至规划体园路,南至水产前街,北至中山北路。主教学楼主体地上五层,由教学楼,实验楼以及图书馆组成,行政楼主体六层,局部七层,主教学楼主体檐高 19.650 米,行政楼主体檐高 22.950 米,总建筑面积:33363.1 平方米。食堂主体三层,总建筑面积:4115 平方米2.2 结构体系:本工程结构体系为框架结构;桩基采用预应力管桩,管桩型号为 PC—A400(80),桩长 20 米。基础垫层为 C15 素砼;基础承台、地梁、柱为 C30 砼,基础底板、水池等有防水要求的均为C30S6 抗渗砼,±0.000 以上主体部分为 C30 砼,行政楼局部为 C35;本工程结构均为现浇钢筋混凝土结构。3.各部位混凝土具体情况设计值(表一)序号结 构 部 位基础垫层基础基础承台基础地梁截面尺寸㎜强度等级抗渗等级保护层厚度124567厚 100厚 800400~800C15C30C30C30C35C3540mm40mm25 ㎜其它栋号基础柱600*600行政楼基础柱行政楼 1-3 层柱梁、板行政楼 4-7 层柱梁、板其它 1~5 层框架600主柱其它 1~5 层框架250~500×350~10508C3025 ㎜12C3025 ㎜13141516171819202122体部分梁其它 1~5 层楼板100~160其它 1~5 层楼梯100填充墙圈梁填充构造柱C30C30C3025 ㎜15 ㎜15 ㎜30 ㎜30 ㎜150~200×180C20200×200\150×150C204.各部位混凝土实际测定情况(表二)序号1234基础部分7结 构 部 位基础垫层基础承台基础地梁其 它 栋 号 基础柱行 政 楼 基 础柱行政楼 1-3 层柱梁、板行政楼 4-7 层主10体柱梁、板其它栋号 1~5层框架柱其它栋号 1~5浇筑时间试块等效龄期设计与试压强度比8911部层框架梁其它栋号 1~5层楼板12131415分其它1 栋号~5层楼梯填充墙圈梁填充构造柱5.材料供应计划及试验室情况5.1 材料供应:本工程混凝土一律使用泵送商品混凝土,商品混凝土搅拌站选用天津津达混凝土有限公司,生产...

1、当您付费下载文档后,您只拥有了使用权限,并不意味着购买了版权,文档只能用于自身使用,不得用于其他商业用途(如 [转卖]进行直接盈利或[编辑后售卖]进行间接盈利)。
2、本站所有内容均由合作方或网友上传,本站不对文档的完整性、权威性及其观点立场正确性做任何保证或承诺!文档内容仅供研究参考,付费前请自行鉴别。
3、如文档内容存在违规,或者侵犯商业秘密、侵犯著作权等,请点击“违规举报”。

碎片内容

18实体检测方案

您可能关注的文档

确认删除?
VIP
微信客服
  • 扫码咨询
会员Q群
  • 会员专属群点击这里加入QQ群
客服邮箱
回到顶部