电脑桌面
添加小米粒文库到电脑桌面
安装后可以在桌面快捷访问

1液压缸检验试验规程

1液压缸检验试验规程_第1页
1/16
1液压缸检验试验规程_第2页
2/16
1液压缸检验试验规程_第3页
3/16
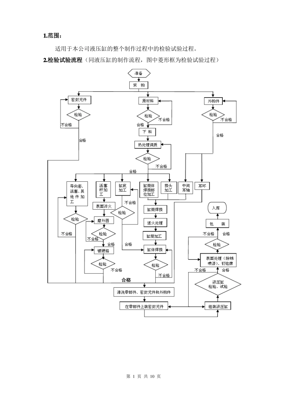
QB/HT-JS-205-2018液压缸检验试验规程编制:审核:批准:标准化审查:质量会签:顾客意见:盐城海特机械科技有限公司2018 年 07 月 13 日1.范围:适用于本公司液压缸的整个制作过程中的检验试验过程。2.检验试验流程(同液压缸的制作流程,图中菱形框为检验试验过程)第 1 页 共 10 页3.液压缸检验试验3.1 总要求3.1.1 所有参与液压缸检验试验人员熟悉相应的生产图中要求的结构、尺寸和各项性能指标的要求;3.1.2 检验试验人员必须熟练掌握所使用的测量工具、仪表和设备的使用功能、适用范围和使用方法3.1.3 所使用的测量工具、仪表必须定期检验或校准;3.1.4 在检验每个工件前,必须确认其标识号,并将该件的标识号记录在相应的检验试验表中相应栏内;3.1.5 质量部门确定:3.1.5.1 检验区域:①待检区;②检验区;③合格品区;④不合格品区;3.1.5.2 工件状态标识:①待检;②合格;③不合格;3.1.6 质检员在收到报检单、生产图和相关见证文件后,进行检验试验;3.1.7 质检员必须严格按图、有关技术文件和检验试验表的每一项要求,并记录在相应的检验试验表中;3.1.8 对于不合格品,质检人员做好“不合格”标识,并将不合格的工件放在不合格品区域,填写《不合格品处理单》,进入不合格品处理流程;3.1.9 产品检验试验合格后,质检人员做好“合格”标识,工件进入下一流程,所有质量见证文件在质量部门留存,待产品入库(出厂)后整理归档;3.2 检验试验所使用的工具、仪器、仪表、设备3.2.1 尺寸测量:卷尺,游标卡尺,内、外径千分尺,沟槽深度千分尺,沟槽宽度千分尺,角度千分尺,塞尺,内外圆角规,螺纹规;3.2.2 表面质量:粗糙度仪或粗糙度样块;3.2.3 压力试验:试验台,压力表3.2.4 镀铬检验:超声波硬度计,镀铬测厚仪;3.2.5 漆膜检验:漆膜测厚仪;3.3 采购物品的检验3.3.1 原材料3.3.1.1 质量要求(执行标准)GB/T700-2006《碳素结构钢》第 2 页 共 10 页GB/T699-2015《优质碳素结构钢》GB/T3077-2015《合金结构钢》GB/T1220-2007《不锈钢》GB/T1591-2008《低合金高强度结构钢》GB/T8162-2008《结构用无缝钢管》GB/T8163-2008《输送流体用无缝钢管》GB5232-85《加工黄铜-化学成分和产品形状》GB/T4423-2007《铜及铜合金拉制棒》3.3.1.2 检验试验项目检验/验证项目1表面质量及外形直径2尺寸长度345化学成分力学性能数量或重量卷尺验证质保书或检测报告等1/批验证质保书或检测报告等计数或称重全...

1、当您付费下载文档后,您只拥有了使用权限,并不意味着购买了版权,文档只能用于自身使用,不得用于其他商业用途(如 [转卖]进行直接盈利或[编辑后售卖]进行间接盈利)。
2、本站所有内容均由合作方或网友上传,本站不对文档的完整性、权威性及其观点立场正确性做任何保证或承诺!文档内容仅供研究参考,付费前请自行鉴别。
3、如文档内容存在违规,或者侵犯商业秘密、侵犯著作权等,请点击“违规举报”。

碎片内容

1液压缸检验试验规程

您可能关注的文档

确认删除?
VIP
微信客服
  • 扫码咨询
会员Q群
  • 会员专属群点击这里加入QQ群
客服邮箱
回到顶部