电脑桌面
添加小米粒文库到电脑桌面
安装后可以在桌面快捷访问

史上最全的测试用例设计方法总结VIP免费

史上最全的测试用例设计方法总结_第1页
1/36
史上最全的测试用例设计方法总结_第2页
2/36
史上最全的测试用例设计方法总结_第3页
3/36
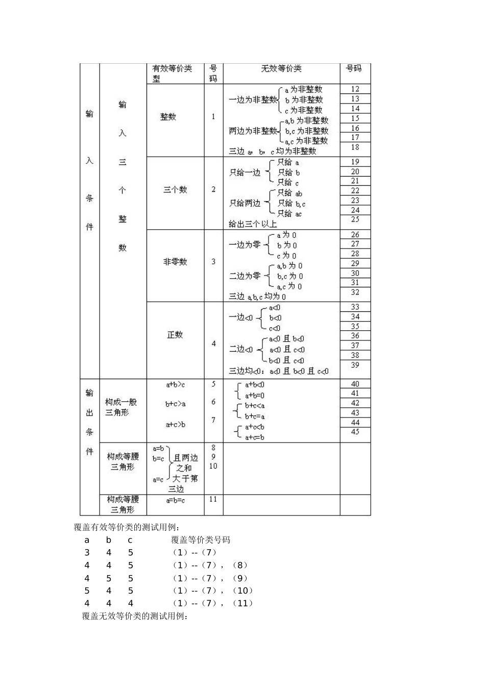
测试用例的设计方法(全)等价类划分方法:一.方法简介1.定义是把所有可能的输入数据,即程序的输入域划分成若干部分(子集),然后从每一个子集中选取少数具有代表性的数据作为测试用例。该方法是一种重要的,常用的黑盒测试用例设计方法。2.划分等价类:等价类是指某个输入域的子集合。在该子集合中,各个输入数据对于揭露程序中的错误都是等效的,并合理地假定:测试某等价类的代表值就等于对这一类其它值的测试,因此,可以把全部输入数据合理划分为若干等价类,在每一个等价类中取一个数据作为测试的输入条件就可以用少量代表性的测试数据取得较好的测试结果。等价类划分可有两种不同的情况:有效等价类和无效等价类。1)有效等价类是指对于程序的规格说明来说是合理的、有意义的输入数据构成的集合。利用有效等价类可检验程序是否实现了规格说明中所规定的功能和性能。2)无效等价类与有效等价类的定义恰巧相反。无效等价类指对程序的规格说明是不合理的或无意义的输入数据所构成的集合。对于具体的问题,无效等价类至少应有一个,也可能有多个。设计测试用例时,要同时考虑这两种等价类。因为软件不仅要能接收合理的数据,也要能经受意外的考验,这样的测试才能确保软件具有更高的可靠性。3.划分等价类的标准:1)完备测试、避免冗余;2)划分等价类重要的是:集合的划分,划分为互不相交的一组子集,而子集的并是整个集合;3)并是整个集合:完备性;4)子集互不相交:保证一种形式的无冗余性;5)同一类中标识(选择)一个测试用例,同一等价类中,往往处理相同,相同处理映射到"相同的执行路径"。4.划分等价类的方法1)在输入条件规定了取值范围或值的个数的情况下,则可以确立一个有效等价类和两个无效等价类。如:输入值是学生成绩,范围是0~100;2)在输入条件规定了输入值的集合或者规定了"必须如何"的条件的情况下,可确立一个有效等价类和一个无效等价类;3)在输入条件是一个布尔量的情况下,可确定一个有效等价类和一个无效等价类。4)在规定了输入数据的一组值(假定n个),并且程序要对每一个输入值分别处理的情况下,可确立n个有效等价类和一个无效等价类。例:输入条件说明学历可为:专科、本科、硕士、博士四种之一,则分别取这四种这四个值作为四个有效等价类,另外把四种学历之外的任何学历作为无效等价类。5)在规定了输入数据必须遵守的规则的情况下,可确立一个有效等价类(符合规则)和若干个无效等价类(从不同角度违反规则);6)在确知已划分的等价类中各元素在程序处理中的方式不同的情况下,则应再将该等价类进一步的划分为更小的等价类。5.设计测试用例在确立了等价类后,可建立等价类表,列出所有划分出的等价类输入条件:有效等价类、无效等价类,然后从划分出的等价类中按以下三个原则设计测试用例:1)为每一个等价类规定一个唯一的编号;2)设计一个新的测试用例,使其尽可能多地覆盖尚未被覆盖地有效等价类,重复这一步,直到所有的有效等价类都被覆盖为止;3)设计一个新的测试用例,使其仅覆盖一个尚未被覆盖的无效等价类,重复这一步,直到所有的无效等价类都被覆盖为止。二.实战演习1.某程序规定:"输入三个整数a、b、c分别作为三边的边长构成三角形。通过程序判定所构成的三角形的类型,当此三角形为一般三角形、等腰三角形及等边三角形时,分别作计算…"。用等价类划分方法为该程序进行测试用例设计。(三角形问题的复杂之处在于输入与输出之间的关系比较复杂。)分析题目中给出和隐含的对输入条件的要求:(1)整数(2)三个数(3)非零数(4)正数(5)两边之和大于第三边(6)等腰(7)等边如果a、b、c满足条件(1)~(4),则输出下列四种情况之一:1)如果不满足条件(5),则程序输出为"非三角形"。2)如果三条边相等即满足条件(7),则程序输出为"等边三角形"。3)如果只有两条边相等、即满足条件(6),则程序输出为"等腰三角形"。4)如果三条边都不相等,则程序输出为"一般三角形"。列出等价类表并编号覆盖有效等价类的测试用例:abc覆盖等价类号码345(1)--(7)445(1)--(7),(8)455(1)--(7),(9)545(1)--(7),(10)444(1)--(7),(11)覆盖无...

1、当您付费下载文档后,您只拥有了使用权限,并不意味着购买了版权,文档只能用于自身使用,不得用于其他商业用途(如 [转卖]进行直接盈利或[编辑后售卖]进行间接盈利)。
2、本站所有内容均由合作方或网友上传,本站不对文档的完整性、权威性及其观点立场正确性做任何保证或承诺!文档内容仅供研究参考,付费前请自行鉴别。
3、如文档内容存在违规,或者侵犯商业秘密、侵犯著作权等,请点击“违规举报”。

碎片内容

史上最全的测试用例设计方法总结

您可能关注的文档

确认删除?
VIP
微信客服
  • 扫码咨询
会员Q群
  • 会员专属群点击这里加入QQ群
客服邮箱
回到顶部