电脑桌面
添加小米粒文库到电脑桌面
安装后可以在桌面快捷访问

工程定位测量记录

工程定位测量记录_第1页
1/8
工程定位测量记录_第2页
2/8
工程定位测量记录_第3页
3/8
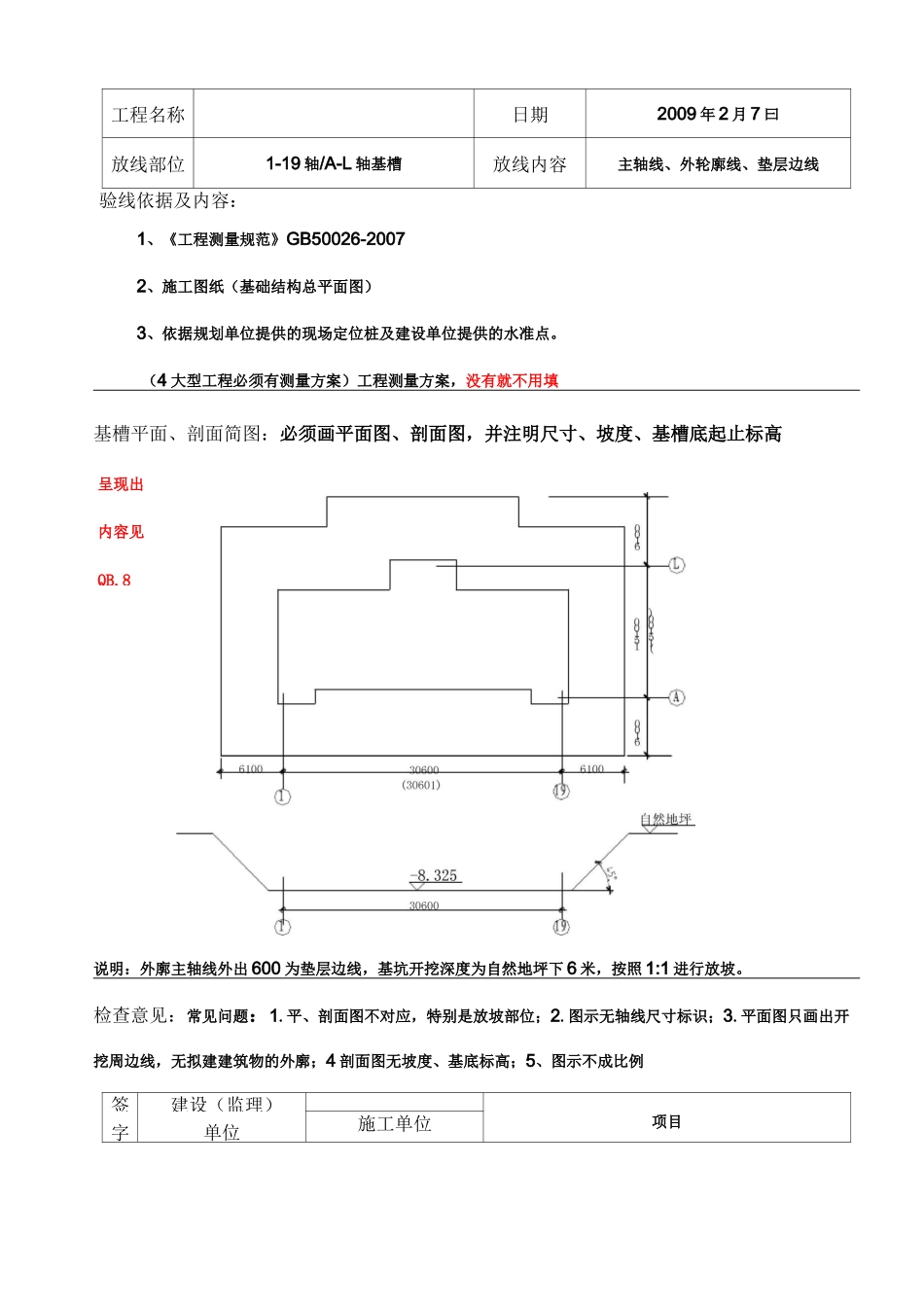
工程定位测量记录工程名称委托单位建设单位全称图纸编号总平面图/总体规划图施测日期2009 年 2 月 6 曰平面坐标依据规划局指定坐标点复测日期2009 年 2 月 6 曰高程依据建设单位提供使用仪器J6E 经纬仪编号:DSC232 水准仪编号:允许误差边长相对中误差 1/15000测角中误差 15”仪器效验日期经、水分别校验曰期,与现场仪器证书相一致,必须在施测曰期之前铅笔标)鲁 JJ—018—□0□0□1定位抄测示意图:必须有定位过程,图中必须标识出永久水准点位置图示(1.不是底层平面图,是建筑物的位置图,如果是从建筑红线或周边建筑量测的,还应将道路及周边建筑画上,标明其距离。2.图中对测角中误差也要记录复测,先写设计角度一般 90•再写复测,有的工程设计不全是直角。3.图示要成比例,线条要清晰,大小适中)说明:1(本工程定位为临沂市规划局根据南坊新区总体规划图采用 GPS 进行精确定位,定位点两个,分别为拟建工程 A 轴与 19 轴交叉点 c,J 轴交 1 轴交叉点 a。根据图纸 1-19 轴尺寸 30.0m,A-J 轴尺寸15.6m,算出直线 ac 与 A 轴线的夹角值 27。28'20”,将经纬仪支设在 c 点上,对中调平后对准 a 点,逆时针旋转 27。28'20”得直线 be,自 c 点向西量取 30.0m 则 be 即为 A 轴线,ab 即为 1 轴,最后根据 A轴线、1 轴线放出其他轴线。水准点 M 由建设单位提供即由•路中心线水准点上 1.10M 为本工程的±0.000 点)本工程定位根据临沂市规划局提供的•路中心线向北量 21 米定出拟建•楼南墙皮线,即 be;再由规划局提供的 a 点垂直向东量 6 米定位出西墙皮点 b,由此可定位出其他各轴线。2、1 轴、19 轴、A 轴、J 轴为建筑物外廓轴线;括号内数字为复测数据。(3、边长最大对中误差为 0.2/15000,合格;(注意换算分母保持一致))(4 复测结果符合《工程测量规范》GB50026-2007 要求。)复测结果:符合设计要求(手写)签字栏建设(监理)单位施工(测量)单位项目测量人员岗位证书号专业技术负责人测量负责人复测人施测人技术负责人技术科•必须向建设单位索要规划部门验线记录复印件基槽验线记录鲁 JJ—019—□□□呈现出内容见QB.8工程名称日期2009 年 2 月 7 曰放线部位1-19 轴/A-L 轴基槽放线内容主轴线、外轮廓线、垫层边线验线依据及内容:1、《工程测量规范》GB50026-20072、施工图纸(基础结构总平面图)3、依据规划单位提供的现场定位桩及建设单...

1、当您付费下载文档后,您只拥有了使用权限,并不意味着购买了版权,文档只能用于自身使用,不得用于其他商业用途(如 [转卖]进行直接盈利或[编辑后售卖]进行间接盈利)。
2、本站所有内容均由合作方或网友上传,本站不对文档的完整性、权威性及其观点立场正确性做任何保证或承诺!文档内容仅供研究参考,付费前请自行鉴别。
3、如文档内容存在违规,或者侵犯商业秘密、侵犯著作权等,请点击“违规举报”。

碎片内容

工程定位测量记录

您可能关注的文档

确认删除?
VIP
微信客服
  • 扫码咨询
会员Q群
  • 会员专属群点击这里加入QQ群
客服邮箱
回到顶部