电脑桌面
添加小米粒文库到电脑桌面
安装后可以在桌面快捷访问

CA6140车床拨叉加工工艺过程及工序卡

CA6140车床拨叉加工工艺过程及工序卡_第1页
1/9
CA6140车床拨叉加工工艺过程及工序卡_第2页
2/9
CA6140车床拨叉加工工艺过程及工序卡_第3页
3/9
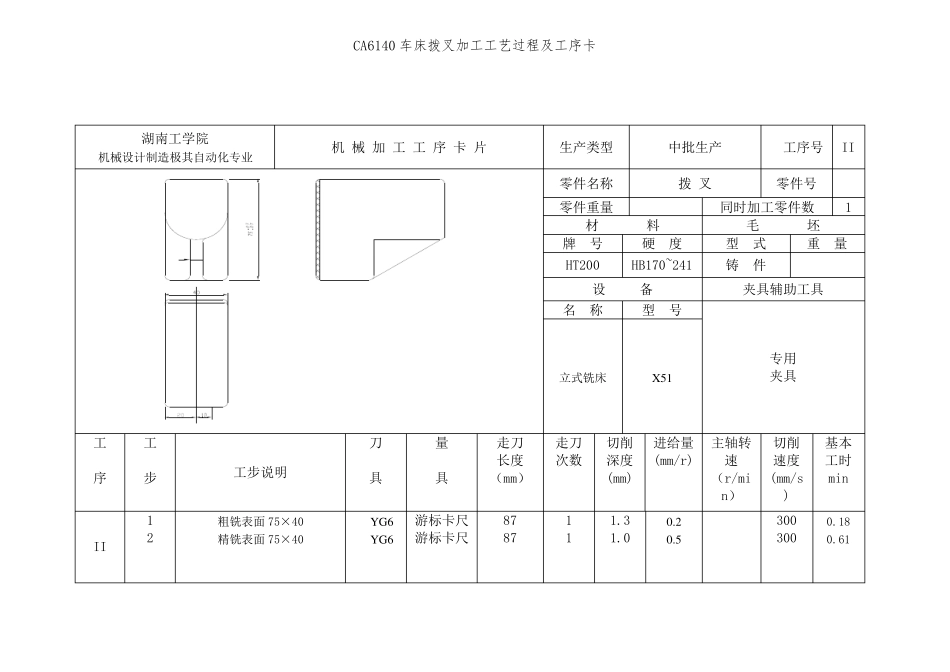
CA6140 车床拨叉加工工艺过程及工序卡机械加工工艺过程卡片材料牌号HT200工序号123456789工序名称铣削钻孔扩孔倒角拉花键铣削铣削钻孔攻螺纹检验铸铁毛坯种类铸件毛坯尺寸产品型号产品名称φ80车间铣床车间钻床车间车床车间拉床车间铣床车间铣床车间钻床车间钳工车间检验车间工段设备22112211铣床CA6140机床毛坯件数产品型号零件名称1831003拨叉每台1件数共 1页第 1页备注工 时准终单件60s100s工 序 内 容1.粗铣左端面2. 精铣左端面1.钻孔φ202.扩孔至φ221. 倒角 15°1. 拉花键1.粗铣沟槽2.粗铣上平面1.精铣沟槽2.精铣上平面1. 钻孔 2×φ81.攻螺纹 2×M8设计(日期)2011-12-17更改文件签字日期标记工 艺 装 备专用夹具、高速钢镶嵌式端面铣刀,游标卡尺钻床专用夹具、直柄麻花钻,卡尺,塞规车床拉床铣床铣床钻床锥丝普通车刀,游标卡尺专用夹具、拉刀专用夹具、盘铣刀深度,200s游标卡尺专用夹具、高速钢镶嵌式端面铣刀,游标卡尺专用夹具、麻花钻,内径千分尺锥丝塞规,卡尺等。审核(日期)会签(日期)签字日期标记处数处数更改文件号CA6140 车床拨叉加工工艺过程及工序卡湖南工学院机械设计制造极其自动化专业机 械 加 工 工 序 卡 片生产类型中批生产工序号I零件名称拨 叉零件号零件重量同时加工零件数1材料毛坯牌号硬度型式重量HT200名称HB170~241型号铸件设备夹具和辅助工具工序工步1工步说明铸造毛坯刀具量具游标卡尺走刀走刀长度次数(mm)切削深度(mm)进给量(mm/n)主轴转速(r/min)切削速度(mm/min)基本工时ICA6140 车床拨叉加工工艺过程及工序卡湖南工学院机械设计制造极其自动化专业机 械 加 工 工 序 卡 片生产类型零件名称中批生产拨 叉工序号II零件号零件重量材料牌号硬度HT200名称HB170~241型号设备同时加工零件数1毛坯型式重量铸件夹具辅助工具立式铣床X51专用夹具工序工步12刀具YG6YG6工步说明量具游标卡尺游标卡尺走刀长度(mm)8787走刀次数11切削进给量主轴转深度(mm/r)速(mm)(r/min)1.31.00.20.5切削速度(mm/s)300300基本工时min0.180.61II粗铣表面 75×40精铣表面 75×40CA6140 车床拨叉加工工艺过程及工序卡湖南工学院机械设计制造极其自动化专业机 械 加 工 工 序 卡 片生产类型中批生产工序号Ⅲ零件名称拨 叉零件号零件重量同时加工零件数1材料毛坯牌号硬度型式重量HT200HB170~241铸件设备夹具和辅助工具名称型号专用夹具立式钻床Z535工序工步123刀具麻花钻 do=2...

1、当您付费下载文档后,您只拥有了使用权限,并不意味着购买了版权,文档只能用于自身使用,不得用于其他商业用途(如 [转卖]进行直接盈利或[编辑后售卖]进行间接盈利)。
2、本站所有内容均由合作方或网友上传,本站不对文档的完整性、权威性及其观点立场正确性做任何保证或承诺!文档内容仅供研究参考,付费前请自行鉴别。
3、如文档内容存在违规,或者侵犯商业秘密、侵犯著作权等,请点击“违规举报”。

碎片内容

CA6140车床拨叉加工工艺过程及工序卡

确认删除?
VIP
微信客服
  • 扫码咨询
会员Q群
  • 会员专属群点击这里加入QQ群
客服邮箱
回到顶部