电脑桌面
添加小米粒文库到电脑桌面
安装后可以在桌面快捷访问

SAA6D114E-2发动机大修技术参数标准化表格

SAA6D114E-2发动机大修技术参数标准化表格_第1页
1/26
SAA6D114E-2发动机大修技术参数标准化表格_第2页
2/26
SAA6D114E-2发动机大修技术参数标准化表格_第3页
3/26
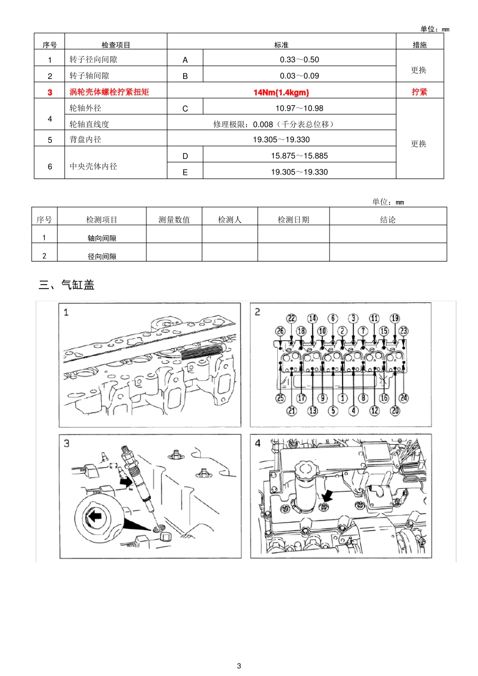
SAA6D114E-2发动机维修标准1一、排气歧管单位:mm序号检查项目标准措施排气歧管安装表面平面1度涡轮增压器增压器安2装法兰表面平面度0.200.13更换序号检测项目排气歧管安装表面平面1度涡轮增压器增压器安2装法兰表面平面度测量数值检测人检测日期单位:mm结论二、涡轮增压器2单位:mm序号检查项目标准措施123转子径向间隙转子轴间隙涡轮壳体螺栓拧紧扭矩轮轴外径AB0.33~0.500.03~0.0914Nm{1.4kgm}更换拧紧C10.97~10.98修理极限:0.008(千分表总位移)19.305~19.33045轮轴直线度背盘内径D中央壳体内径E更换15.875~15.88519.305~19.3306序号12检测项目轴向间隙径向间隙测量数值检测人检测日期单位:mm结论三、气缸盖3单位:mm序号检查项目标准措施垂直方向气缸盖安装表面变形量水平方向步骤第 1 步:全部气缸盖安装螺栓拧紧扭矩第 2 步:再次检查0.200.76拧紧扭矩70Nm{7.1kgm}70Nm{7.1kgm}145Nm{14.8kgm}145Nm{14.8kgm}拧 90°2.25 – 2.80用磨削修理或更换12( 用 二 硫 化 钼 润 滑 剂第 3 步(仅长安装螺栓)(LM-P) 涂 敷 螺 栓 座 和 螺第 4 步(仅长安装螺栓)再次纹)检查第 5 步按前面图示次序拧紧3喷嘴的伸出量更换喷嘴或密封垫4喷咀座拧紧扭矩气缸盖壳安装螺栓拧紧24Nm{2.4kgm}24Nm{2.4kgm}拧紧5扭矩测量数值12检测人3检测日期45单位:mm结论单位:mm6序号气缸盖安装表面变形量12序号喷咀伸出量垂直方向水平方向结论检测人检测时间4四、气缸体5单位:mm序号检查项目标准措施垂直气缸盖安装表面变形量方向水平方向0.0750.0751用磨削校正2主轴承瓦安装内径(将安装螺栓拧到176Nm(17.9kgm))主轴承瓦内径(将螺栓拧到3a3b176Nm (17.9kgm))主轴瓦厚度标准尺寸98.079~98.125校正或更换缸体104.982~105.018更换主轴瓦3.340~3.345校正或更换缸最大 64.0160.058~60.112步骤拧紧扭矩50Nm{5.1kgm}95Nm{9.7kgm}拧紧 60°±5°拧紧45凸轮衬套安装孔内径凸轮衬套内径体更换衬套678气缸盖安装螺栓拧紧扭矩(发动机油涂敷螺和螺纹)油底壳安装螺栓拧紧扭矩曲轴皮带轮盘安装螺栓拧紧扭矩测量数值第 1 步第 2 步第 3 步24Nm{2.45kgm}200Nm{20.4kgm}检测人检测日期结论单位:mm序号气缸盖安装表面变形量12垂直方向水平方向序号1234567结论检测人主轴承瓦安装内径主轴承瓦内径凸轮衬套安装孔内径检测日期单位:mm凸轮衬套内径6五、气缸套单位:mm序号检查项目标准措施1内径内径圆度内径圆柱度114.0000~114.0...

1、当您付费下载文档后,您只拥有了使用权限,并不意味着购买了版权,文档只能用于自身使用,不得用于其他商业用途(如 [转卖]进行直接盈利或[编辑后售卖]进行间接盈利)。
2、本站所有内容均由合作方或网友上传,本站不对文档的完整性、权威性及其观点立场正确性做任何保证或承诺!文档内容仅供研究参考,付费前请自行鉴别。
3、如文档内容存在违规,或者侵犯商业秘密、侵犯著作权等,请点击“违规举报”。

碎片内容

SAA6D114E-2发动机大修技术参数标准化表格

确认删除?
VIP
微信客服
  • 扫码咨询
会员Q群
  • 会员专属群点击这里加入QQ群
客服邮箱
回到顶部