电脑桌面
添加小米粒文库到电脑桌面
安装后可以在桌面快捷访问

VBOX汽车整车性能测试系统

VBOX汽车整车性能测试系统_第1页
1/70
VBOX汽车整车性能测试系统_第2页
2/70
VBOX汽车整车性能测试系统_第3页
3/70
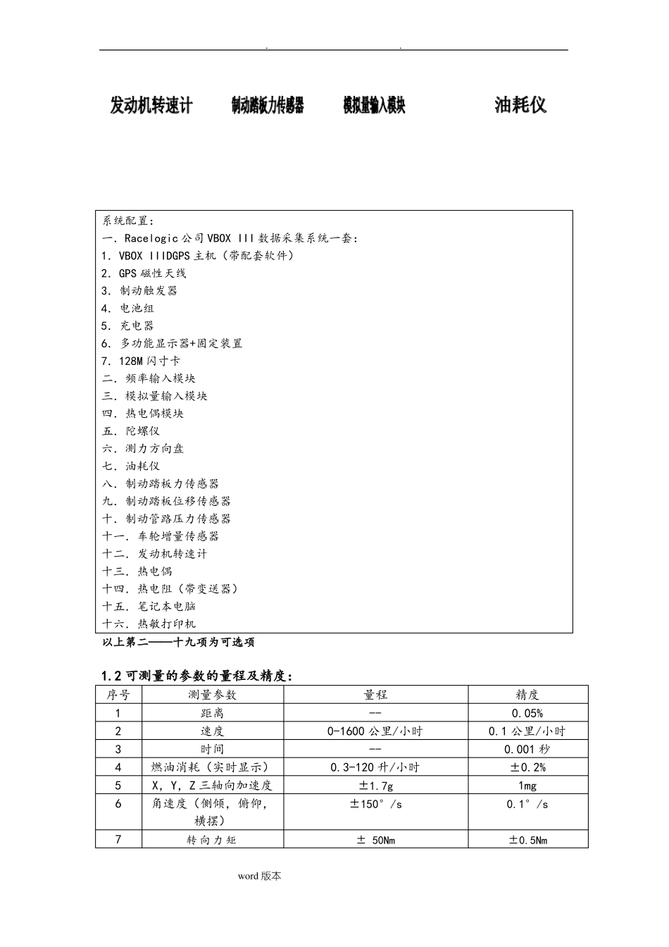
..1. VBOX III 汽车整车性能测试方案1.1 系统方案介绍基于 GPS 的 VBOX III 数据采集系统是一种功能强大的仪器。它是基于新一代的高性能卫星接收器,主机一套用于测量移动汽车的速度和距离并且提供横纵向加速度值,减速度,MFDD,时间和制动、滑行、加速等距离的准确测量;外接各种模块和传感器可以采集油耗,温度,加速度,角速度及角度,转向角速度及角度,转向力矩,制动踏板力,制动踏板位移,制动风管压力,车辆 CAN 接口信息等其它许多数据。由于它的体积较小及安装简便,其非常适合汽车综合测试时使用。由于 VBOX 本身带有标准的模拟,数字,CAN 总线接口,整个系统的功能可以根据用户的需要进行扩充。系统组成图如下:word 版本..系统配置:一.Racelogic 公司 VBOX III 数据采集系统一套:1.VBOX IIIDGPS 主机(带配套软件)2.GPS 磁性天线3.制动触发器4.电池组5.充电器6.多功能显示器+固定装置7.128M 闪寸卡二.频率输入模块三.模拟量输入模块四.热电偶模块五.陀螺仪六.测力方向盘七.油耗仪八.制动踏板力传感器九.制动踏板位移传感器十.制动管路压力传感器十一.车轮增量传感器十二.发动机转速计十三.热电偶十四.热电阻(带变送器)十五.笔记本电脑十六.热敏打印机以上第二——十九项为可选项1.2 可测量的参数的量程及精度:序号1234567测量参数距离速度时间燃油消耗(实时显示)X,Y,Z 三轴向加速度角速度(侧倾,俯仰,横摆)转 向 力 矩量程--0-1600 公里/小时--0.3-120 升/小时±1.7g±150°/s± 50Nm精度0.05%0.1 公里/小时0.001 秒±0.2%1mg0.1°/s±0.5Nmword 版本..8910111213转向角温度制动踏板力传感器(带实时显示器)制动踏板行程制动管路压力发动机转速±1250°满刻度时 0.1°——0-1500N0 - 300 mm0-200 Bar0-10000 转/分钟——0.5%0.1 mm0.25%±1 转/分钟1.3•••••••••••••特点:全套测量系统体积极小,安装简便迅速能完成国家标准要求的汽车动力性,经济性,操纵稳定性,制动性能等实验在线显示 4 个测量参数各种测量或采集到的参数可以实时显示可根据要求设定各种不同的试验条件进行试验制动触发形式多样,使试验更加方便WINDOWS 操作界面的设定和分析软件,使用方便高精度、高可靠性,高耐振、抗冲击性能确保测试质量用 GPS 非接触式速度和距离测量现场即时打印功能,打印各个测量或采集到的参数,实现现场数据阅读大容量紧凑式闪存...

1、当您付费下载文档后,您只拥有了使用权限,并不意味着购买了版权,文档只能用于自身使用,不得用于其他商业用途(如 [转卖]进行直接盈利或[编辑后售卖]进行间接盈利)。
2、本站所有内容均由合作方或网友上传,本站不对文档的完整性、权威性及其观点立场正确性做任何保证或承诺!文档内容仅供研究参考,付费前请自行鉴别。
3、如文档内容存在违规,或者侵犯商业秘密、侵犯著作权等,请点击“违规举报”。

碎片内容

VBOX汽车整车性能测试系统

确认删除?
VIP
微信客服
  • 扫码咨询
会员Q群
  • 会员专属群点击这里加入QQ群
客服邮箱
回到顶部