电脑桌面
添加小米粒文库到电脑桌面
安装后可以在桌面快捷访问

一级导线测量施测方法

一级导线测量施测方法_第1页
1/12
一级导线测量施测方法_第2页
2/12
一级导线测量施测方法_第3页
3/12
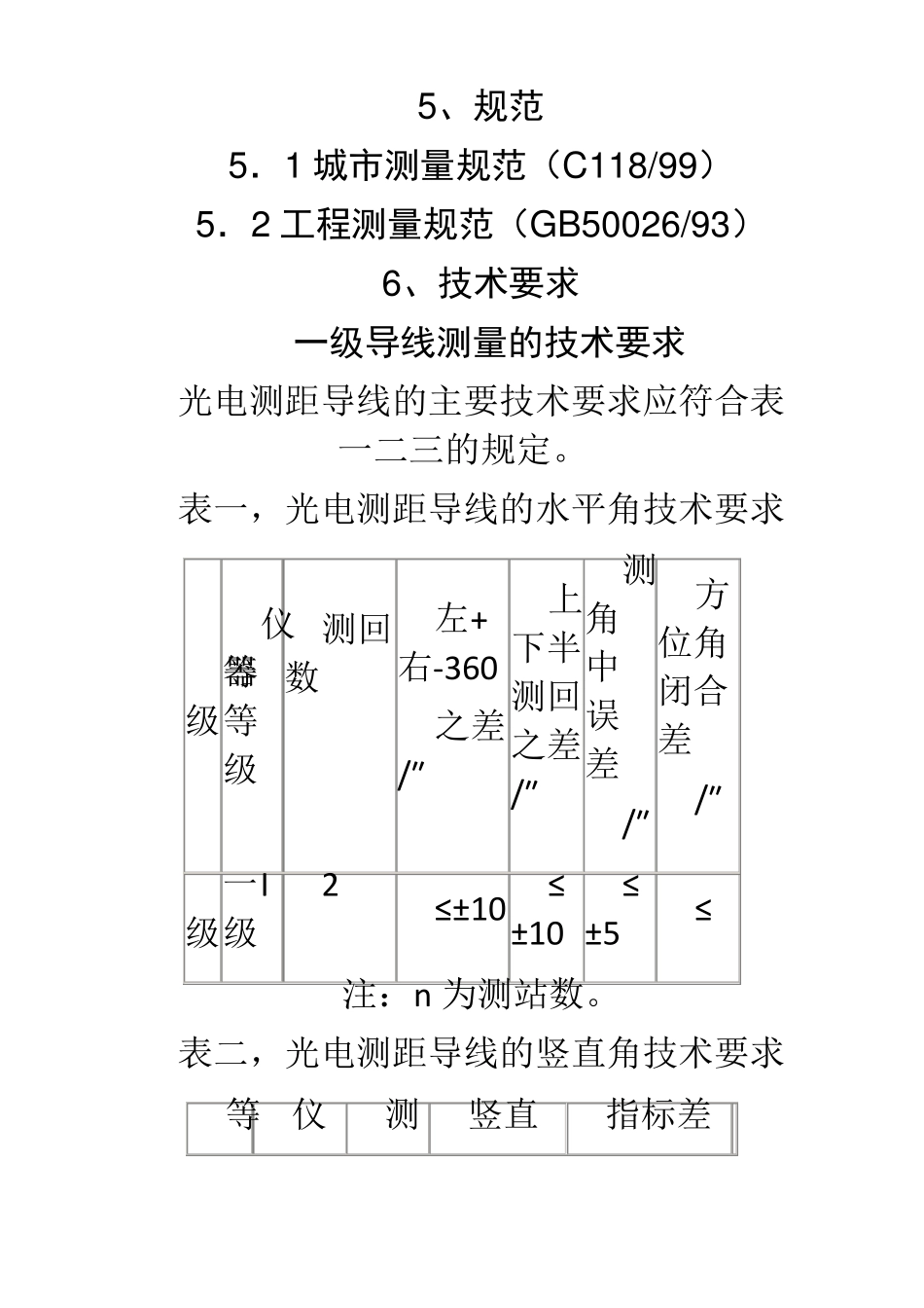
5、规范5.1 城市测量规范(C118/99)5.2 工程测量规范(GB50026/93)6、技术要求一级导线测量的技术要求光电测距导线的主要技术要求应符合表一二三的规定。表一,光电测距导线的水平角技术要求方上角仪 测回左+位角下半中右-360等器 数闭合测回误等级之差差之差差级/″/″/″/″一I级级2≤≤≤±10±10 ±5≤测注:n 为测站数。表二,光电测距导线的竖直角技术要求等仪测竖直指标差级器等 回数 角互差/″互差/″级一I 级2级≤±10≤±10表三,光电测距导线的测距技术要求等仪导测测相导器等线长 回数 距中对误线全级长相级度误差差/km对/mm闭合差一I级级445每条边量测测站一端的气象数据。温度取位至0.5℃,气压取位至100pa或1mmHg(所使用的气象仪器应在检定的使用有效期内)。≤±1≤1/≤130 000 /14000导线边长应进行加常数、乘常数、气象、倾斜改正以及高程归化和投影改化等各项改正计算。导线边长通过两点间高差进行倾斜改正,按“城市规范”第2.4.10和条执行。按“城市规范”第条进行测距边水平距离的高程归化和投影改化。导线边距离观测记录要求清晰、整洁,原始观测数据的更改应符合“城市规范”第2.6.3 条的规定,记录、计算取位至1mm。7 、作业方法左角采用前-后-后-前,右角采用后-前-前-后,水平角采用测回法,竖直角采用中丝法,三丝法导线施测采用三联脚架全园观测法施测,水平角观测的技术要求按《工程测量规范 GB50026-93》2.3.1~执行。测角导线转折角有左角和右角之分。在导线前进方向左侧的水平角称为左角,右侧的水平角称为右角。闭合导线一般测其内角,在公路测量中,附和导线一般测右角,注意全线应统一。各等级的导线测角要求,应满足规范。测边⑵光电测距,光电测距导线边采用单向或往返观测,导线边长均观测 2 测回,每测回 4 次读数,一测回内读数较差应小于5mm,单程测回间较差应小于 10mm。8、设计表格外业数据表格光 电 测 距 导 线 记 录 表工程名称: 观测日期:仪器:观 测 者: 记 录 者:天气:水 度测 竖 指站测点盘平 盘平 回 盘 标水 初 i平 改名 回 名 位度均平 读 差 平 测 -l 距 正数″距 高 m 均 高值仪目盘均测测器高 i标高 l° ′ 角°读数 ″度′ ″°′ ″°′ ″离 差m m值 差m m1234567890123411111第 页 共 页9、内业计算导线测量内业计算的目的:计算各导线点的坐标。、外业观测值复核、对斜距进行三项改正在化为平...

1、当您付费下载文档后,您只拥有了使用权限,并不意味着购买了版权,文档只能用于自身使用,不得用于其他商业用途(如 [转卖]进行直接盈利或[编辑后售卖]进行间接盈利)。
2、本站所有内容均由合作方或网友上传,本站不对文档的完整性、权威性及其观点立场正确性做任何保证或承诺!文档内容仅供研究参考,付费前请自行鉴别。
3、如文档内容存在违规,或者侵犯商业秘密、侵犯著作权等,请点击“违规举报”。

碎片内容

一级导线测量施测方法

您可能关注的文档

文库当当响+ 关注
实名认证
内容提供者

该用户很懒,什么也没介绍

确认删除?
VIP
微信客服
  • 扫码咨询
会员Q群
  • 会员专属群点击这里加入QQ群
客服邮箱
回到顶部