电脑桌面
添加小米粒文库到电脑桌面
安装后可以在桌面快捷访问

三相异步电动机控制电路图

三相异步电动机控制电路图_第1页
1/8
三相异步电动机控制电路图_第2页
2/8
三相异步电动机控制电路图_第3页
3/8
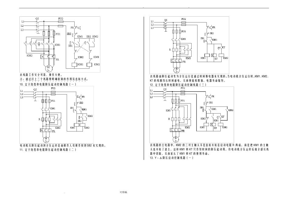
.--三相异步电动机的控制电路一、复习思路及要求1.题型:选择题、技能题、简答题。2.必须熟练分析各种控制电路的工作原理,只有熟悉了工作原理才能正确绘制控制电路;补画控制电路;识别电路图中的错误;对故障进行正确分析处理;设计一些简单的控制电路;并且对 PLC 中简单的程序设计也有帮助。3.该部分容是非常重要的,要熟悉电路形式及控制形式:自锁、联锁的作用及连接方式;点动、连续运转;具有过载保护的连续运转控制电路是基础。4.需要掌握的控制电路有:⑴点动单向运转控制电路;⑵连续单向运转控制电路;⑶点动与连续混合控制电路;⑷接触器联锁双向运转控制电路;⑸按钮联锁双向运转控制电路;⑹接触器按钮双重联锁双向运转控制电路;(7)降压起动控制电路。二、控制电路的分析1.单向点动转控制电路2.单向连续运转控制电路.可修编3.连续与点动混合控制电路(一)4.连续与点动混合控制电路(二)5.连续与点动混合控制电路(三).--该电路中使用了中间继电器。其电器符号是KA。作用是:当其他继电器的触点数量不够时,可借助中间继电器来扩展触头数和触点容量,起到信号中继作用。注:通过以上控制电路明确自锁的作用及其连接方式.......................。6.多地控制电路该控制电路能实现电动机的两地控制。起动按钮并联,停止按钮串联。(图中如果 SB1、SB2 控制 A 地,则 SB3、SB4 控制 B 地。)7.接触器联锁双向控制电路该电路采用了接触器联锁优点是工作安全可靠。但电动机由正转变为反转时,必须先按下停止按钮,才能按反转按钮,否则由于接触器联锁作用,不能实现反转。.可修编8.按钮联锁双向控制电路该线路的优点是操作方便,由正转变为反转时不必按下停止按钮,但容易产生电源两相短路故障。9.接触器按钮双重联锁双向控制电路.--该线路工作安全可靠、操作方便。注:通过以上三个线路要明确联锁的作用及连接方式.......................。10. 定子绕组串电阻降压起动控制线路(一)电动机从降压起动到全压运转是由操作人员操作按钮SB2 来实现的。11. 定子绕组串电阻降压起动控制线路(二).可修编该线路由降压起动变为全压运行是通过时间继电器来实现的。当电动机全压运行时,KM1、KM2、KT 的线圈均长时间通电,从而使能耗增加,电器寿命缩短。12. 定子绕组串电阻降压起动控制线路(三)该线路的主电路中,KM2 的三对主触头不是直接并接在启动电阻 R 两端,而...

1、当您付费下载文档后,您只拥有了使用权限,并不意味着购买了版权,文档只能用于自身使用,不得用于其他商业用途(如 [转卖]进行直接盈利或[编辑后售卖]进行间接盈利)。
2、本站所有内容均由合作方或网友上传,本站不对文档的完整性、权威性及其观点立场正确性做任何保证或承诺!文档内容仅供研究参考,付费前请自行鉴别。
3、如文档内容存在违规,或者侵犯商业秘密、侵犯著作权等,请点击“违规举报”。

碎片内容

三相异步电动机控制电路图

您可能关注的文档

确认删除?
VIP
微信客服
  • 扫码咨询
会员Q群
  • 会员专属群点击这里加入QQ群
客服邮箱
回到顶部