电脑桌面
添加小米粒文库到电脑桌面
安装后可以在桌面快捷访问

拟投入的主要物资计划及其措施

拟投入的主要物资计划及其措施_第1页
1/13
拟投入的主要物资计划及其措施_第2页
2/13
拟投入的主要物资计划及其措施_第3页
3/13
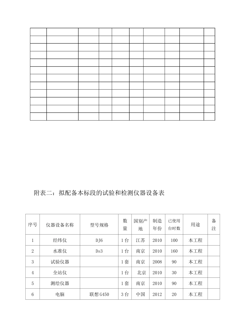
(三)、拟投入的主要物资计划及措施3.1 主要施工设备及试验、检测仪器配备本工程主要是新打水源井工程,施工机械的配置和保证是本工程顺利施工的关键。本工程计划投入机械设备详见附表一本工程计划投入试验检测仪器详见附表二附表一:拟投入本标段的主要施工设备表序号设备名称型号规格数量国别产地制造年份额定功率生产能力用于施工部位备注1钻机3003 台河北2010100KW良好本工程2泥浆泵3003 台郑州200350KW良好本工程3水泵15KW3 台上海201115KW良好本工程4混凝土搅拌机150 型1 台荥阳2011良好本工程5发电机组120KW3 台福州2003120KW良好本工程6污泥泵4PS4 台郑州200615KW良好本工程7电焊机10KW/A3 台上海201110KW良好本工程8机动翻斗车各型2 台洛阳200920KW良好本工程附表二:拟配备本标段的试验和检测仪器设备表序号仪器设备名称型号规格数量国别产地制造年份已使用台时数用途备注1经纬仪DJ61 台江苏2010100本工程2水准仪Ds31 台南京2010160本工程3试验仪器1 套南京200890本工程4全站仪1 台北京201030本工程5测绘仪器1 套南京201090本工程6电脑联想 G4503 台中国201220本工程7打印机兄弟 70103 台中国201130本工程8磅秤1中国20099本工程9500m 的钢卷尺5 个中国20110本工程1010m 钢尺20个中国20120本工程11对讲机10201230本工程12100m 的钢卷尺5 个中国20110本工程3.1.1 机械设备配备计划根据本工程的施工工作量、施工工作内容、施工质量要求以及施工工艺的特点并结合施工现场的具体实际情况和施工工期的要求,在本工程的施工过程中,我公司将调配充足、齐全、先进的施工机械设备用于本工程的施工,加大机械设备的投入,以提高机械化的施工程度,确保本工程目标工期的实现和工程的施工质量。•\3.1.1.1 施工机械设备的管理1、确保投入到本标段工程施工的机械设备能正常使用,满足工程施工的需要,保证工程的施工形象进度,项目部将设机械部负责对施工机械设备进行统一管理。在施工过程中对机械、机具等设备及时地进行保养与维护。2、有的机械设备的调度由机械部据施工机具使用计划统一调配,其他须用部门应配合好机械部做好机械使用安排,防止出现因机械设备原因产生的窝工。3、有的机械设备都必须由操作技术熟练、且具有操作上岗证的专人负责操作,所有的机械设备都必须保持良好的运行状态,定期进行检修与维护。4、施工机械、机具用电的导线和插座必须符合公司安全用电的管理规定,并由专业机械人员和电工进行统一的...

1、当您付费下载文档后,您只拥有了使用权限,并不意味着购买了版权,文档只能用于自身使用,不得用于其他商业用途(如 [转卖]进行直接盈利或[编辑后售卖]进行间接盈利)。
2、本站所有内容均由合作方或网友上传,本站不对文档的完整性、权威性及其观点立场正确性做任何保证或承诺!文档内容仅供研究参考,付费前请自行鉴别。
3、如文档内容存在违规,或者侵犯商业秘密、侵犯著作权等,请点击“违规举报”。

碎片内容

拟投入的主要物资计划及其措施

确认删除?
VIP
微信客服
  • 扫码咨询
会员Q群
  • 会员专属群点击这里加入QQ群
客服邮箱
回到顶部