电脑桌面
添加小米粒文库到电脑桌面
安装后可以在桌面快捷访问

金属风管制作安装工程施工工艺标准

金属风管制作安装工程施工工艺标准_第1页
1/18
金属风管制作安装工程施工工艺标准_第2页
2/18
金属风管制作安装工程施工工艺标准_第3页
3/18
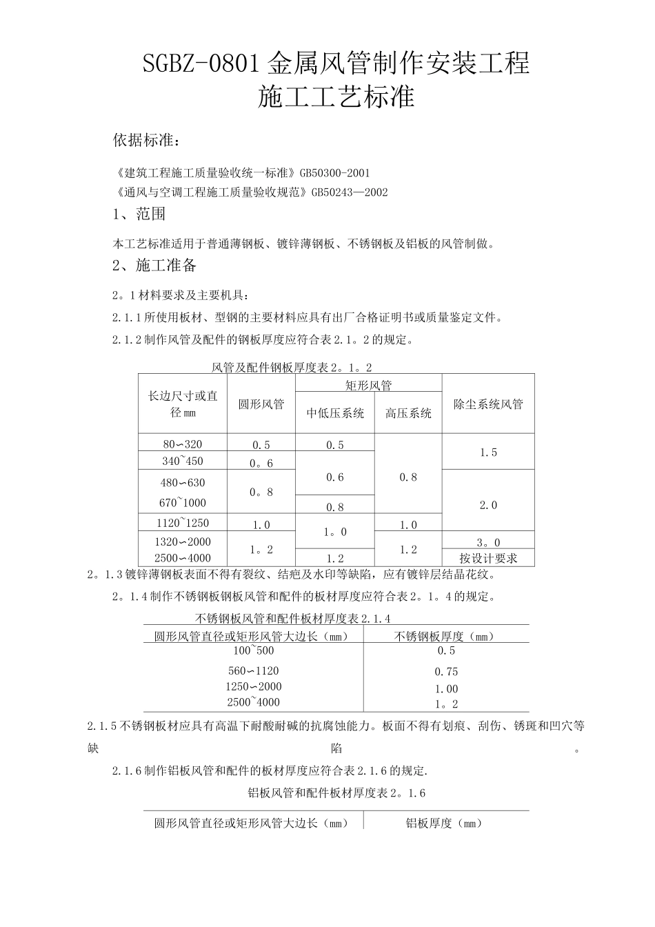
SGBZ-0801 金属风管制作安装工程施工工艺标准依据标准:《建筑工程施工质量验收统一标准》GB50300-2001《通风与空调工程施工质量验收规范》GB50243—20021、范围本工艺标准适用于普通薄钢板、镀锌薄钢板、不锈钢板及铝板的风管制做。2、施工准备2。1 材料要求及主要机具:2.1.1 所使用板材、型钢的主要材料应具有出厂合格证明书或质量鉴定文件。2.1.2 制作风管及配件的钢板厚度应符合表 2.1。2 的规定。风管及配件钢板厚度表 2。1。2长边尺寸或直径 mm圆形风管矩形风管除尘系统风管中低压系统高压系统80〜3200.50.51.5340~4500。6480〜6300。80.60.8670~10000.82.01120~12501.01。01.01320〜20001。21.23。02500〜40001.2按设计要求2。1.3 镀锌薄钢板表面不得有裂纹、结疤及水印等缺陷,应有镀锌层结晶花纹。2。1.4 制作不锈钢板钢板风管和配件的板材厚度应符合表 2。1。4 的规定。不锈钢板风管和配件板材厚度表 2.1.4圆形风管直径或矩形风管大边长(mm)不锈钢板厚度(mm)100~5000.5560〜11200.751250〜20001.002500~40001。22.1.5 不锈钢板材应具有高温下耐酸耐碱的抗腐蚀能力。板面不得有划痕、刮伤、锈斑和凹穴等缺陷。2.1.6 制作铝板风管和配件的板材厚度应符合表 2.1.6 的规定.铝板风管和配件板材厚度表 2。1.6圆形风管直径或矩形风管大边长(mm)铝板厚度(mm)100~3201。0360〜6301。5700〜20002.02500〜40002.52.1.7 铝板材应具有良好的塑性、导电、导热性能及耐酸腐蚀性能,表面不得有划痕及磨损.2.1。8 龙门剪板机、电冲剪、手用电动剪倒角机、咬口机、压筋机、折方机、合缝机、振动式曲线剪板机、卷圆机、圆弯头咬口机、型钢切割机、角(扁)钢卷圆机、液压钳钉钳、电动拉铆枪、台钻、手电钻、冲孔机、插条法兰机、螺旋卷管机、电、气焊设备、空气压缩机油漆喷枪等设备及不锈钢板尺、钢直尺、角尺量器、划规、划针、洋冲、铁锤、木锤、拍板等小型工具。排烟系统钢板厚度可参照高压系统。2。2 作业条件:2.2。1 集中加工应具有宽敞、明亮、洁净、地面平整、不潮湿的厂房。2.2.2 现场分散加工应具有能防雨雪、大风及结构牢固的设施。2。2。3 作业地点要有相应加工工艺的基本机具、设施及电源和可靠的安全防护装置,并配有消防器材.2。2.4 风管制作应有批准的图纸、经审查的大样图、系统图,并有施工员书面的技术质量及安全交底.3、操作工艺3.1 工艺流程:如表 3.6 规定。注:无设计要求时,镀锌风管成品不喷...

1、当您付费下载文档后,您只拥有了使用权限,并不意味着购买了版权,文档只能用于自身使用,不得用于其他商业用途(如 [转卖]进行直接盈利或[编辑后售卖]进行间接盈利)。
2、本站所有内容均由合作方或网友上传,本站不对文档的完整性、权威性及其观点立场正确性做任何保证或承诺!文档内容仅供研究参考,付费前请自行鉴别。
3、如文档内容存在违规,或者侵犯商业秘密、侵犯著作权等,请点击“违规举报”。

碎片内容

金属风管制作安装工程施工工艺标准

确认删除?
VIP
微信客服
  • 扫码咨询
会员Q群
  • 会员专属群点击这里加入QQ群
客服邮箱
回到顶部