电脑桌面
添加小米粒文库到电脑桌面
安装后可以在桌面快捷访问

CFG复合地基竣工验收报告

CFG复合地基竣工验收报告_第1页
1/5
CFG复合地基竣工验收报告_第2页
2/5
CFG复合地基竣工验收报告_第3页
3/5
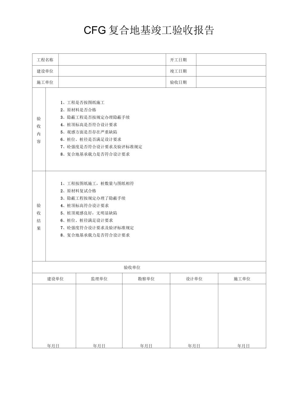
CFG 复合地基竣工验收报告工程名称开工日期建设单位竣工日期施工单位验收日期验收内容1、工程是否按图纸施工2、原材料是否合格3、隐蔽工程是否按规定办理隐蔽手续4、桩顶标高是否符合设计要求5、观感方面是否存在严重缺陷6、桩位、桩径是否满足设计要求7、砼强度是否符合设计要求及验评标准规定8、复合地基承载力是否符合设计要求验收结果1、工程按图纸施工,桩数量与图纸相符2、原材料复试合格3、隐蔽工程按规定办理了隐蔽手续4、桩顶标高符合设计要求5、桩顶观感良好,无明显缺陷6、桩位、桩径满足设计要求7、砼强度符合设计要求及验评标准规定8、复合地基承载力是否符合设计要求验收单位建设单位监理单位勘察单位设计单位施工单位年月日年月日年月日年月日年月日长螺旋施工记录工程名称:设计有效桩长、桩径混凝土强度:施工单位:设计桩顶标高:工作面地坪标高机长:记录员:质检员:监理:长螺旋施工记录工程名称:设计有效桩长、桩径混凝土强度:施工单位:设计桩顶标高:工作面地坪标高机长:记录员:质检员:监理:CFG 桩复合地基工程检验批质量验收记录GB502022002单位(子单位)工程名称分部(子分部)工程名称复合地基处理验收部位施工单位项目经理分包单位分包项目经理施工执行标准名称及编号施工质量验收规范的规定施工单位检查评定记录监理(建设)单位验收记录主项1原材料设计要求2桩径(mm)-203桩身强度设计要求4地基承载力设计要求般项1桩身完整性按桩基检测技术规范2桩位偏差满堂布桩 W0.4D3桩垂直度(%)W1.04桩长(mm)+1005褥垫层夯填度W0.9施工单位检查评定结果专业工长(施工员)班组长项目专业质量检查员:年月日监理(建设)单位验收结论专业监理工程师:(建设单位项目专业技术负责人)年月日桩径、桩位检查验收记录工程名称:#楼桩桩径桩位偏差(cm)桩桩径桩位偏差(cm)向南向北向东向西向南向北向东向西测量员:监理工程师:年月日

1、当您付费下载文档后,您只拥有了使用权限,并不意味着购买了版权,文档只能用于自身使用,不得用于其他商业用途(如 [转卖]进行直接盈利或[编辑后售卖]进行间接盈利)。
2、本站所有内容均由合作方或网友上传,本站不对文档的完整性、权威性及其观点立场正确性做任何保证或承诺!文档内容仅供研究参考,付费前请自行鉴别。
3、如文档内容存在违规,或者侵犯商业秘密、侵犯著作权等,请点击“违规举报”。

碎片内容

CFG复合地基竣工验收报告

确认删除?
VIP
微信客服
  • 扫码咨询
会员Q群
  • 会员专属群点击这里加入QQ群
客服邮箱
回到顶部