电脑桌面
添加小米粒文库到电脑桌面
安装后可以在桌面快捷访问

人工挖孔桩隐蔽记录

人工挖孔桩隐蔽记录_第1页
1/7
人工挖孔桩隐蔽记录_第2页
2/7
人工挖孔桩隐蔽记录_第3页
3/7
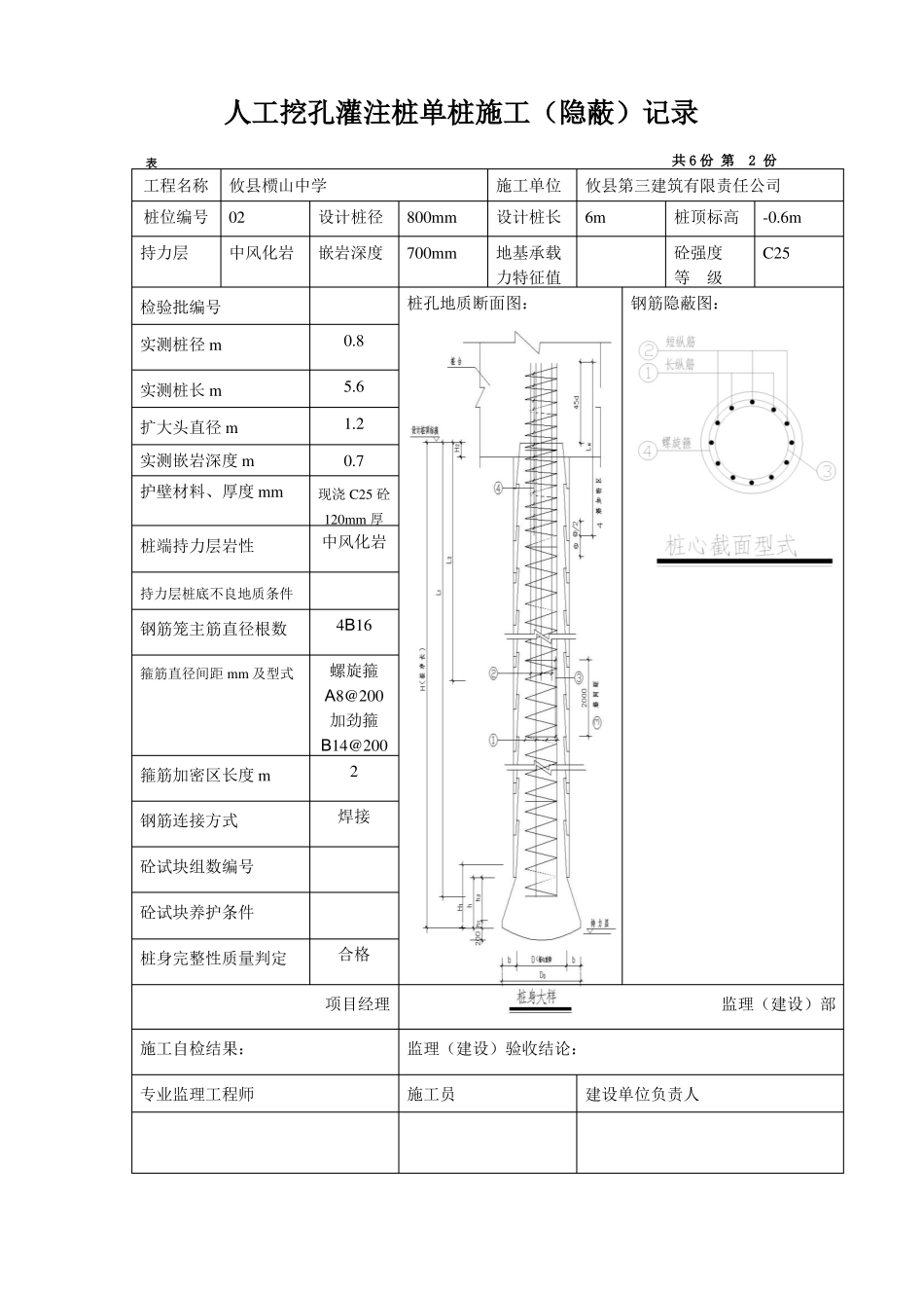
人工挖孔灌注桩单桩施工(隐蔽)记录表共 6 份 第 1份工程名称攸县槚山中学桩位编号01持力层检验批编号实测桩径 m实测桩长 m扩大头直径 m实测嵌岩深度 m护壁材料、厚度 mm桩端持力层岩性持力层桩底不良地质条件施工单位800mm700mm设计桩长地基承载力特征值攸县第三建筑有限责任公司6m桩顶标高砼强度等级钢筋隐蔽图:-0.6mC25设计桩径嵌岩深度0.85.81.20.7现浇 C25 砼120mm 厚中风化岩桩孔地质断面图:中风化岩4B16螺旋箍A8@200加劲箍B14@200钢筋笼主筋直径根数箍筋直径间距 mm 及型式箍筋加密区长度 m钢筋连接方式砼试块组数编号砼试块养护条件桩身完整性质量判定2焊接合格项目经理监理(建设)部监理(建设)验收结论:施工员建设单位负责人施工自检结果:专业监理工程师人工挖孔灌注桩单桩施工(隐蔽)记录表共 6 份 第 2 份工程名称攸县槚山中学桩位编号02持力层检验批编号实测桩径 m实测桩长 m扩大头直径 m实测嵌岩深度 m护壁材料、厚度 mm桩端持力层岩性持力层桩底不良地质条件施工单位800mm700mm设计桩长地基承载力特征值攸县第三建筑有限责任公司6m桩顶标高砼强度等级钢筋隐蔽图:-0.6mC25设计桩径嵌岩深度0.85.61.20.7现浇 C25 砼120mm 厚中风化岩桩孔地质断面图:中风化岩4B16螺旋箍A8@200加劲箍B14@200钢筋笼主筋直径根数箍筋直径间距 mm 及型式箍筋加密区长度 m钢筋连接方式砼试块组数编号砼试块养护条件桩身完整性质量判定2焊接合格项目经理监理(建设)部监理(建设)验收结论:施工员建设单位负责人施工自检结果:专业监理工程师人工挖孔灌注桩单桩施工(隐蔽)记录表共 6 份 第 3份工程名称攸县槚山中学桩位编号03持力层检验批编号实测桩径 m实测桩长 m扩大头直径 m实测嵌岩深度 m护壁材料、厚度 mm桩端持力层岩性持力层桩底不良地质条件施工单位800mm700mm设计桩长地基承载力特征值攸县第三建筑有限责任公司6m桩顶标高砼强度等级钢筋隐蔽图:-0.6mC25设计桩径嵌岩深度0.86.11.20.7现浇 C25 砼120mm 厚中风化岩桩孔地质断面图:中风化岩4B16螺旋箍A8@200加劲箍B14@200钢筋笼主筋直径根数箍筋直径间距 mm 及型式箍筋加密区长度 m钢筋连接方式砼试块组数编号砼试块养护条件桩身完整性质量判定2焊接合格项目经理监理(建设)部监理(建设)验收结论:施工员建设单位负责人施工自检结果:专业监理工程师人工挖孔灌注桩单桩施工(隐蔽)记录表共 6 份 第 4份工程名称攸县槚山中学桩位...

1、当您付费下载文档后,您只拥有了使用权限,并不意味着购买了版权,文档只能用于自身使用,不得用于其他商业用途(如 [转卖]进行直接盈利或[编辑后售卖]进行间接盈利)。
2、本站所有内容均由合作方或网友上传,本站不对文档的完整性、权威性及其观点立场正确性做任何保证或承诺!文档内容仅供研究参考,付费前请自行鉴别。
3、如文档内容存在违规,或者侵犯商业秘密、侵犯著作权等,请点击“违规举报”。

碎片内容

人工挖孔桩隐蔽记录

确认删除?
VIP
微信客服
  • 扫码咨询
会员Q群
  • 会员专属群点击这里加入QQ群
客服邮箱
回到顶部