电脑桌面
添加小米粒文库到电脑桌面
安装后可以在桌面快捷访问

涂料防腐作业指导书VIP专享

涂料防腐作业指导书_第1页
1/15
涂料防腐作业指导书_第2页
2/15
涂料防腐作业指导书_第3页
3/15
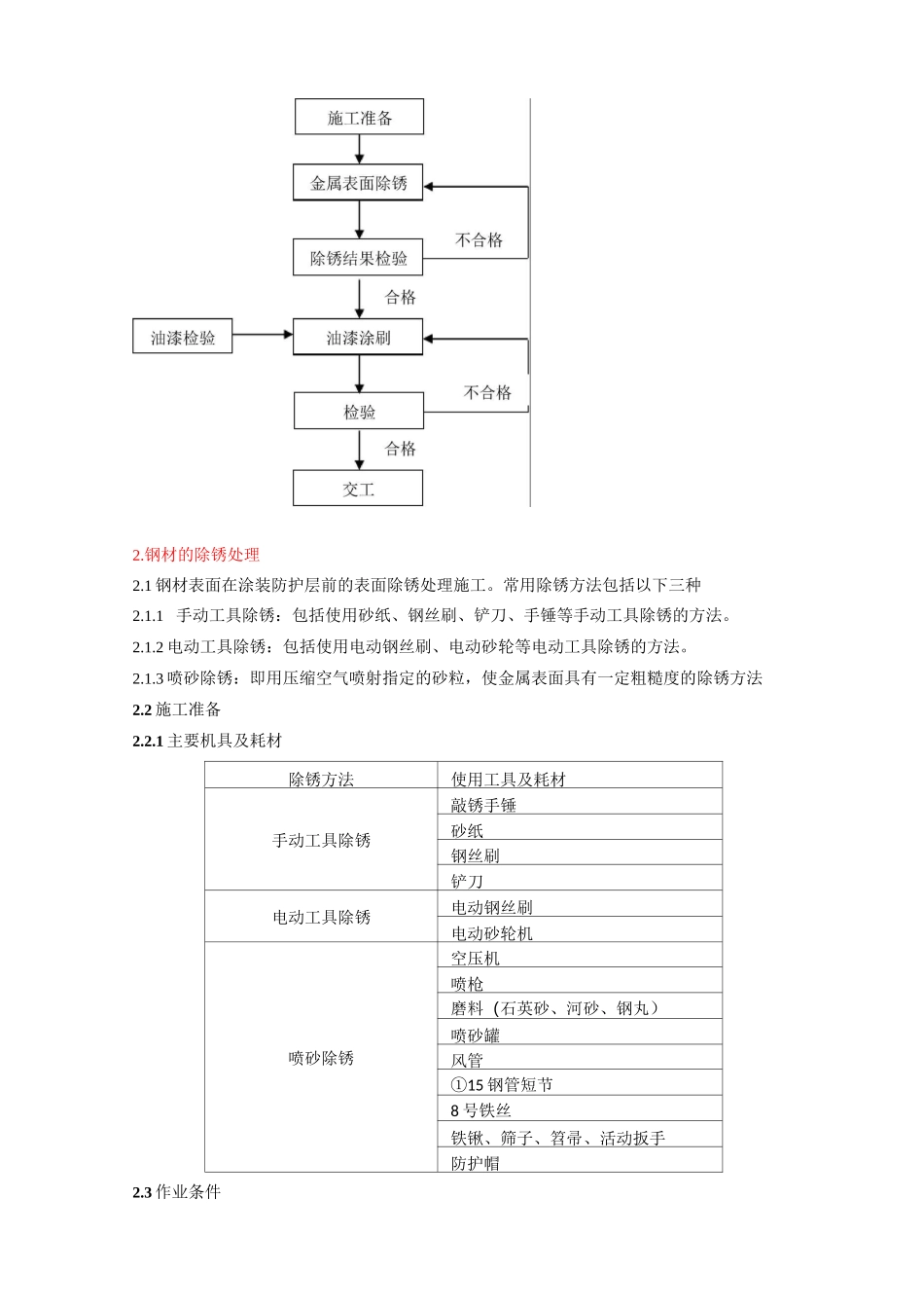
工业设备及管道防腐蚀工程施工规GB50726-2011)工业设备及管道防腐蚀工程施工质量验收规GB50727-2011)石油化工设备和管道涂料防腐蚀设计规SH/T3022-2011)GB/T8923.3-2009)涂料防腐蚀作业指导书一、编制目的为规范公司涂料防腐蚀作业,保证涂料防腐蚀施工质量,加强现场施工过程管理,特制定本作业指导书。二、适用范围本作业指导书适用于公司承揽范围内石油化工钢制设备、管道及附属钢结构的外表面除锈、涂料防腐蚀施工。不包括 500r 以上高温防腐及设备、管道表面色和埋地管道的防腐蚀施工。三、编制依据1、现行国家和行业的相关规范《涂覆涂料前钢材表面处理表面清洁度的目视评定第 1 部分未涂覆过的钢材表面和全面清除原有涂层后的钢材表面的锈蚀等级和处理等级》(GB/T8923.1-2011)《涂覆涂料前钢材表面处理表面清洁度的目视评定第 2 部分已涂覆过的钢材表面局部清除原有涂层后的处理等级》(GB/T8923.2-2008)《涂覆涂料前钢材表面处理表面清洁度的目视评定第 3 部分焊缝、边缘和其他区域的表面缺陷的处理等级》SH/T3606-2011)SHS01034-2004)GB50484-2008)SH/T3503-2007)石油化工涂料防腐蚀工程施工技术规程》设备及管道涂层检修规程》石油化工建设工程施工安全技术规范》石油化工建设工程项目交工技术文件规定》2、公司质保手册、程序文件天津市万全设备安装有限公司质保体系的相关程序四、施工方案与技术交底要求1.施工方案的编制与审批要求涂料防腐作业施工前,要根据法规、相关技术规范和涂料防腐蚀项目的实际情况编制施工技术方案,应做到项目内容充分、任务具体、责任明确、措施有力、预案有效。涂料防腐蚀施工技术方案的内容,包括涂料防腐蚀项目名称、概况,应执行的施工验收技术规范、标准和质量管理程序文件,施工工序、方法、技术措施、关键质量控制点和质量验收指标,人员配备及相关资质要求,施工机具及检验仪器设备的配备要求,施工进度计划、施工平面布置、质量技术措施,工作危险性分析及相应的安全技术措施,突发事件应急预案应按程序进行涂料防腐蚀施工技术方案的审核、批准和会签。如施工发生变更,应按程序进行施工技术方案变更的审核、确认。2.施工技术交底要求接到涂料防腐蚀工作任务后,应与甲方相关人员查看工作现场,接受甲方的现场交底,熟悉图纸并接受相关指令和要求,审核图纸、规范和标准,若发现错误、不相符或遗漏等,在开工之前及时与甲方相关人员联系、沟通。施工方技术人员接受甲方交底完成后,应由项...

1、当您付费下载文档后,您只拥有了使用权限,并不意味着购买了版权,文档只能用于自身使用,不得用于其他商业用途(如 [转卖]进行直接盈利或[编辑后售卖]进行间接盈利)。
2、本站所有内容均由合作方或网友上传,本站不对文档的完整性、权威性及其观点立场正确性做任何保证或承诺!文档内容仅供研究参考,付费前请自行鉴别。
3、如文档内容存在违规,或者侵犯商业秘密、侵犯著作权等,请点击“违规举报”。

碎片内容

涂料防腐作业指导书

确认删除?
VIP
微信客服
  • 扫码咨询
会员Q群
  • 会员专属群点击这里加入QQ群
客服邮箱
回到顶部