电脑桌面
添加小米粒文库到电脑桌面
安装后可以在桌面快捷访问

钢结构工程地脚螺栓的预埋

钢结构工程地脚螺栓的预埋_第1页
1/5
钢结构工程地脚螺栓的预埋_第2页
2/5
钢结构工程地脚螺栓的预埋_第3页
3/5
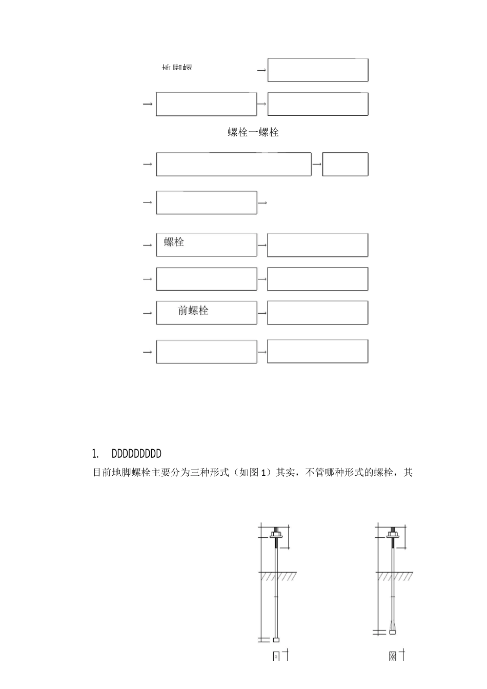
钢结构工程地脚螺栓的预埋周承杰巴特勒(天津)有限公司近年来随着经济建设的高速发展,轻钢结构工程以其工期短,安装简便,可建跨度大,布局灵活,便于扩建的特点越来越广泛地被采用。地脚螺栓作为钢框架与混凝土基础连接并传递应力的载体,其预埋精度成为影响钢结构安装质量的关键环节。因此,地脚螺栓预埋作为建筑业的工项新工艺,正越来越受到建设者的重视。下面结合多个钢构安装日经验将如何准确地埋置地脚螺栓,做一简洁地阐述:―、适用范围:轻钢结构、大跨度结构、设备基础混凝土柱的螺栓预埋及部分钢结构高层超高层。二、特点:1.螺栓预埋法是通过机械连接手段达到传力的效果,操作更为简便,拆除灵活、抗疲劳和自锁性好。用扭矩值进行质量近期制使合格率达到 100%,无需试验检测。2.对作业环境无特殊要求,作业安全。3.采作直埋法施工成本低、工期短,一次浇筑成型承载力高,通过多重控制满足精度要求。三、工艺原理:1. 螺栓由螺杆、螺母、垫圈三部分组成,根据螺栓布置形式,通过螺母自、达到钢结构要求的铰接或刚接效果。而取代以往的铆接或焊接。2. 制作过程中利用锚板将每组中螺栓个体连接成整体,使单根螺栓误差控制在 1.5mm 内。四、设备及材料表1.加工制作工具2M 钢板尺、直角尺、划线笔、切割机、平面数控钻床2.测量器材全站仪或 J2 经纬仪、50M 钢卷尺、拉力计 100N 拉力、温度计、水平仪、塔尺3.施工用设备材料 大六角螺母、弹簧垫片、电焊条、(根据工程图纸定制或选用)、电焊机、铁锲、撬棍4.检测用具3-5mm 定位板、检杳板、L50*5 检杳尺(根据工程图纸定做)5.成品保护用材料 黄油、无纺布、塑料套管五、工艺流程及操作要点:地脚螺螺栓一螺栓1.DDDDDDDDD目前地脚螺栓主要分为三种形式(如图 1)其实,不管哪种形式的螺栓,其定位"/oX11「图 21锚板焊接前先按螺栓直径间距钻孔焊。2.DDDDDDDDDD螺杆然后用定位板固定上口,螺杆与锚板塞锚板图地脚螺栓形式加工控制原理是一样的,即通过螺栓底部锚板将每组螺栓个体连接成整体,制作时控制单根螺栓的垂直度十分重要。(如图 2)定位板厚 3-5mm,孔径较螺栓直径大 1mm-5mm。按施工流水段确定加工数量。检查板厚 1cm 按设计构件孔径开孔,每种形式各制作一块。最后按轴线关系画出定位板及检查板十字线。3. DDDDDDDD螺栓组中心与轴线的定位关系,通过经纬仪、钢尺布设控制网将精度控制在以内。目前轻钢结构制作工程制孔采用数控机床、电子测距、群钻打孔...

1、当您付费下载文档后,您只拥有了使用权限,并不意味着购买了版权,文档只能用于自身使用,不得用于其他商业用途(如 [转卖]进行直接盈利或[编辑后售卖]进行间接盈利)。
2、本站所有内容均由合作方或网友上传,本站不对文档的完整性、权威性及其观点立场正确性做任何保证或承诺!文档内容仅供研究参考,付费前请自行鉴别。
3、如文档内容存在违规,或者侵犯商业秘密、侵犯著作权等,请点击“违规举报”。

碎片内容

钢结构工程地脚螺栓的预埋

确认删除?
VIP
微信客服
  • 扫码咨询
会员Q群
  • 会员专属群点击这里加入QQ群
客服邮箱
回到顶部