电脑桌面
添加小米粒文库到电脑桌面
安装后可以在桌面快捷访问

供应中心相关操作考核标准最新

供应中心相关操作考核标准最新_第1页
1/8
供应中心相关操作考核标准最新_第2页
2/8
供应中心相关操作考核标准最新_第3页
3/8
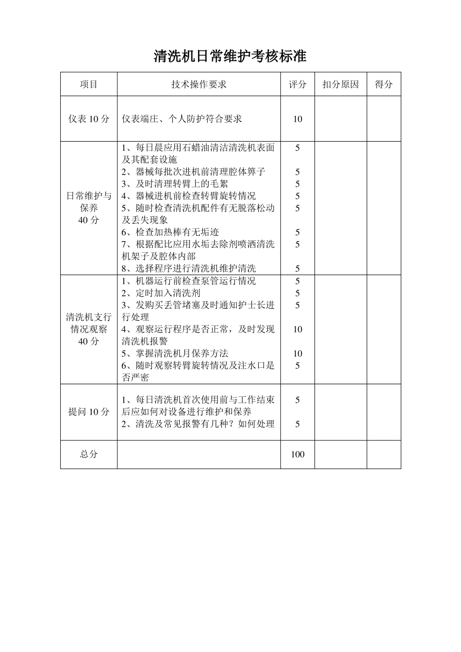
器械检查与包装操作考核标准项目仪表 5 分接取清洗机器械10 分防护及环境要求10 分技术操作要求仪表端庄、着装符合要求1、接取器械方法正确、戴防护手套2、正确判断清洗机支行程序并能熟练排除清洗机报警故障1、接触清洁器械前正确洗手,戴口罩2、准备包装前,器械台应宽敞,清洁,光线充足3、按要求备齐用物(敷料及其他物品)1、按照清洗机每批次器械合理安排包装程序2、认真检查器械清洁度、干燥程度及锋利程度3、根据流程配包,认真核对后进行包装4、做好六项信息记录5、根据器械形状及用途选择密封式或闭合式包装1、及时将清洗架子通过 AGS 推回清洗间2、包装完成后及时将各种用物物归原处3、保持器械台清洁、整齐4、洗手评分2553231010101010121144444221100扣分原因得分操作过程50 分用物处理5 分1、操作节力、步骤清晰、有条不紊、速度适中2、配包准确、器械干燥、无锈迹、无血迹、垢迹,器械保持功能位3、包内敷料、指示卡齐全,器械摆放正确、引评价 20 分流管通畅、锐利器械加保护套4、包装松紧度、严密,包布外观无潮湿、破损,六项信息记录齐全5、棉布包装材料应有使用次数记录1、无菌包装的操作及原则2、包装前准备工作有哪些3、常用包装方式有哪些提问 5 分总分灭菌物品装载与卸载考核标准项目着装要求5 分技术操作要求1、服装衣帽穿戴整齐2、仪表大方,举止端庄3、态度严肃认真评分221433888888888832100扣分原因得分1、洗手、戴口罩、帽子操作前准备2、备齐装载用物10 分3、备齐卸载用物1、根据物品包装材料及材质进行装载2、装载前认真核对 6 项标识3、科室自备包核对科室名称、数量4、装载量合理,在规定范围内5、摆放整齐,不得触及灭菌器腔体内壁1、出锅后物品远离空调2、冷却 30 分钟后再进行卸载3、取出批量监测、查看化学批量是否合格、合格后旅行4、核对无菌物品名称、数量,按照无菌室要求上架5、注意个人防护,避免烫伤1、压力蒸气灭菌器的装载要求2、物品存放架距地面、墙、天花板的要求装载操作40 分卸载操作40 分提问5 分总分清洗机日常维护考核标准项目技术操作要求评分扣分原因得分仪表 10 分仪表端庄、个人防护符合要求1、每日晨应用石蜡油清洁清洗机表面及其配套设施2、器械每批次进机前清理腔体箅子3、及时清理转臂上的毛絮4、器械进机前检查转臂旋转情况5、随时检查清洗机配件有无脱落松动及丢失现象6、检查加热棒有无垢迹7、根据配比应用水垢去除剂喷洒清洗机架子及腔体内部8、选择程...

1、当您付费下载文档后,您只拥有了使用权限,并不意味着购买了版权,文档只能用于自身使用,不得用于其他商业用途(如 [转卖]进行直接盈利或[编辑后售卖]进行间接盈利)。
2、本站所有内容均由合作方或网友上传,本站不对文档的完整性、权威性及其观点立场正确性做任何保证或承诺!文档内容仅供研究参考,付费前请自行鉴别。
3、如文档内容存在违规,或者侵犯商业秘密、侵犯著作权等,请点击“违规举报”。

碎片内容

供应中心相关操作考核标准最新

确认删除?
VIP
微信客服
  • 扫码咨询
会员Q群
  • 会员专属群点击这里加入QQ群
客服邮箱
回到顶部