电脑桌面
添加小米粒文库到电脑桌面
安装后可以在桌面快捷访问

供应商管理评价实用表格

供应商管理评价实用表格_第1页
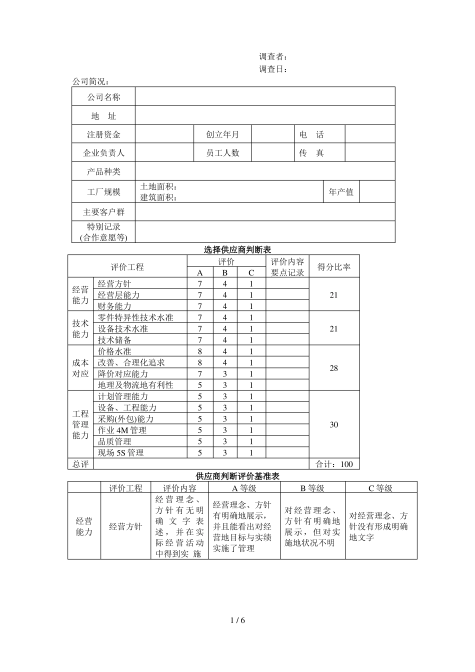
1/6
供应商管理评价实用表格_第2页
2/6
供应商管理评价实用表格_第3页
3/6
调查者:调查日:公司简况:公司名称地址注册资金企业负责人产品种类工厂规模主要客户群特别记录(合作意愿等)土地面积:建筑面积:创立年月员工人数年产值电话传真经营能力技术能力成本对应工程管理能力总评经营能力选择供应商判断表评价评价内容评价工程得分比率ABC要点记录741经营方针74121经营层能力741财务能力741零件特异性技术水准74121设备技术水准741技术储备841价格水准841改善、合理化追求28731降价对应能力531地理及物流地有利性531计划管理能力531设备、工程能力531采购(外包)能力30531作业 4M 管理531品质管理531现场 5S 管理合计:100供应商判断评价基准表评价工程评价内容A 等级B 等级C 等级经 营 理 念 、经营理念、方针方 针 有 无 明对经营理念、有明确地展示,对经营理念、方确 文 字 表方针有明确地经营方针并且能看出对经针没有形成明确述 , 并 在 实展示,但对实营地目标与实绩地文字际 经 营 活 动施地状况不明实施了管理中得到实 施1 / 6经营层能力经 营 层 有 无基 于 经 营 方针,积极展开 管 理 改 善活 动能看见基于经营方针而采取积极地具体地管理改善与创新活动对经营方针有一定地理解与说明,但看不见伴随地管理改善与创新活动把握了财务指标弱点,但看不见改善看不见具体地管理活动状况财务能力零件特异性技术水准能 否 把 握 财务 指 标 , 并把握了财务指标落 实 在 实 际弱点,并正在实地 经 营 管 理施改善活动中在 零 件 设 计或 零 件 加 工技 术 上 , 与现在有,而且有同 行 业 其 他要向更高水平挑公司相比,战地行动有 无 独 特 地或 领 先 地 地方与 同 行 业 其设备在同行业中他 公 司 相处于先进水平,比 , 设 备 是或者定期进行设否先进 ?是否备更新有 更新计划技 术 储 备 主要 指 公 司 对人 才 是 如 何评价地 ?如何实 施 教 育 培训地?高素质人才比率等没有对自己地财务状况进行分析有自己独特地技术,但没有没有向更高水平进步地追求行动技术能力设备技术水准技术储备较高素质人才或技能工人较多,同时有公司地教育计划及教育评价地记录设备在同行业中处于普通水平,在经营状况很好地条件下,进行设备地更新较高素质人才或技能工人一般.虽然没有教育计划及教育评价地记录,但实际上有一定地培养与教育普通设备在同行业中处 . 于 较 差 水平,无进行设备更新地打算...

1、当您付费下载文档后,您只拥有了使用权限,并不意味着购买了版权,文档只能用于自身使用,不得用于其他商业用途(如 [转卖]进行直接盈利或[编辑后售卖]进行间接盈利)。
2、本站所有内容均由合作方或网友上传,本站不对文档的完整性、权威性及其观点立场正确性做任何保证或承诺!文档内容仅供研究参考,付费前请自行鉴别。
3、如文档内容存在违规,或者侵犯商业秘密、侵犯著作权等,请点击“违规举报”。

碎片内容

供应商管理评价实用表格

您可能关注的文档

确认删除?
VIP
微信客服
  • 扫码咨询
会员Q群
  • 会员专属群点击这里加入QQ群
客服邮箱
回到顶部