电脑桌面
添加小米粒文库到电脑桌面
安装后可以在桌面快捷访问

煤层气井压裂作业现场验收

煤层气井压裂作业现场验收_第1页
1/7
煤层气井压裂作业现场验收_第2页
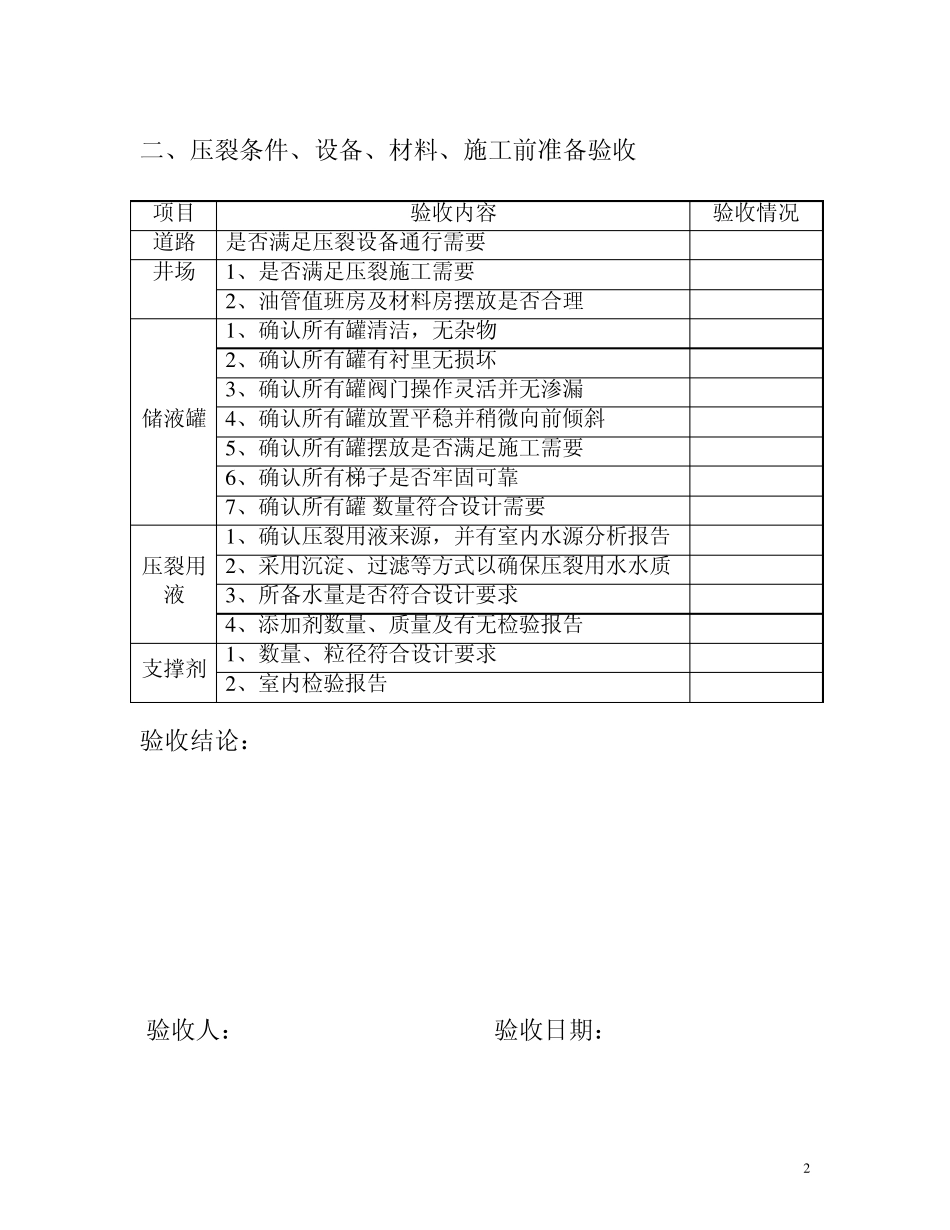
2/7
煤层气井压裂作业现场验收_第3页
3/7
中联煤层气有限责任公司 煤层气井压裂作业工程 现场验收书 盆地(煤田) 区 块 井 号 承包单位 施工单位 1 一、概况 井号: 井别: 地理位置: 构造位置: 井型: 完井日期: 完井方式: 完井层位: 人工井底: 压裂方式: 钻遇目标煤层情况 煤层 井段 厚度 射孔情况 层位 井段 厚度 目的层: 作业目的: 其它情况: 2 二、压裂条件、设备、材料、施工前准备验收 项目 验收内容 验收情况 道路 是否满足压裂设备通行需要 井场 1 、是否满足压裂施工需要 2 、油管值班房及材料房摆放是否合理 储液罐 1 、确认所有罐清洁,无杂物 2 、确认所有罐有衬里无损坏 3 、确认所有罐阀门操作灵活并无渗漏 4 、确认所有罐放置平稳并稍微向前倾斜 5 、确认所有罐摆放是否满足施工需要 6 、确认所有梯子是否牢固可靠 7 、确认所有罐 数量符合设计需要 压裂用液 1 、确认压裂用液来源,并有室内水源分析报告 2 、采用沉淀、过滤等方式以确保压裂用水水质 3 、所备水量是否符合设计要求 4 、添加剂数量、质量及有无检验报告 支撑剂 1 、数量、粒径符合设计要求 2 、室内检验报告 验收结论: 验收人: 验收日期: 3 三、压裂施工现场验收 项目 检查内容 检查情况 压裂液 1 、确认所有化学添加剂数量并有检验报告 2 、确认压裂液配制是否符合操作程序 3 、确认压裂液浓度数量是否符合设计要求 压裂井口 1 、符合设计要求的抗压强度类型 2 、各部件装齐上紧,试压合格 3 、四角是否用钢丝绳绷紧并用地锚固定 4 、每一个阀门灵活好用 低压管线 1 、连接合理,满足设计要求的排量需要 2 、确认试压是否牢固可靠 3 、有足够的备品 高压管汇 1 、管线弯头连接牢固可靠合理 2 、接好反洗井管线 3 、试压合格 4 、有足够的备品 压裂设备 1 、满足设计要求排量泵压需要 2 、摆放合理,满足压裂施工需要 3 、施工前对压裂设备系统全面检查 支撑剂 再次确认数量及粒径等指标是否符合设计要求 井筒准备 1 、 目前人工井底 2 、 井内压井液类型、是否灌满 3 、 压裂管柱结构 验收结论: 验收人: 验收日期: 4 四、压裂施工质量现场验收 项目 检查内容 检查情况 施工参数 1 、排量是否达到设计要求 2 、加砂量是否达到设计要求 3 、砂比是否达到设计要求 安全及环保 1 、无任何安全及环保事故 2 、井场清洁无污染 ...

1、当您付费下载文档后,您只拥有了使用权限,并不意味着购买了版权,文档只能用于自身使用,不得用于其他商业用途(如 [转卖]进行直接盈利或[编辑后售卖]进行间接盈利)。
2、本站所有内容均由合作方或网友上传,本站不对文档的完整性、权威性及其观点立场正确性做任何保证或承诺!文档内容仅供研究参考,付费前请自行鉴别。
3、如文档内容存在违规,或者侵犯商业秘密、侵犯著作权等,请点击“违规举报”。

碎片内容

煤层气井压裂作业现场验收

小辰6+ 关注
实名认证
内容提供者

出售各种资料和文档

确认删除?
VIP
微信客服
  • 扫码咨询
会员Q群
  • 会员专属群点击这里加入QQ群
客服邮箱
回到顶部