电脑桌面
添加小米粒文库到电脑桌面
安装后可以在桌面快捷访问

煤矿禁止和使用淘汰设备一览表(全三批)VIP专享

煤矿禁止和使用淘汰设备一览表(全三批)_第1页
1/9
煤矿禁止和使用淘汰设备一览表(全三批)_第2页
2/9
煤矿禁止和使用淘汰设备一览表(全三批)_第3页
3/9
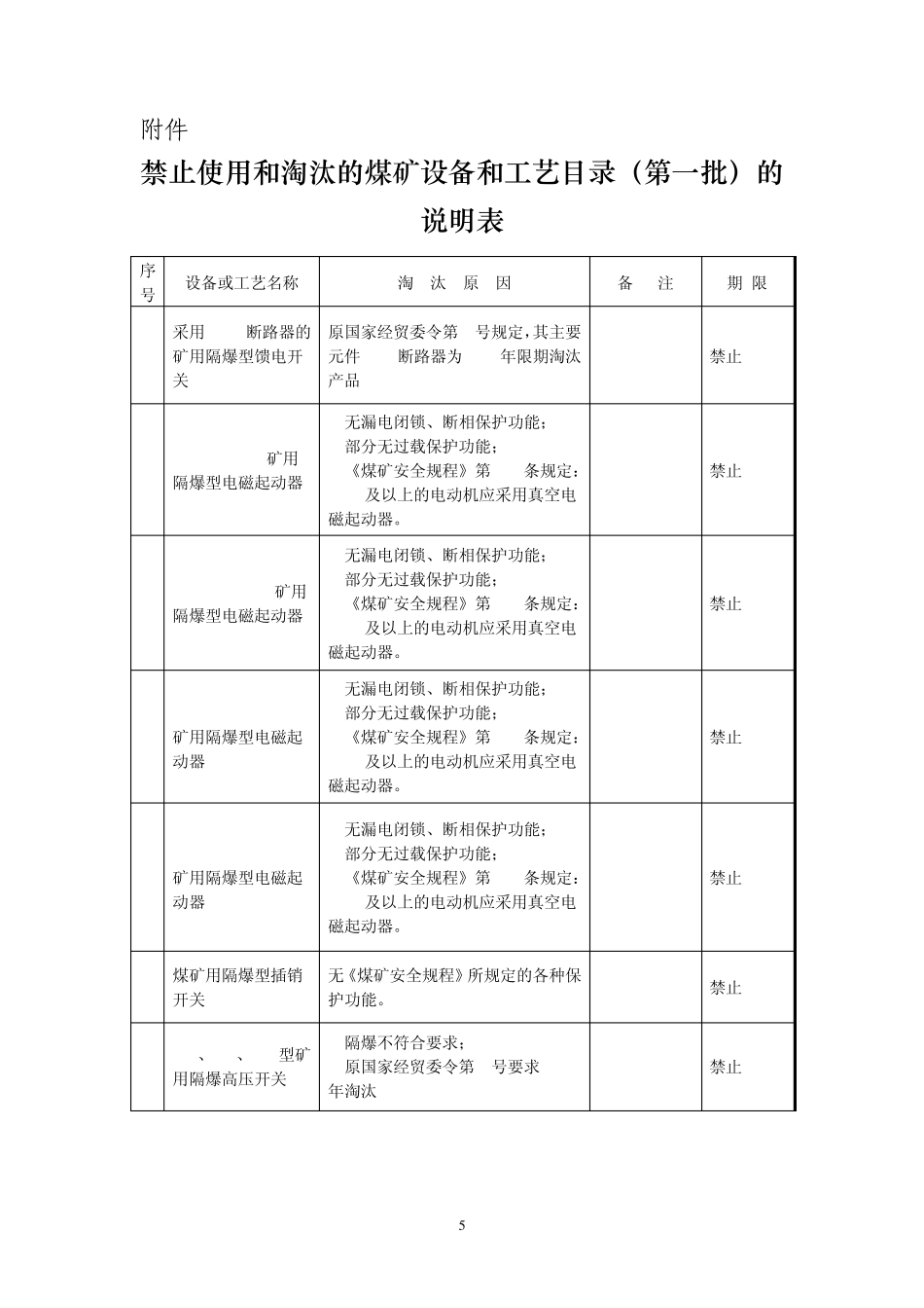
5 附件2 禁止使用和淘汰的煤矿设备和工艺目录(第一批)的说明表 序号 设备或工艺名称 淘 汰 原 因 备 注 期 限 1 采用DW10断路器的矿用隔爆型馈电开关 原国家经贸委令第6号规定,其主要元件DW10断路器为2000年限期淘汰产品 禁止 2 QC83-80/660矿用隔爆型电磁起动器 1.无漏电闭锁、断相保护功能; 2.部分无过载保护功能; 3.《煤矿安全规程》第454条规定:40KW及以上的电动机应采用真空电磁起动器。 禁止 3 QC83-80/660N矿用隔爆型电磁起动器 1.无漏电闭锁、断相保护功能; 2.部分无过载保护功能; 3.《煤矿安全规程》第454条规定:40KW及以上的电动机应采用真空电磁起动器。 禁止 4 QC83-120/660(380)矿用隔爆型电磁起动器 1.无漏电闭锁、断相保护功能; 2.部分无过载保护功能; 3.《煤矿安全规程》第454条规定:40KW及以上的电动机应采用真空电磁起动器。 禁止 5 QC83-225/660(380)矿用隔爆型电磁起动器 1.无漏电闭锁、断相保护功能; 2.部分无过载保护功能; 3.《煤矿安全规程》第454条规定:40KW及以上的电动机应采用真空电磁起动器。 禁止 6 煤矿用隔爆型插销开关 无《煤矿安全规程》所规定的各种保护功能。 禁止 7 PB2、PB3、PB4型矿用隔爆高压开关 1.隔爆不符合要求; 2.原国家经贸委令第6号要求 2000年淘汰 禁止 6 8 油浸式低压电气设备 1.安全性差,事故频发,维护困难; 2.《煤矿安全规程》第454条规定硐室外禁止使用 硐室外:禁止; 硐室内:2006年底起禁止 9 BJO2系列隔爆型三相异步电动机 、BJ3系列隔爆型三相异步电动机 1.防爆结构不符合现行标准; 2.原国家经贸委、机械工业部于1983年11月 15日以(83)机技联字 610号文件对社会公布、淘汰BJO2、BJ3系列隔爆型三相异步电动机。 禁止 10 KJ1600/1220单筒缠绕式矿井提升机 1.薄壁厚支型,轮辐厚,卷筒壁薄易开裂,大块闸制动,不利于调整; 2.原国家经贸委令第32号已限期2002年淘汰。 禁止 11 非防爆运输机车 《煤矿安全规程》第347条规定禁止使用。 限煤(岩)与瓦斯突出矿井和瓦斯喷出区域 禁止 12 钢丝绳牵引的耙装机 《煤矿安全规程》第75条规定禁止使用。 限高瓦斯区域、煤与瓦斯突出危险区域煤巷掘进工作面 禁止 13 ZYZ、ZY3型液压支架 1.我国液压支架最初产品,20世纪70年代设计,强度低、可靠性差、设计不尽合理; 2.正规生产厂家已 25年以上不生产; 3.从未发放安全标志; 4.原国...

1、当您付费下载文档后,您只拥有了使用权限,并不意味着购买了版权,文档只能用于自身使用,不得用于其他商业用途(如 [转卖]进行直接盈利或[编辑后售卖]进行间接盈利)。
2、本站所有内容均由合作方或网友上传,本站不对文档的完整性、权威性及其观点立场正确性做任何保证或承诺!文档内容仅供研究参考,付费前请自行鉴别。
3、如文档内容存在违规,或者侵犯商业秘密、侵犯著作权等,请点击“违规举报”。

碎片内容

煤矿禁止和使用淘汰设备一览表(全三批)

确认删除?
VIP
微信客服
  • 扫码咨询
会员Q群
  • 会员专属群点击这里加入QQ群
客服邮箱
回到顶部