电脑桌面
添加小米粒文库到电脑桌面
安装后可以在桌面快捷访问

煤矿通风各种牌板

煤矿通风各种牌板_第1页
1/14
煤矿通风各种牌板_第2页
2/14
煤矿通风各种牌板_第3页
3/14
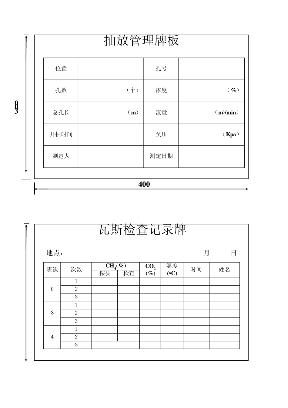
测风牌板 测风地点 巷道断面 m2 瓦斯浓度 % 风 速 m/s 二氧化碳 % 风 量 m3/min 温 度 oc 测定人 测定日期 400 瓦斯检查记录牌 检查地点: 月 日 项目 零点班 八点班 四点班 CH4(%) CO2(%) 温度(OC) 检查时间 检查员姓名 400 300 300 抽放管理牌板 位置 孔号 孔数 (个) 浓度 (%) 总孔长 (m) 流量 (m3/min) 开抽时间 负压 (Kpa) 测定人 测定日期 400 瓦斯检查记录牌 地点: 月 日 班次 次数 CH4(%) CO2 (%) 温度 (oC) 时间 姓名 探头 检查 0 1 2 3 8 1 2 3 4 1 2 3 300 500 局部通风机管理牌板 安 装 地 点 局 扇 型 号 风筒规格(mm) 风筒长度(m) 安 装 时 间 每班运行检查 (签字) 吸入风量(m3/min) 倒台试验 试验情况 排出风量(m3/min) 试验人员 (签字) 局扇管理人 检查时间 500 隔爆设施管理牌板 安 装 地 点 巷道断面(m2) 水袋规格(L/个) 水量标准(L/m2) 水袋数量(个) 需要水量(L) 实际水量(L) 管 理 负 责人 安设时间 400 400 400 局 部 防 突 管 理 牌 板 地 点: 时 间: 月 日 点班 措施名称 排放钻孔 孔 数 : 个 效果检验 参数 检验位置: m 孔深: m 孔 数: 个 措施位置: m 检验孔深: m 超前距: m 措施超前距: m 边掘边抽孔 孔 数 : 个 允许进尺: m 孔 深: m 停掘位置: m 措施位置 m 参 数 临界值 实测值 超 前 距 : m Δh2max ≥ 200 Pa Pa 检验人员 Smax ≥ 5.4 L/m L/m R 值 ≥ 6 600 300 500 放 炮 管 理 牌 版 放炮地点: 月 日 点班 班 长 放炮员 机电工 放炮员 瓦斯检查员 负责 放炮警戒 工作 负责 关闭反向 风门 负责 停电 工作 负责放炮时间填写 ———— 负责人员进入时间填写 ————— (签字) (签字) (签字) (签字) (签字) 钻孔管理牌 孔 号 方 位 倾角(度) 孔深(m) 施工负责人 封孔负责人 验收人 连抽时间 管 理 人 区域防突管理牌版 地点 区 域 验 证 验证方法 区域防突措施措施名称 孔 数 个 孔 数 个 孔 深 m 孔 深 m 验证位置 m 区域措施效果孔 数 个 停采位置 m 孔 深 m 参数 临界值 实测值 局 部 防 突 管 理 牌 板 地 点: 时...

1、当您付费下载文档后,您只拥有了使用权限,并不意味着购买了版权,文档只能用于自身使用,不得用于其他商业用途(如 [转卖]进行直接盈利或[编辑后售卖]进行间接盈利)。
2、本站所有内容均由合作方或网友上传,本站不对文档的完整性、权威性及其观点立场正确性做任何保证或承诺!文档内容仅供研究参考,付费前请自行鉴别。
3、如文档内容存在违规,或者侵犯商业秘密、侵犯著作权等,请点击“违规举报”。

碎片内容

煤矿通风各种牌板

您可能关注的文档

确认删除?
VIP
微信客服
  • 扫码咨询
会员Q群
  • 会员专属群点击这里加入QQ群
客服邮箱
回到顶部