电脑桌面
添加小米粒文库到电脑桌面
安装后可以在桌面快捷访问

煤矿重大隐患安全检查表

煤矿重大隐患安全检查表_第1页
1/40
煤矿重大隐患安全检查表_第2页
2/40
煤矿重大隐患安全检查表_第3页
3/40
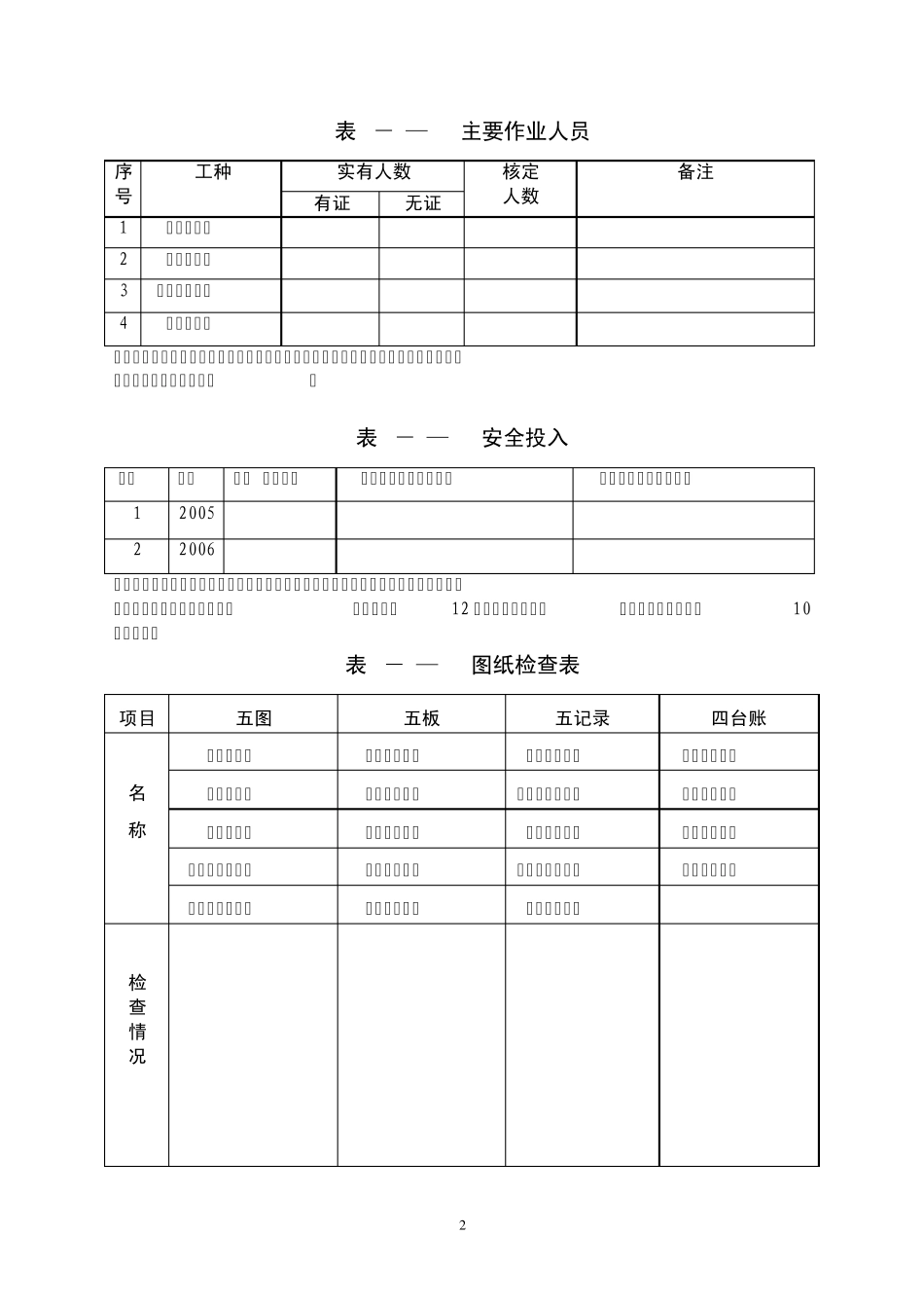
1 附录C 以瓦斯为重点的重大危险源专项安全评估检查表 1 防治瓦斯单元 1.1安全管理系统 表1-1 —1 管理机构设置 序号 管理机构 负责人 人员组成/救护协议 备注 1 “一通三防”领导小组 2 通风区队 3 防治瓦斯区队 4 矿山救护 表1-1 —2 管理制度 序号 名称 有、无 制度制订情况 1 “一通三防”办公会议制度 2 矿井CH4、 CO2及其它有害气体检查制度 3 测风制度 4 测尘制度 5 井下火区管理制度 6 井下盲巷管理制度 表1-1—3 主要安全技术措施 序号 名称 有、无 措施制订情况 1 主扇停运转 2 反风演习 3 启封密闭、排放瓦斯 4 巷道贯通、维修 5 “四位一体”防突 6 防尘、防火 7 井下避灾路线标志 8 年度灾害预防和处理计划 2 表1-1—4 主要作业人员 序号 工种 实有人数 核定 人数 备注 有证 无证 1 瓦斯检查员 2 瓦斯监控工 3 测风、测尘工 4 抽放泵司机 注:评估人员收集瓦检员、瓦斯监控工的安全操作资格证复印件备案;备注栏标明矿井作业方式(每日班次)。 表1-1—5 安全投入 序号 年度 产量 (万吨) 计划专用资金(万元) 实际完成情况(万元) 1 2005 2 2006 注:专用资金的投入和完成情况以财务报表为依据。省属国有煤矿和全省高瓦斯、煤与瓦斯突出的市县国有煤矿,全部按吨煤12 元提取安全费用,其它煤矿不少于吨煤10元的标准。 表1-1—6 图纸检查表 项目 五图 五板 五记录 四台账 名 称 通风系统图 局部通风管理 调度值班记录 瓦斯调度台账 防尘系统图 防尘设施管理 通风区值班记录 防火密闭管理 防火系统图 通风设施管理 通风设施检查 煤层注水台账 安全监控系统图 通风仪器仪表 防灭火检查记录 瓦斯抽放台账 瓦斯抽放系统图 安全监测管理 测风检查记录 检 查 情 况 3 表1-1—7 重大危险源管理情况检查表 序号 重大 危险源 登记建档情况 申报情况 是否进行了安全评估,查评估报告、记录主要结论 监控措施、应急预案制订情况 1 高瓦斯矿井 2 煤与瓦斯突出矿井 3 有煤尘爆炸危险的矿井 4 煤层自然发火期≤6 个月的矿井 表1-1—8年度灾害预防和处理计划、井下避灾路线标志检查表 年度灾害预防处理计划 有无本方面的措施计划 是否符合本矿实际 是否及时修改 落实情况 是否规定了避灾路线 井下标志是否正确清晰 水 火 瓦斯 矿尘 顶板 1.2通风系统 1.2.1主要通...

1、当您付费下载文档后,您只拥有了使用权限,并不意味着购买了版权,文档只能用于自身使用,不得用于其他商业用途(如 [转卖]进行直接盈利或[编辑后售卖]进行间接盈利)。
2、本站所有内容均由合作方或网友上传,本站不对文档的完整性、权威性及其观点立场正确性做任何保证或承诺!文档内容仅供研究参考,付费前请自行鉴别。
3、如文档内容存在违规,或者侵犯商业秘密、侵犯著作权等,请点击“违规举报”。

碎片内容

煤矿重大隐患安全检查表

您可能关注的文档

确认删除?
VIP
微信客服
  • 扫码咨询
会员Q群
  • 会员专属群点击这里加入QQ群
客服邮箱
回到顶部