电脑桌面
添加小米粒文库到电脑桌面
安装后可以在桌面快捷访问

物业公司三级品质考核体系

物业公司三级品质考核体系_第1页
1/6
物业公司三级品质考核体系_第2页
2/6
物业公司三级品质考核体系_第3页
3/6
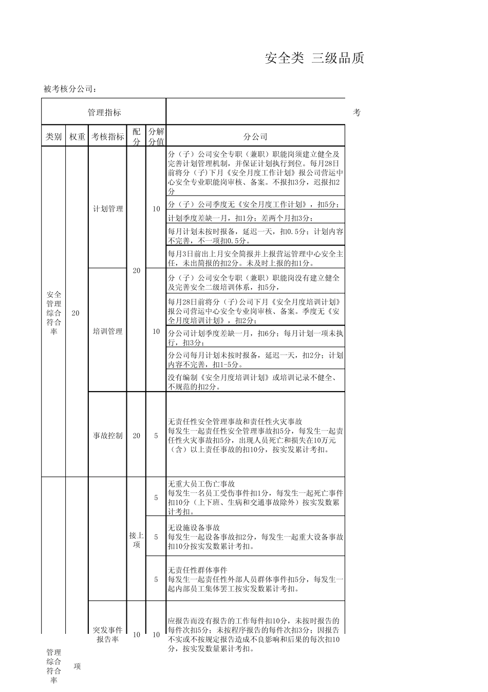
被考核分公司: 类别权重考核指标配分分解分值分公司分(子)公司安全专职(兼职)职能岗须建立健全及完善计划管理机制,并保证计划执行到位。每月28日前将分(子)下月《安全月度工作计划》报公司营运中心安全专业职能岗审核、备案。不报扣3分,迟报扣2分分(子)公司季度无《安全月度工作计划》,扣5分;计划季度差缺一月,扣1分;差两个月扣3分;每月计划未按时报备,延迟一天,扣0.5分;计划内容不完善,不一项扣0.5分。每月3日前出上月安全简报并上报营运管理中心安全主任,未出简报的扣2分。未及时上报的扣1分。分(子)公司安全专职(兼职)职能岗没有建立健全及完善安全二级培训体系,扣5分,每月28日前将分(子)公司下月《安全月度培训计划》报公司营运中心安全专业岗审核、备案。季度无《安全月度培训计划》,扣2分;分公司计划季度差缺一月,扣6分;每月计划一项未执行,扣3分;分公司每月计划未按时报备,延迟一天,扣2分;计划内容不完善,扣1-5分。没有编制《安全月度培训计划》或培训记录不健全、不规范的扣2分。10应报告而没有报告的工作每件扣10分,未按时报告的每件次扣5分;未按程序报告的每件次扣3分;因报告不实或不按规定报告造成不良影响和后果的每次扣10分,按实发数量累计考扣。5无重大员工伤亡事故每发生一名员工受伤事件扣1分,每发生一起死亡事件扣10分(上下班、生病和交通事故除外)按实发数累计考扣。突发事件报告率105无设施设备事故每发生一起设备事故扣2分,每发生一起重大设备事故扣10分按实发数累计考扣。5无责任性群体事件每发生一起责任性外部人员群体事件扣5分,每发生一起内部员工集体罢工按实发数累计考扣。管理综合符 合率项接 上项培训管理10事故控 制205无责任性安全管理事故和责任性火 灾 事故每发生一起责任性安全管理事故扣5分,每发生一起责任性火 灾 事故扣5分,出现 人员死亡和损 失 在 10万 元(含 )以 上责任事故的扣10分,按实发累计考扣。 安全类 三 级品 质管理指标考安全管理综合符 合率20%计划管理2010分(子)公司安全专职(兼职)职能岗须建立健全(内、外)客户二级投诉处理机制,接到(内、外)客户有关安全投诉时须及时跟踪处理,未跟踪处理的扣5分分公司职能岗调查分析后撰写出涵盖事件基本情况、原因、处理意见、整改措施及类似投诉再次发生的预防方法的综合分析报告,分析报告及时上报公司安全专业职能岗位,类似投诉再次发生的预防方法须及时培训到位,投...

1、当您付费下载文档后,您只拥有了使用权限,并不意味着购买了版权,文档只能用于自身使用,不得用于其他商业用途(如 [转卖]进行直接盈利或[编辑后售卖]进行间接盈利)。
2、本站所有内容均由合作方或网友上传,本站不对文档的完整性、权威性及其观点立场正确性做任何保证或承诺!文档内容仅供研究参考,付费前请自行鉴别。
3、如文档内容存在违规,或者侵犯商业秘密、侵犯著作权等,请点击“违规举报”。

碎片内容

物业公司三级品质考核体系

小辰9+ 关注
实名认证
内容提供者

出售各种资料和文档

确认删除?
VIP
微信客服
  • 扫码咨询
会员Q群
  • 会员专属群点击这里加入QQ群
客服邮箱
回到顶部