电脑桌面
添加小米粒文库到电脑桌面
安装后可以在桌面快捷访问

特种设备(电梯等)制造许可目录VIP专享

特种设备(电梯等)制造许可目录_第1页
1/6
特种设备(电梯等)制造许可目录_第2页
2/6
特种设备(电梯等)制造许可目录_第3页
3/6
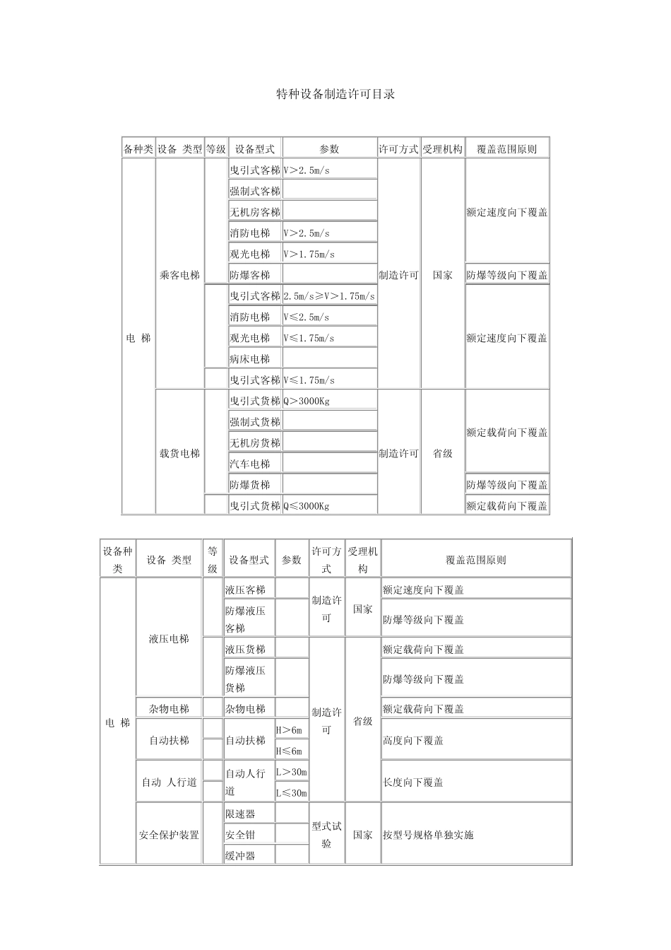
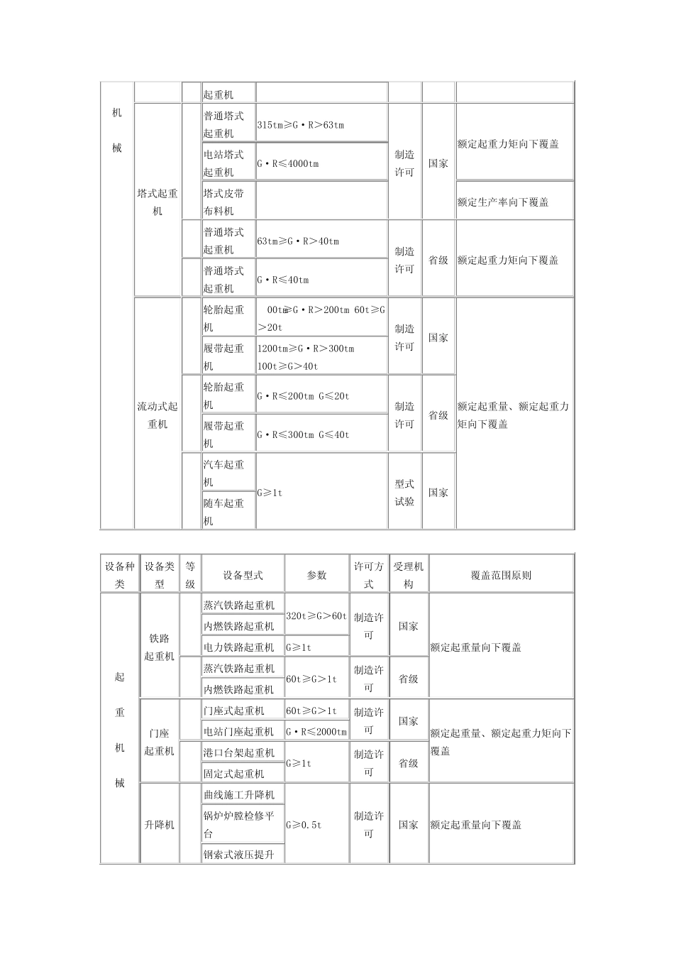
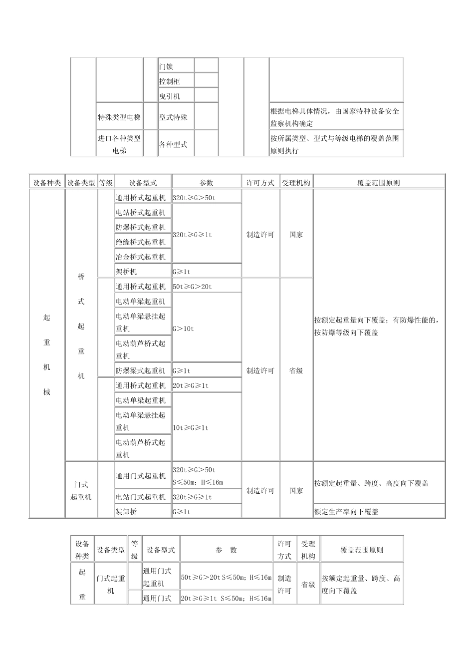
特种设备制造许可目录 备种类 设备 类型 等级 设备型式 参数 许可方式 受理机构 覆盖范围原则 电 梯 乘客电梯 A 曳引式客梯 V>2.5m/s 制造许可 国家 额定速度向下覆盖 强制式客梯 无机房客梯 消防电梯 V>2.5m/s 观光电梯 V>1.75m/s 防爆客梯 防爆等级向下覆盖 B 曳引式客梯 2.5m/s≥V>1.75m/s 额定速度向下覆盖 消防电梯 V≤2.5m/s 观光电梯 V≤1.75m/s 病床电梯 C 曳引式客梯 V≤1.75m/s 载货电梯 B 曳引式货梯 Q>3000Kg 制造许可 省级 额定载荷向下覆盖 强制式货梯 无机房货梯 汽车电梯 防爆货梯 防爆等级向下覆盖 C 曳引式货梯 Q≤3000Kg 额定载荷向下覆盖 设备种类 设备 类型 等级 设备型式 参数 许可方式 受理机构 覆盖范围原则 电 梯 液压电梯 B 液压客梯 制造许可 国家 额定速度向下覆盖 防爆液压客梯 防爆等级向下覆盖 C 液压货梯 制造许可 省级 额定载荷向下覆盖 防爆液压货梯 防爆等级向下覆盖 杂物电梯 C 杂物电梯 额定载荷向下覆盖 自动扶梯 B 自动扶梯 H>6m 高度向下覆盖 C H≤6m 自动 人行道 B 自动人行道 L>30m 长度向下覆盖 C L≤30m 安全保护装置 限速器 型式试验 国家 按型号规格单独实施 安全钳 缓冲器 门锁 控制柜 曳引机 特殊类型电梯 型式特殊 根据电梯具体情况,由国家特种设备安全监察机构确定 进口各种类型电梯 各种型式 按所属类型、型式与等级电梯的覆盖范围原则执行 设备种类 设备类型 等级 设备型式 参数 许可方式 受理机构 覆盖范围原则 起 重 机 械 桥 式 起 重 机 A 通用桥式起重机 320t≥G>50t 制造许可 国家 按额定起重量向下覆盖;有防爆性能的,按防爆等级向下覆盖 电站桥式起重机 320t≥G≥1t 防爆桥式起重机 绝缘桥式起重机 冶金桥式起重机 架桥机 G≥1t B 通用桥式起重机 50t≥G>20t 制造许可 省级 电动单梁起重机 G>10t 电动单梁悬挂起重机 电动葫芦桥式起重机 防爆梁式起重机 G≥1t C 通用桥式起重机 20t≥G≥1t 电动单梁起重机 10t≥G≥1t 电动单梁悬挂起重机 电动葫芦桥式起重机 门式 起重机 A 通用门式起重机 320t≥G>50t S≤50m;H≤16m 制造许可 国家 按额定起重量、跨度、高度向下覆盖 电站门式起重机 320t≥G≥1t 装卸桥 G≥1t 额定生产率向下覆盖 设备种类 设备类型 等级 设备型式 参 数...

1、当您付费下载文档后,您只拥有了使用权限,并不意味着购买了版权,文档只能用于自身使用,不得用于其他商业用途(如 [转卖]进行直接盈利或[编辑后售卖]进行间接盈利)。
2、本站所有内容均由合作方或网友上传,本站不对文档的完整性、权威性及其观点立场正确性做任何保证或承诺!文档内容仅供研究参考,付费前请自行鉴别。
3、如文档内容存在违规,或者侵犯商业秘密、侵犯著作权等,请点击“违规举报”。

碎片内容

特种设备(电梯等)制造许可目录

确认删除?
VIP
微信客服
  • 扫码咨询
会员Q群
  • 会员专属群点击这里加入QQ群
客服邮箱
回到顶部