电脑桌面
添加小米粒文库到电脑桌面
安装后可以在桌面快捷访问

环境保洁服务标准

环境保洁服务标准_第1页
1/10
环境保洁服务标准_第2页
2/10
环境保洁服务标准_第3页
3/10
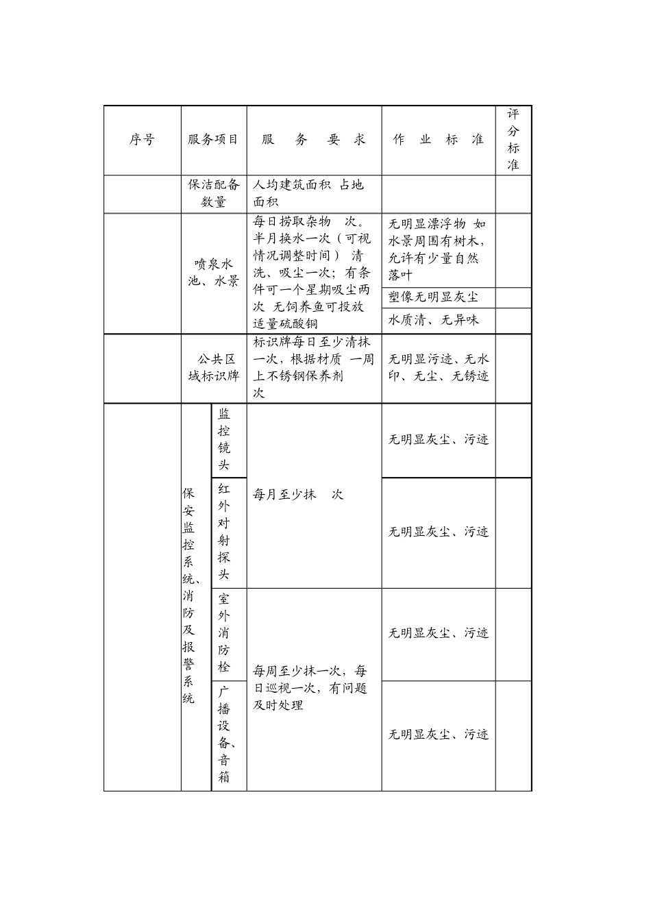
序号 服务项目 服 务 要 求 作 业 标 准 评分 标准 1 保洁配备数量 人均建筑面积+占地面积=6000 2 喷泉水池、水景 每日捞取杂物 2次。半月换水一次(可视情况调整时间),清洗、吸尘一次;有条件可一个星期吸尘两次,无饲养鱼可投放适量硫酸铜 无明显漂浮物,如水景周围有树木,允许有少量自然落叶 1 塑像无明显灰尘 1 水质清、无异味 1 3 公共区域标识牌 标识牌每日至少清抹一次,根据材质,一周上不锈钢保养剂 1-2次 无明显污迹、无水印、无尘、无锈迹 1 4 保安监控系统、消防及报警系统 监控镜头 每月至少抹 1次 无明显灰尘、污迹 0.5 红外对射探头 无明显灰尘、污迹 0.5 室外消防栓 每周至少抹一次,每日巡视一次,有问题及时处理 无明显灰尘、污迹 0.5 广播设备、音箱 无明显灰尘、污迹 0.5 灭火器 无明显灰尘、污迹 0.5 水泵结合器 无明显灰尘、污迹 0.5 烟感、温感探头 无明显灰尘、污迹 0.5 无明显灰尘、污迹 0.5 5 地下停车场 照明灯具 设施在 2m以下至少周抹一次:2m以上至少每月抹一次;地面每月冲洗一次。装修期间或其他特殊情况下可根据实际情况调整频次,以达到标准为准 无明显灰尘、污迹 0.5 标识牌 无明显灰尘、污迹 0.5 排污泵控制箱 无明显灰尘、污迹 0.5 防撞杆 无明显灰尘、污迹 0.5 车位标线 清晰、无明显灰尘、污迹 0.5 地面 无明显灰尘、污迹 1 墙面 无明显灰尘、污迹 1 天花 无明显灰尘、污迹 0.5 排水沟 畅通、无杂物 0.5 闸阀、管道 无明显灰尘、污迹 0.5 控制箱 无明显灰尘、污迹 0.5 车辆进出口棚、架 无明显灰尘、污迹 1 车辆进出口控制系统 无明显灰尘、污迹 0.5 倒车镜 无明显灰尘、污迹 0.5 井盖 雨水井每周至少清理一次,污水管、井每季度至少清理、疏通一次 表面无明显污垢、 0.5 雨水井、污水井 无明显杂物、无堵塞 0.5 管道 管道无堵塞、畅通 1 小区铁栅栏 每周扫尘一次 无明显灰尘、污迹、乱张贴等 0.5 墙体 无明显灰尘、污迹、乱张贴等 0.5 单车棚 每日清扫地面一次、玻璃、栏杆等清抹一次,地面每月至少冲洗一次 地面、墙面无明显灰尘、无杂物、无污迹、无蜘蛛网、灯罩内无死虫 0.5 摩托车棚 无明显灰尘、污迹 0.5 玻璃窗 每日至少清扫、清抹一次 无明显灰尘、无污迹 1 桌面 无杂物、无灰尘、污迹 0.5 亭身 无明显灰尘、无污迹 1 灯具 无明显灰尘、无污迹 0.5...

1、当您付费下载文档后,您只拥有了使用权限,并不意味着购买了版权,文档只能用于自身使用,不得用于其他商业用途(如 [转卖]进行直接盈利或[编辑后售卖]进行间接盈利)。
2、本站所有内容均由合作方或网友上传,本站不对文档的完整性、权威性及其观点立场正确性做任何保证或承诺!文档内容仅供研究参考,付费前请自行鉴别。
3、如文档内容存在违规,或者侵犯商业秘密、侵犯著作权等,请点击“违规举报”。

碎片内容

环境保洁服务标准

确认删除?
VIP
微信客服
  • 扫码咨询
会员Q群
  • 会员专属群点击这里加入QQ群
客服邮箱
回到顶部