电脑桌面
添加小米粒文库到电脑桌面
安装后可以在桌面快捷访问

冷冲压模具课程设计题目

冷冲压模具课程设计题目_第1页
1/19
冷冲压模具课程设计题目_第2页
2/19
冷冲压模具课程设计题目_第3页
3/19
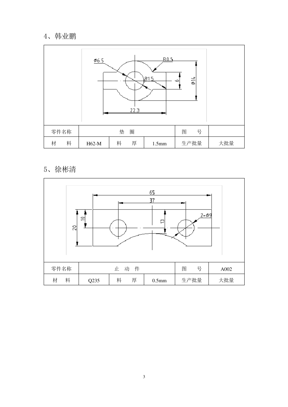
冲压模具课程设计题目设计题目按学号顺序分配。要求:除按设计任务书要求进行设计外,所有零件均要先绘制产品 2D 图。绘图所用标题栏及明细表格式见附表1、洪美蓉零件名称材料Q235垫片 1料厚0.5mm图号生产批量大批量1刘成杰零件名称材料Q235垫片 2料厚0.5mm图号生产批量大批量3、禹科零件名称材料Q235压圈料厚2mm图号生产批量大批量24、韩业鹏零件名称材料H62-M垫圈料厚1.5mm图号生产批量大批量5、徐彬清零件名称材料Q235止动件料厚0.5mm图号生产批量A002大批量36、吕才钦零件名称材料Q235柴 油 机 飞 轮 锁 片料厚1.2mm图号生产批量大批量7、梁华瞬垫片 1 δ =1.2mm材料:08F生产量:35 万件/年8、韦青峰垫片 2 δ =1.5mm材料:08F生产量:30 万4件/年9、彭松 垫片 3 δ=1.2mm材料:08F生产量:年535 万件/ 10、陆时发 衬片 1t=1mm材料:08F生产量:30 万件/年11、候一多 衬片 2 δ=2mm材料:Q235件/年6生产量:30 万12、盘珊珊 衬片 3 δ=1.4mm材料:10 钢生产量:30 万件/年13、林家明714:赵飞15 覃林详、δ =0.8mm材料:10 钢生产量:30 万件/年16 王建禹、δ =1.5mm材料:08F生产量:30 万件/年817 赵勇、调节垫片t=2mm材料:10 钢生产量:30 万件/年18 何天成、19 莫振涛、 20 陈纪光方垫片 1、2 、3材料:10 钢厚度:0.8mm生产量:30 万件/年921 陈韦涛、22 出志佳 轴承盖 1、2t=3mm材料:Q235生产量:8000 件/月23、阎业显 半圆垫片t=2mm材料:08F生产量:35 万件/年1024、龙志明压片t=0.8mm材料:08F生产量:30 万件/年25、符治青 密封垫t=1mm材料:08F生产量:35 万件/年1126、范文斌 垫片t=0.5mm材料:10 钢生产量:30 万件/年27 罗小虎、28 梁巍山垫片 1、2材料:10 钢厚度:2.2mm生产量:20 万件/年1229、黄孟发 30 黄周斌轭铁 1、2材料:冷轧纯铁板厚度:1.2mm生产量:25 万件/年1. 止动件31 杨渊志落料冲孔模设计材料:08 钢料厚:1 mm。32.詹小龙 垫片落料冲孔模设计13材料:08 号钢料厚:1 mm33.邓逸尘 矩形垫片落料冲孔模设计材料:08 号钢料厚:1 mm1434.梁杰青垫片落料冲孔模设计材料:10 号钢料厚:0.5 mm35.任川 垫片落料冲孔复合模设计材料:Q235 钢料厚:2mm1536.杨狄千弹簧座片冲孔落料复合模设计材料:10 号钢料厚:2 mm37——38.连接件腾质姚有定(冲裁模具+弯曲模)材料:10 号钢料厚:2 mm1639.吕松洋 十字垫板落料模具设计:T=1mm 材料为 Q23540 杨勤慧.垫板落料模具设计:T=1mm 材料为 Q2351741.曾安才 衬片落料模设计42.邹晓峰 三角垫片落料冲孔模具设计1843.韦立刚垫板落料冲孔模具设计:T=1mm 材料为 Q23544.杨洋垫板落料冲孔模具设计T=1mm 材料为 4519

1、当您付费下载文档后,您只拥有了使用权限,并不意味着购买了版权,文档只能用于自身使用,不得用于其他商业用途(如 [转卖]进行直接盈利或[编辑后售卖]进行间接盈利)。
2、本站所有内容均由合作方或网友上传,本站不对文档的完整性、权威性及其观点立场正确性做任何保证或承诺!文档内容仅供研究参考,付费前请自行鉴别。
3、如文档内容存在违规,或者侵犯商业秘密、侵犯著作权等,请点击“违规举报”。

碎片内容

冷冲压模具课程设计题目

您可能关注的文档

确认删除?
VIP
微信客服
  • 扫码咨询
会员Q群
  • 会员专属群点击这里加入QQ群
客服邮箱
回到顶部