电脑桌面
添加小米粒文库到电脑桌面
安装后可以在桌面快捷访问

分户验收实测实量表格

分户验收实测实量表格_第1页
1/24
分户验收实测实量表格_第2页
2/24
分户验收实测实量表格_第3页
3/24
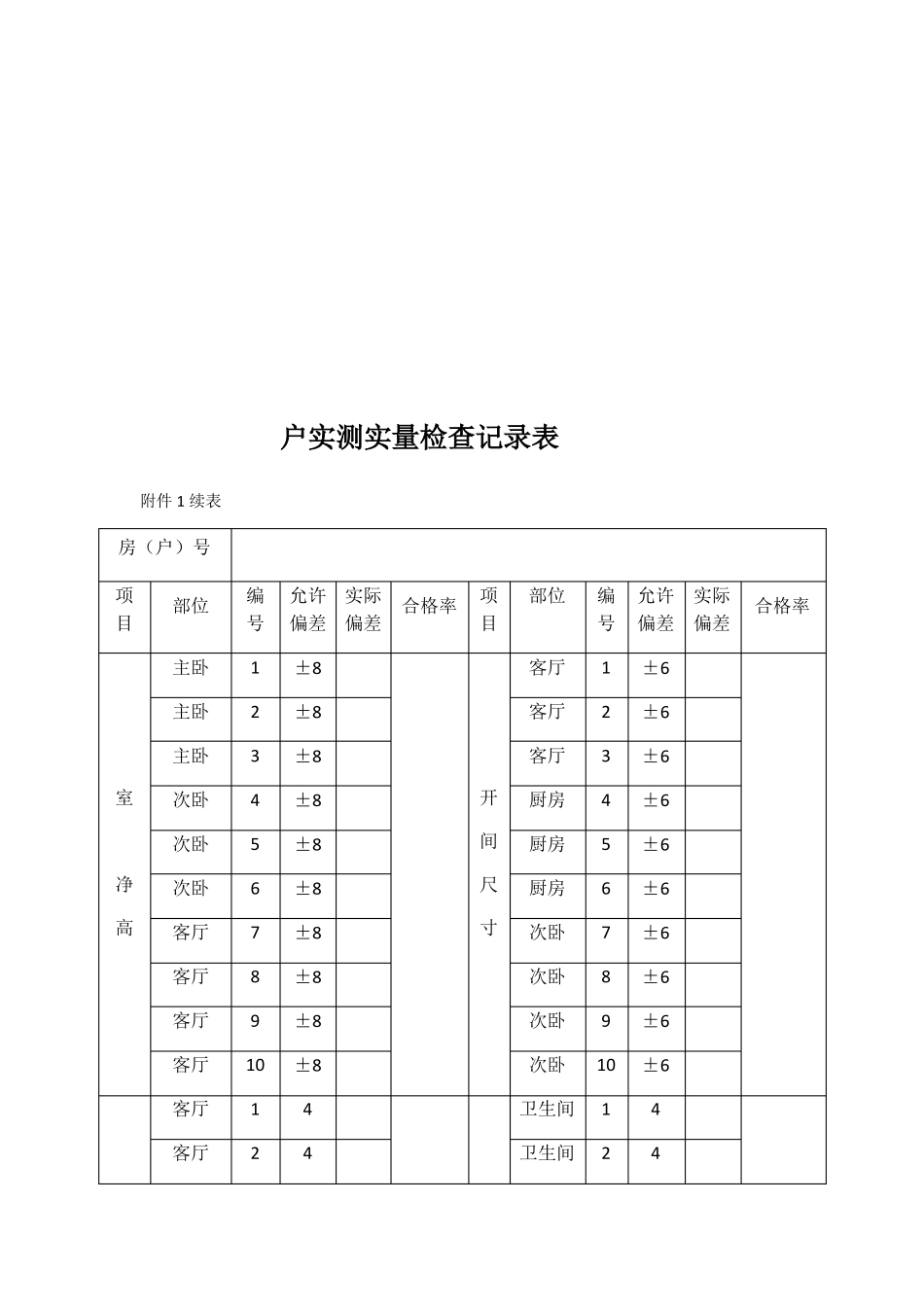
47#楼实测实量户实测实量检查记录表附件 1 续表房(户)号项目室净高部位主卧主卧主卧次卧次卧次卧客厅客厅客厅客厅客厅客厅编号1234567891012允许实际项合格率偏差偏差目±8±8±8±8±8±8±8±8±8±844开间尺寸部位编允许实际号偏差偏差1234567891012±6±6±6±6±6±6±6±6±6±644合格率客厅客厅客厅厨房厨房厨房次卧次卧次卧次卧卫生间卫生间墙体表面平整度客厅主卧主卧主卧次卧次卧次卧次卧34567891012345678910444444444444444444墙体立面垂直度厨房厨房主卧主卧主卧次卧次卧次卧34567891012345678944888888101010101011111阴阳角方正客厅客厅客厅主卧主卧主卧主卧次卧次卧次卧地面表面平整客厅客厅客厅次卧次卧厨房厨房厨房度卫生间卫生间10检查人:平面图:记录人:检查日期:户实测实量检查记录表附件 1 续表房(户)号项目室净高部位主卧主卧主卧次卧次卧次卧客厅客厅客厅客厅墙体表客厅客厅客厅主卧主卧编号1234567891012345允许实际项合格率偏差偏差目±8±8±8±8±8±8±8±8±8±844444墙体立开间尺寸部位编允许实际号偏差偏差1234567891012345±6±6±6±6±6±6±6±6±6±644448合格率客厅客厅客厅厨房厨房厨房次卧次卧次卧次卧卫生间卫生间厨房厨房主卧面平整度主卧次卧次卧次卧次卧67891012345678910444444444444444面垂直度主卧主卧次卧次卧次卧67891012345678988888101010101011111阴阳角方正客厅客厅客厅主卧主卧主卧主卧次卧次卧次卧地面表面平整客厅客厅客厅次卧次卧厨房厨房厨房度卫生间卫生间10检查人:平面图:记录人:检查日期:户实测实量检查记录表附件 1 续表房(户)号项目室净高部位主卧主卧主卧次卧次卧次卧客厅客厅客厅客厅墙体表面平整度客厅客厅客厅主卧主卧主卧次卧次卧次卧次卧客厅客厅编号123456789101234567891012允许实际项合格率偏差偏差目±8±8±8±8±8±8±8±8±8±8444444444444墙体立面垂直度开间尺寸部位编允许实际号偏差偏差123456789101234567891012±6±6±6±6±6±6±6±6±6±644448888881010合格率客厅客厅客厅厨房厨房厨房次卧次卧次卧次卧卫生间卫生间厨房厨房主卧主卧主卧次卧次卧次卧客厅客厅阴阳角方正客厅主卧主卧主卧主卧次卧次卧次卧34567891044444444地面表面平整客厅次卧次卧厨房厨房厨房345678910101011111度卫生间卫生间10检查人:平面图:记录人:检查日期:户实测实量检查记录表附件 1 续表房(户)号项目部位主卧主卧主卧编号123允许实际项合格率偏差偏差...

1、当您付费下载文档后,您只拥有了使用权限,并不意味着购买了版权,文档只能用于自身使用,不得用于其他商业用途(如 [转卖]进行直接盈利或[编辑后售卖]进行间接盈利)。
2、本站所有内容均由合作方或网友上传,本站不对文档的完整性、权威性及其观点立场正确性做任何保证或承诺!文档内容仅供研究参考,付费前请自行鉴别。
3、如文档内容存在违规,或者侵犯商业秘密、侵犯著作权等,请点击“违规举报”。

碎片内容

分户验收实测实量表格

爱的疯狂+ 关注
实名认证
内容提供者

该用户很懒,什么也没介绍

相关文档

确认删除?
VIP
微信客服
  • 扫码咨询
会员Q群
  • 会员专属群点击这里加入QQ群
客服邮箱
回到顶部