电脑桌面
添加小米粒文库到电脑桌面
安装后可以在桌面快捷访问

分户验收表格最新全套

分户验收表格最新全套_第1页
1/10
分户验收表格最新全套_第2页
2/10
分户验收表格最新全套_第3页
3/10
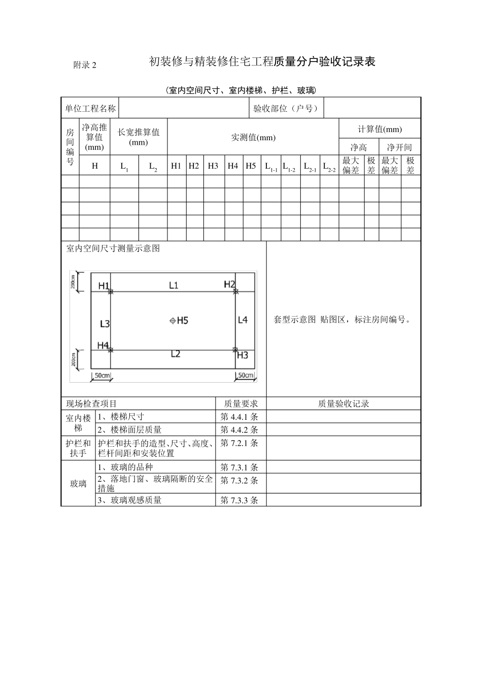
附录 1初装修住宅工程质量分户验收记录表(室内地面、墙面、顶棚抹灰)单位工程名称现场检查项目1、水泥楼地面面层粘结质量质量要求第 4.1.1 条验收部位(户号)质量验收记录普通水泥楼地面2、外观质量第 4.1.2 条1、室内墙面面层粘结质量室内墙面2、室内墙面观感质量第 5.1.1.1 条第 5.1.1.2 条1、室内顶棚粘结质量第 5.2.1.1 条室内顶棚2、顶棚抹灰观感质量第 5.2.1.2 条验收意见建设单位 (项目)负责人:年月日监理单 位总监理工 程师:年月日施工单位建造师:质量检查员:年月日注:房间号按附录 2 中附图标注附录 2初装修与精装修住宅工程质量分户验收记录表(室内空间尺寸、室内楼梯、护栏、玻璃)单位工程名称净高推房算值间(mm)编号H长宽推算值(mm)L1L2验收部位(户号)实测值(mm)计算值(mm)净高净开间H1H2H3H4H5L1-1 L1-2L2-1 L2-2最大极 最大极偏差差 偏差差室内空间尺寸测量示意图套型示意图 贴图区,标注房间编号。现场检查项目室内楼 1、楼梯尺寸梯2、楼梯面层质量质量要求第 4.4.1 条第 4.4.2 条质量验收记录护栏和 护栏和扶手的造型、尺寸、高度、 第 7.2.1 条扶手栏杆间距和安装位置1、玻璃的品种第 7.3.1 条2、落地门窗、玻璃隔断的安全第 7.3.2 条措施3、玻璃观感质量第 7.3.3 条玻璃验收意见:测点合格率:建设单位 (项目)负责人:年日监理单位总监理工程师:专业监理工程师:月施工单位建造师:质量检查员:年月日年月日附录 3初装修与精装修住宅工程质量分户验收记录表(门窗、防水工程、公共部位)单位工程名称现场检查项目1、门窗开启性能门窗2、门窗配件3、门窗密封4、门窗的排水5、进户门质量外墙外窗防水地面屋面公共部位地下室1、外墙防水1、外窗防水1、厨卫间、开放式阳台等地面防水效果屋面防水1、楼层梯段踏步2、楼梯护栏地下室防水地下室通道烟道、透气孔通风道质量要求第 7.1.1 条第 7.1.2 条第 7.1.3 条第 7.1.4 条第 7.1.5 条第 8.1.1 条第 8.2.1 条第 8.3.1 条第 8.4.1 条第 14.1.1 条第 14.1.2 条第 14.2.1 条第 14.2.2 条第 14.3.1 条第 14.3.2 条验收部位(户号)质量验收记录其它建设单位 (项目)监理单位总监理负责人:工程师:专业监理工程师:验收意见:年月年月日日施工单位建造师:质量检查员:年月日附录 4初装修与精装修住宅工程质量分户验收记录表(安装工程)单位工程名称现场检查项目1、给水管道及配件安装给水管道安装工程...

1、当您付费下载文档后,您只拥有了使用权限,并不意味着购买了版权,文档只能用于自身使用,不得用于其他商业用途(如 [转卖]进行直接盈利或[编辑后售卖]进行间接盈利)。
2、本站所有内容均由合作方或网友上传,本站不对文档的完整性、权威性及其观点立场正确性做任何保证或承诺!文档内容仅供研究参考,付费前请自行鉴别。
3、如文档内容存在违规,或者侵犯商业秘密、侵犯著作权等,请点击“违规举报”。

碎片内容

分户验收表格最新全套

确认删除?
VIP
微信客服
  • 扫码咨询
会员Q群
  • 会员专属群点击这里加入QQ群
客服邮箱
回到顶部