电脑桌面
添加小米粒文库到电脑桌面
安装后可以在桌面快捷访问

分部子分部工程质量验收记录表

分部子分部工程质量验收记录表_第1页
1/7
分部子分部工程质量验收记录表_第2页
2/7
分部子分部工程质量验收记录表_第3页
3/7
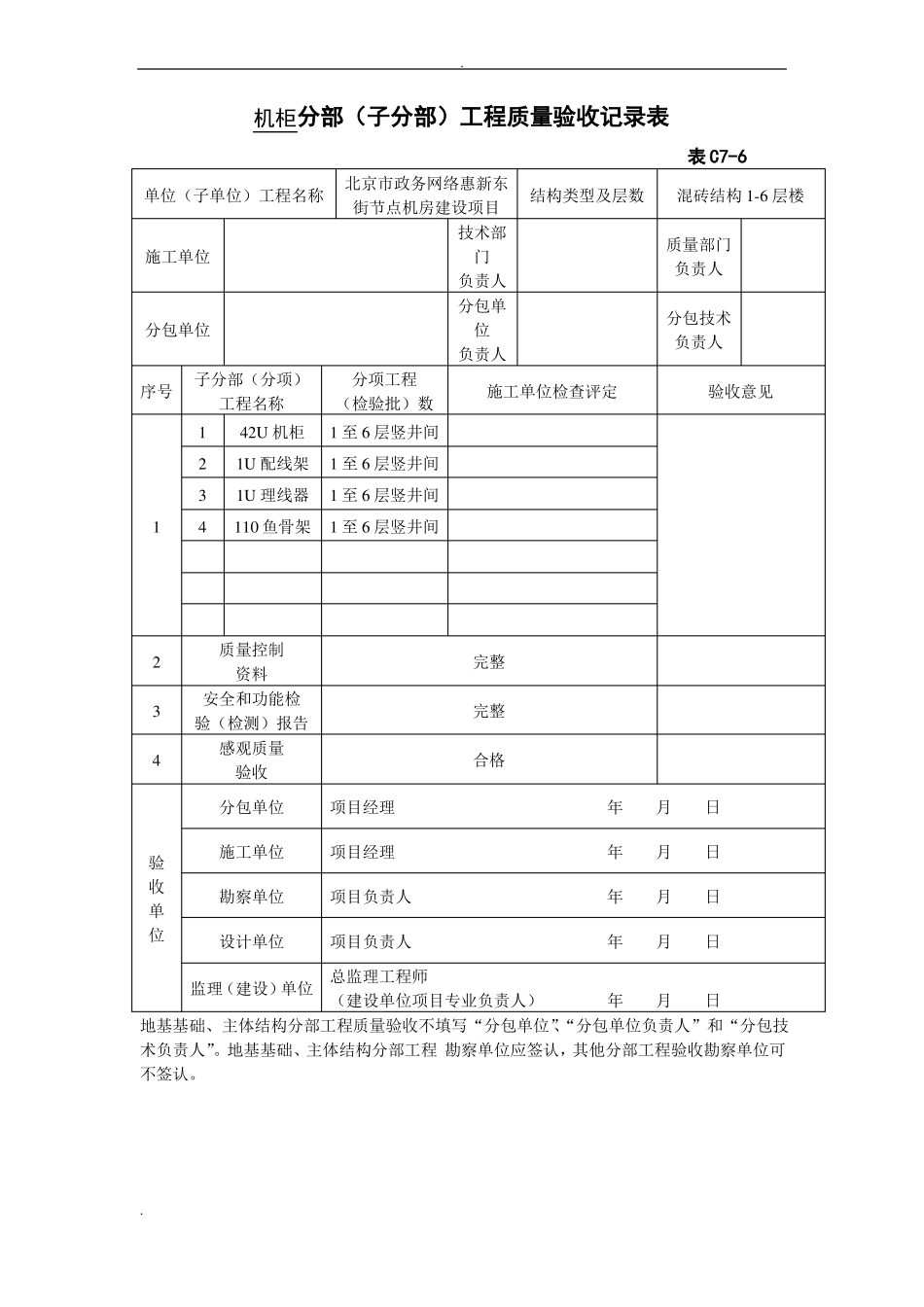
.分部(子分部)工程质量验收记录表表 C7-6单位(子单位)工程名称施工单位分包单位序号子分部(分项)工程名称123145234质量控制资料安全和功能检验(检测)报告感观质量验收分包单位验收单位施工单位勘察单位设计单位监理(建设)单位分项工程(检验批)数项目经理年月日项目经理年月日项目负责人年月日项目负责人年月日总监理工程师(建设单位项目专业负责人)年月日技术部门负责人分包单位负责人结构类型及层数质量部门负责人分包技术负责人验收意见施工单位检查评定地基基础、主体结构分部工程质量验收不填写“分包单位”、“分包单位负责人”和“分包技术负责人”。地基基础、主体结构分部工程 勘察单位应签认,其他分部工程验收勘察单位可不签认。..金属桥架分部(子分部)工程质量验收记录表表 C7-6单位(子单位)工程名称施工单位分包单位序号子分部(分项)工程名称12314234金属桥架通丝吊杆横旦质量控制资料安全和功能检验(检测)报告感观质量验收分包单位验收单位施工单位勘察单位设计单位监理(建设)单位分项工程(检验批)数1 至 6 层1 至 6 层1 至 6 层1 至 6 层完整完整合格项目经理年月日项目经理年月日项目负责人年月日项目负责人年月日总监理工程师(建设单位项目专业负责人)年月日北京市政务网络惠新东街节点机房建设项目技术部门负责人分包单位负责人结构类型及层数混砖结构 1-6 层楼质量部门负责人分包技术负责人验收意见施工单位检查评定合格合格合格合格地基基础、主体结构分部工程质量验收不填写“分包单位”、“分包单位负责人”和“分包技术负责人”。地基基础、主体结构分部工程 勘察单位应签认,其他分部工程验收勘察单位可不签认。..机柜分部(子分部)工程质量验收记录表表 C7-6单位(子单位)工程名称北京市政务网络惠新东街节点机房建设项目技术部门负责人分包单位负责人结构类型及层数混砖结构 1-6 层楼质量部门负责人分包技术负责人验收意见施工单位分包单位子分部(分项)工程名称1231423442U 机柜1U 配线架1U 理线器分项工程(检验批)数1 至 6 层竖井间1 至 6 层竖井间1 至 6 层竖井间序号施工单位检查评定完整完整合格110 鱼骨架1 至 6 层竖井间质量控制资料安全和功能检验(检测)报告感观质量验收分包单位项目经理年月日项目经理年月日项目负责人年月日项目负责人年月日总监理工程师(建设单位项目专业负责人)年月日验收单位施工单位勘察单位设计单位监理(建...

1、当您付费下载文档后,您只拥有了使用权限,并不意味着购买了版权,文档只能用于自身使用,不得用于其他商业用途(如 [转卖]进行直接盈利或[编辑后售卖]进行间接盈利)。
2、本站所有内容均由合作方或网友上传,本站不对文档的完整性、权威性及其观点立场正确性做任何保证或承诺!文档内容仅供研究参考,付费前请自行鉴别。
3、如文档内容存在违规,或者侵犯商业秘密、侵犯著作权等,请点击“违规举报”。

碎片内容

分部子分部工程质量验收记录表

您可能关注的文档

确认删除?
VIP
微信客服
  • 扫码咨询
会员Q群
  • 会员专属群点击这里加入QQ群
客服邮箱
回到顶部