电脑桌面
添加小米粒文库到电脑桌面
安装后可以在桌面快捷访问

现浇混凝土多层框架结构设计示例VIP专享

现浇混凝土多层框架结构设计示例_第1页
1/33
现浇混凝土多层框架结构设计示例_第2页
2/33
现浇混凝土多层框架结构设计示例_第3页
3/33
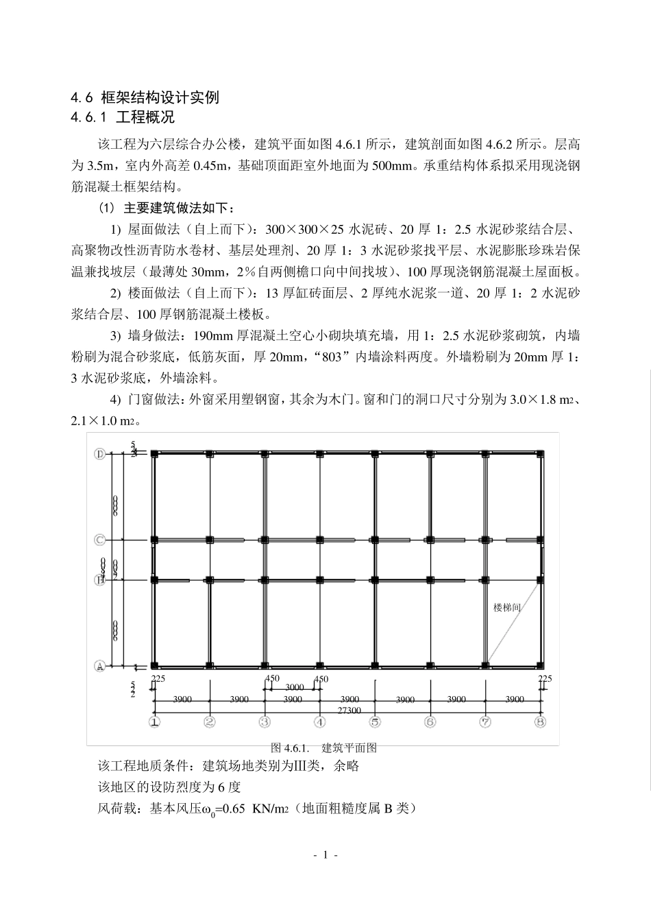
- 1 - 4.6 框架结构设计实例 4.6.1 工程概况 该工程为六层综合办公楼,建筑平面如图4.6.1 所示,建筑剖面如图4.6.2 所示。层高为3.5m,室内外高差0.45m,基础顶面距室外地面为500mm。承重结构体系拟采用现浇钢筋混凝土框架结构。 (1) 主要建筑做法如下: 1) 屋面做法(自上而下):300×300×25 水泥砖、20 厚 1:2.5 水泥砂浆结合层、高聚物改性沥青防水卷材、基层处理剂、20 厚 1:3 水泥砂浆找平层、水泥膨胀珍珠岩保温兼找坡层(最薄处 30mm,2%自两侧檐口向中间找坡)、100 厚现浇钢筋混凝土屋面板。 2) 楼面做法(自上而下):13 厚缸砖面层、2 厚纯水泥浆一道、20 厚 1:2 水泥砂浆结合层、100 厚钢筋混凝土楼板。 3) 墙身做法:190mm 厚混凝土空心小砌块填充墙,用1:2.5 水泥砂浆砌筑,内墙粉刷为混合砂浆底,低筋灰面,厚 20mm,“803”内墙涂料两度。外墙粉刷为20mm 厚 1:3 水泥砂浆底,外墙涂料。 4) 门窗做法:外窗采用塑钢窗,其余为木门。窗和门的洞口尺寸分别为3.0×1.8 m2、2.1×1.0 m2。 该工程地质条件:建筑场地类别为Ⅲ类,余略 该地区的设防烈度为6 度 风荷载:基本风压KN/m2(地面粗糙度属 B 类) 225 225 3900 225 3000 450 225 3900 3900 3900 3900 3900 3900 27300 6000 2800 6000 14800 楼梯间 450 图4.6.1. 建筑平面图 - 2 - 活荷载:屋面活荷载(上人)为2.0 KN/m2 ,办公室楼面活荷载2.0 KN/m2 ,走廊楼面活荷载2.0 KN/m2 。 4.6.2 结构布置及结构计算简图的确定 结构平面布置如图4.6.3 所示。各层梁、柱和板地混凝土强度等级为C25(ƒc=11.9N/mm2, ƒt=1.27N/mm2) 。 (1) 梁柱截面尺寸确定 1) 梁截面初选: 边跨(AB、CD 跨)梁:取h=l/10=6000/ l =600 mm , 取b=250 mm 中跨(BC 跨)梁:取h=450,b=250 纵向框架梁,取b×h=250mm×400mm 2) 柱截面初选: 本例房屋高度<30m, 由抗震规范可知,抗震等级为四级,对轴压比没有要求。各层的重力荷载代表值近似取12 kN/m2 ,由结构平面布置图(图4.6.3)可知,中柱的负载面积为(1.4+3)×3.9 /2=17.16m2 ,则: 竖向荷载产生的轴力估计值:NV =1.25×12×17.16×6=1544.40 kN/m2 17.50 10.50 7.00 21.00 14.00 3.50 0.00 2800 6000 6000 600 2000 450 900 3500 900 3500 900 3500 900 3500 900 35...

1、当您付费下载文档后,您只拥有了使用权限,并不意味着购买了版权,文档只能用于自身使用,不得用于其他商业用途(如 [转卖]进行直接盈利或[编辑后售卖]进行间接盈利)。
2、本站所有内容均由合作方或网友上传,本站不对文档的完整性、权威性及其观点立场正确性做任何保证或承诺!文档内容仅供研究参考,付费前请自行鉴别。
3、如文档内容存在违规,或者侵犯商业秘密、侵犯著作权等,请点击“违规举报”。

碎片内容

现浇混凝土多层框架结构设计示例

小辰2+ 关注
实名认证
内容提供者

出售各种资料和文档

确认删除?
VIP
微信客服
  • 扫码咨询
会员Q群
  • 会员专属群点击这里加入QQ群
客服邮箱
回到顶部