电脑桌面
添加小米粒文库到电脑桌面
安装后可以在桌面快捷访问

现浇混凝土构件尺寸检测记录

现浇混凝土构件尺寸检测记录_第1页
1/32
现浇混凝土构件尺寸检测记录_第2页
2/32
现浇混凝土构件尺寸检测记录_第3页
3/32
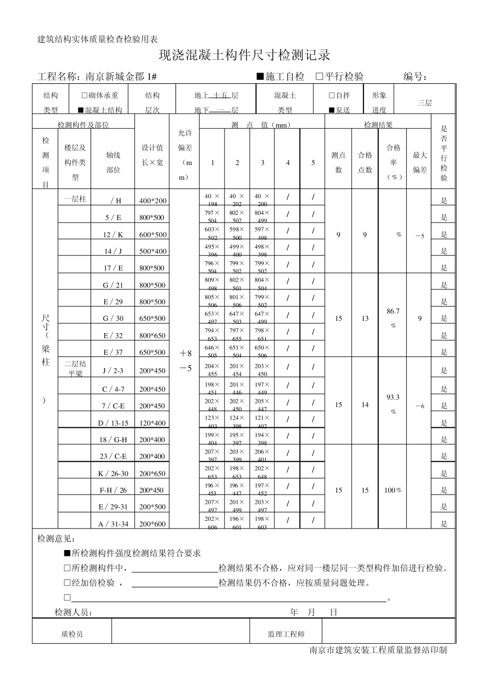
建筑结构实体质量检查检验用表 现浇混凝土构件尺寸检测记录 工程名称:南京新城金郡1#及14# ■施工自检 □平行检验 编号:01-1 结构 类型 □砌体承重 ■混凝土结构 结构 层次 地上 十五 层 地下 一 层 混凝土 类型 □自拌 ■泵送 形象 进度 二层 检测构件及部位 设计值 长×宽 允许 偏差 (m m ) 测 点 值(m m ) 检测结果 是否平行检验 检 测 项 目 楼层及构件类型 轴线 部位 1 2 3 4 5 测点数 合格 点数 合格率 (﹪) 最大 偏差 尺寸( 梁 柱 板 墙 ) 地下室柱 14-2/14-A 400*400 +8 -5 403×398 402×397 403×400 / / 15 15 100﹪ 5 是 14-5/14-A 400*400 399×404 400×404 403×399 / / 是 01-3/01-C 1200*700 1197×703 1201×105 1205×702 / / 是 01-14/01-J 200*400 203×403 199×400 204×402 / / 是 01-17/01-E 800*500 796×503 801×497 800×502 / / 是 01-22/01-J 500*400 502×396 500×399 497×400 / / 15 14 93.3﹪ -6 是 01-32/01-G 650*500 652×498 648×501 653×496 / / 是 01-35/01-G 1200*700 1194×703 1197×700 1196×698 / / 是 01-35/01-G 1200*700 1204×698 1202×698 1199×704 / / 是 01-36/01-J 500*400 496×398 499×400 496×403 / / 是 一层结平梁 32/J-H 200*400 206×398 200×401 202×400 / / 15 15 100﹪ 6 是 C/4-7 200*600 198×603 203×600 203×598 / / 是 7/C-E 200*550 204×555 203×551 200×553 / / 是 F/14-15 200*400 200×396 197×402 204×399 / / 是 C/16-19 200*600 202×602 203×596 203×600 / / 是 23/C-E 200*400 196×400 203×397 200×402 / / 15 13 86.7﹪ 9 是 31/C-E 200*550 205×544 201×549 204×548 / / 是 A/31-34 200*600 204×604 200×609 203×600 / / 是 D/35-37 120*400 122×403 117×398 118×401 / / 是 E/28-31 200*500 196×502 201×498 197×503 / / 是 检测意见: ■所检测构件强度检测结果符合要求 □所检测构件中, 检测结果不合格,应对同一楼层同一类型构件加倍进行检验。 □经加倍检验 , 检测结果仍不合格,应按质量问题处理。 □ 。 检测人员: 2010年 9月...

1、当您付费下载文档后,您只拥有了使用权限,并不意味着购买了版权,文档只能用于自身使用,不得用于其他商业用途(如 [转卖]进行直接盈利或[编辑后售卖]进行间接盈利)。
2、本站所有内容均由合作方或网友上传,本站不对文档的完整性、权威性及其观点立场正确性做任何保证或承诺!文档内容仅供研究参考,付费前请自行鉴别。
3、如文档内容存在违规,或者侵犯商业秘密、侵犯著作权等,请点击“违规举报”。

碎片内容

现浇混凝土构件尺寸检测记录

确认删除?
VIP
微信客服
  • 扫码咨询
会员Q群
  • 会员专属群点击这里加入QQ群
客服邮箱
回到顶部