电脑桌面
添加小米粒文库到电脑桌面
安装后可以在桌面快捷访问

第七章__全国数控大赛数控铣加工中心图库

第七章__全国数控大赛数控铣加工中心图库_第1页
1/50
第七章__全国数控大赛数控铣加工中心图库_第2页
2/50
第七章__全国数控大赛数控铣加工中心图库_第3页
3/50
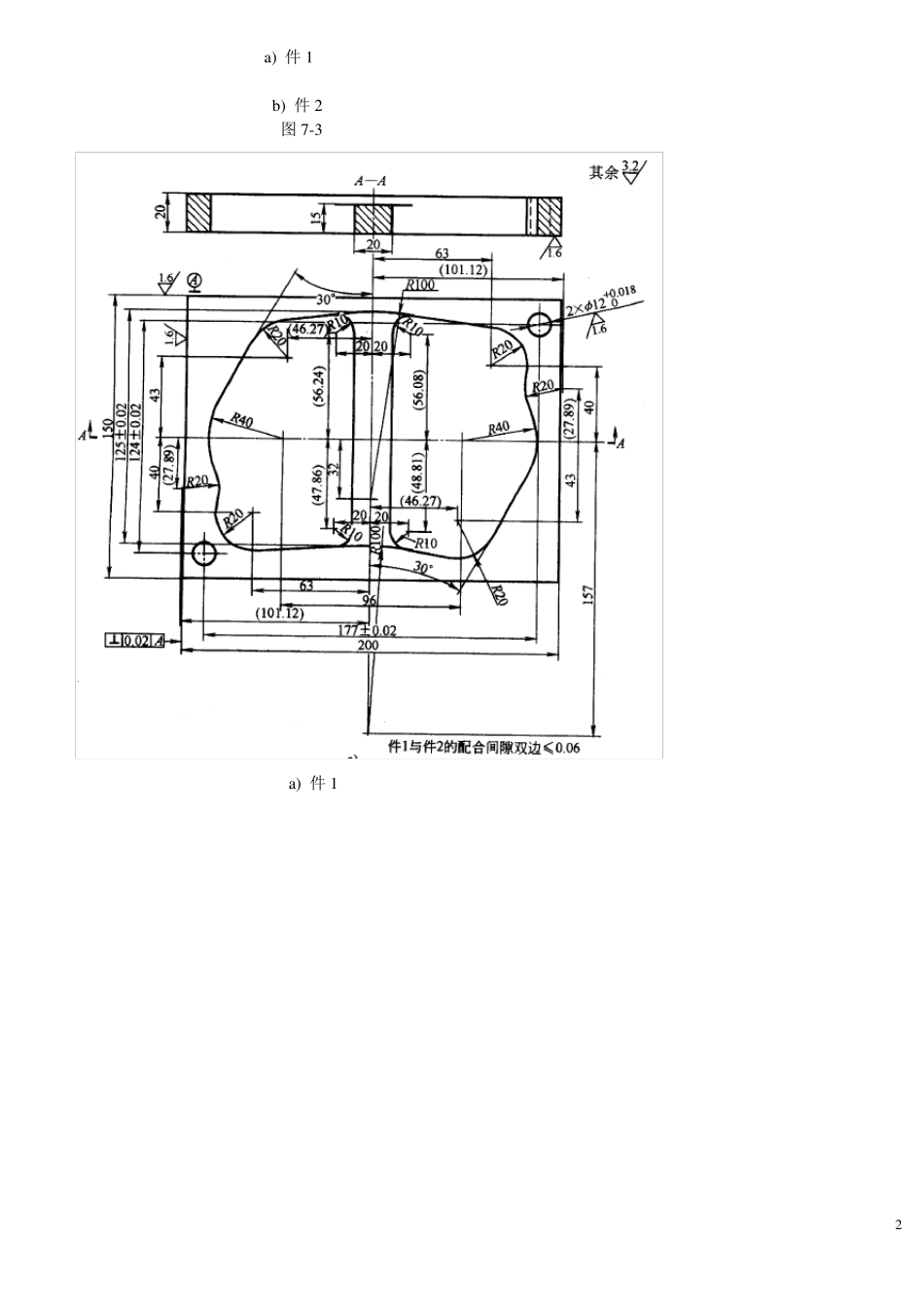
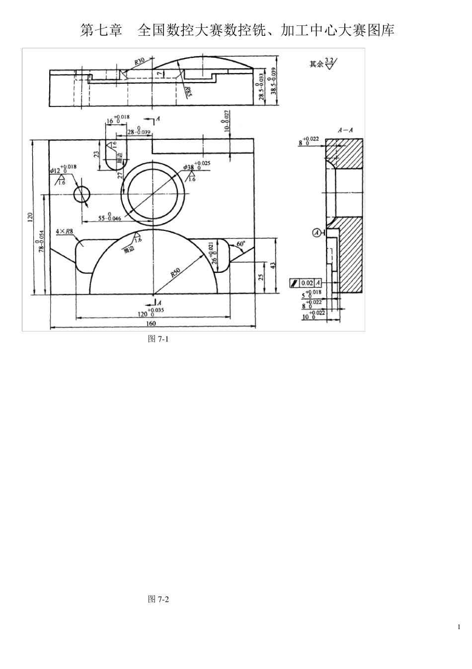
1 第七章 全国数控大赛数控铣、加工中心大赛图库 图 7 -1 图 7 -2 2 a) 件 1 b) 件 2 图 7-3 a) 件 1 3 b ) 件 2 图 7 -4 图 7 -5 4 图 7 -6 图 7 -7 图 7 -8 图 7 -9 5 图7-10 a) 件1 b) 件2 图7-11 6 图7-12 a) 件1 b) 件2 7 图 7 -1 3 8 a) 件 1 b) 件 2 图 7-14 图 7-15 9 图 7 -1 6 图 7 -1 7 图 7 -1 8 图 7 -1 9 图 7 -2 0 图 7 -2 1 1 0 图 7 -2 2 图 7 -2 3 图 7 -2 4 11 图 7 -2 5 1 2 图 7 -2 6 1 3 图 7 -2 7 图 7 -2 8 图 7 -2 9 图 7 -3 0 图 7 -3 1 图 7 -3 2 图 7 -3 3 1 4 图 7 -3 4 1 5 图 7 -3 5 1 6 图 7 -3 6 图 7 -3 7 1 7 图 7 -3 8 1 8 图 7 -3 9 图 7 -4 0 图 7 -4 1 1 9 图 7 -4 2 2 0 图 7 -4 3 图 7 -4 4 2 1 图 7 -4 5 图 7 -4 6 2 2 图 7 -4 7 2 3 图 7 -4 8 2 4 图 7 -4 9 2 5 图 7 -5 0 2 6 图 7 -5 1 2 7 图 7 -5 2 2 8 图 7 -5 3 2 9 图 7 -5 4 3 0 3 1 图 7 -5 5 图 7 -5 6 3 2 3 3 图 7 -5 7 3 4 图 7 -5 8 3 5 图 7 -5 9 3 6 3 7 图 7 -6 0 3 8 图 7 -6 1 3 9 图 7 -6 1 4 0 图 7 -6 2 4 1 4 2 4 3 4 4 4 5 4 6 4 7 4 8 4 9 5 0

1、当您付费下载文档后,您只拥有了使用权限,并不意味着购买了版权,文档只能用于自身使用,不得用于其他商业用途(如 [转卖]进行直接盈利或[编辑后售卖]进行间接盈利)。
2、本站所有内容均由合作方或网友上传,本站不对文档的完整性、权威性及其观点立场正确性做任何保证或承诺!文档内容仅供研究参考,付费前请自行鉴别。
3、如文档内容存在违规,或者侵犯商业秘密、侵犯著作权等,请点击“违规举报”。

碎片内容

第七章__全国数控大赛数控铣加工中心图库

确认删除?
VIP
微信客服
  • 扫码咨询
会员Q群
  • 会员专属群点击这里加入QQ群
客服邮箱
回到顶部