电脑桌面
添加小米粒文库到电脑桌面
安装后可以在桌面快捷访问

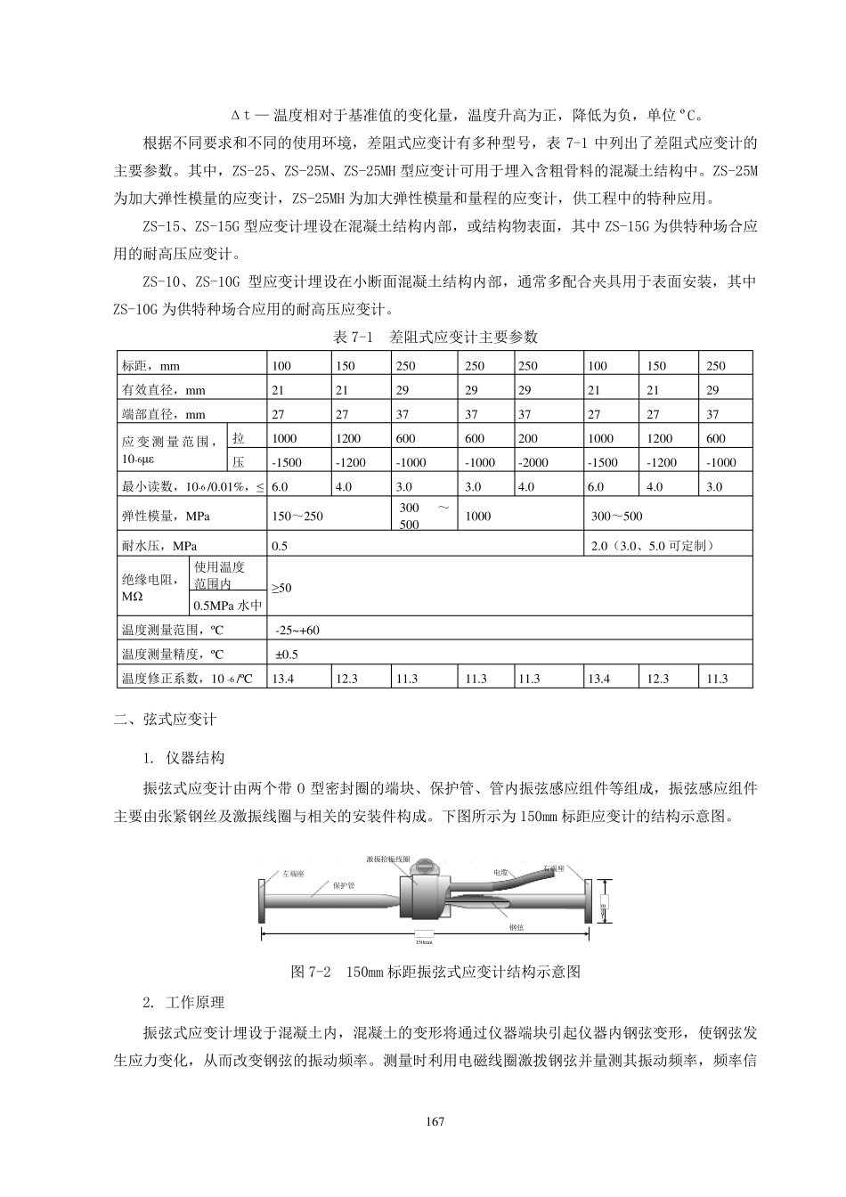
第七章应力、应变及温度监测

第七章应力、应变及温度监测_第1页
1/37
第七章应力、应变及温度监测_第2页
2/37
第七章应力、应变及温度监测_第3页
3/37
1 6 5 目 录 第 七 章 应 力 、应 变及温度监测 ............................................................................................................................. 1 6 6 第一节 应变监测 ........................................................................................................................................... 1 6 6 一、差动电阻式应变计 ............................................................................................................................. 1 6 6 二、弦式应变计 ......................................................................................................................................... 1 6 7 三、应变计安装 ......................................................................................................................................... 1 6 8 第二节 接缝和位移监测 ............................................................................................................................... 1 7 3 一、差动电阻式测缝计(位移计) ......................................................................................................... 1 7 3 二、弦式测缝计(位移计) ..................................................................................................................... 1 7 4 三、电位器式测缝计(位移计) ............................................................................................................. 1 7 5 四、仪器安装 ............................................................................................................................................. 1 7 6 第三节 钢筋应力与钢板应力监测 ............................................................................................................... 1 7 8 一、差动电阻式钢筋计 ............................................................................................................................. 1 7 8 二、振弦式钢筋计 ...........................................

1、当您付费下载文档后,您只拥有了使用权限,并不意味着购买了版权,文档只能用于自身使用,不得用于其他商业用途(如 [转卖]进行直接盈利或[编辑后售卖]进行间接盈利)。
2、本站所有内容均由合作方或网友上传,本站不对文档的完整性、权威性及其观点立场正确性做任何保证或承诺!文档内容仅供研究参考,付费前请自行鉴别。
3、如文档内容存在违规,或者侵犯商业秘密、侵犯著作权等,请点击“违规举报”。

碎片内容

第七章应力、应变及温度监测

您可能关注的文档

小辰9+ 关注
实名认证
内容提供者

出售各种资料和文档

确认删除?
VIP
微信客服
  • 扫码咨询
会员Q群
  • 会员专属群点击这里加入QQ群
客服邮箱
回到顶部