电脑桌面
添加小米粒文库到电脑桌面
安装后可以在桌面快捷访问

加氯系统安全检查表

加氯系统安全检查表_第1页
1/11
加氯系统安全检查表_第2页
2/11
加氯系统安全检查表_第3页
3/11
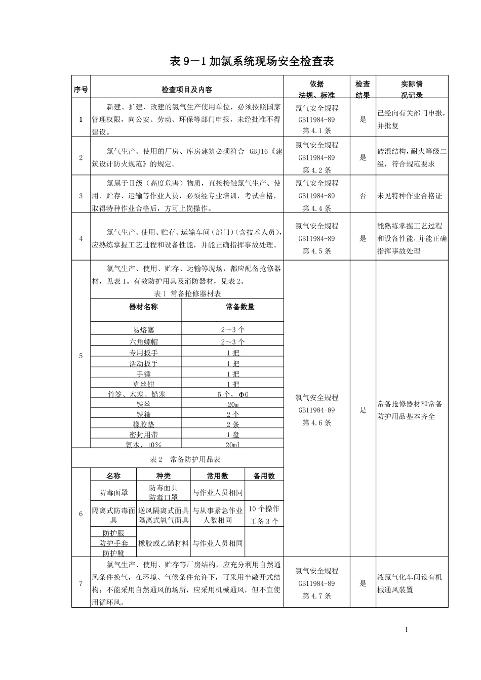
表 9-1 加氯系统现场安全检查表序号检查项目及内容新建、扩建、改建的氯气生产使用单位,必须按照国家1管理权限,向公安、劳动、环保等部门申报,未经批准不得建设。氯气生产、使用的厂房、库房建筑必须符合 GBJ16《建筑设计防火规范》的规定。氯属于Ⅱ级(高度危害)物质,直接接触氯气生产、使3用、贮存、运输等作业人员,必须经专业培训,考试合格,取得特种作业合格后,方可上岗操作。氯气生产、使用、贮存、运输车间(部门)(含技术人员),应熟练掌握工艺过程和设备性能,并能正确指挥事故处理。氯气生产、使用、贮存、运输等现场,都应配备抢修器材,见表 1。有效防护用具及消防器材,见表 2。表 1 常备抢修器材表器材名称易熔塞六角螺帽5专用扳手活动扳手手锤克丝钳竹签、木塞、铅塞铁丝铁箍橡胶垫密封用带氨水,10%常备数量2~3 个2~3 个1 把1 把1 把1 把5 个,Φ620m2 个2 条1 盘20ml依据法规、标准氯气安全规程GB11984-89第 4.1 条氯气安全规程GB11984-89第 4.2 条氯气安全规程GB11984-89第 4.4 条氯气安全规程GB11984-89第 4.5 条能熟练掌握工艺过程是和设备性能,并能正确指挥事故处理否未见特种作业合格证是是检查结果实际情况记录已经向有关部门申报,并批复2砖混结构,耐火等级二级,符合规范要求4氯气安全规程GB11984-89第 4.6 条是常备抢修器材和常备防护用品基本齐全表 2常备防护用品表名称防毒面罩种类防毒面具防毒口罩常用数与作业人员相同备用数10 个操作6隔离式防毒面 送风隔离式面具 与从事紧急作业具隔离式氧气面具人数相同工备 3 个防护服防护手套橡胶或乙烯材料 与作业人员相同防护靴氯气生产、使用、贮存等厂房结构,应充分利用自然通7风条件换气,在环境、气候条件允许下,可采用半敞开式结构;不能采用自然通风的场所,应采用机械通风,但不宜使用循环风。氯气安全规程GB11984-89第 4.7 条是液氯气化车间设有机械通风装置1序号检查项目及内容依据法规、标准氯气安全规程GB11984-89第 4.8 条检查结果实际情况记录液氯气化车间漏氯报8生产、使用氯气的车间(作业场所),空气中氯气含量最高允许浓度为 1mg/m3否警仪设定值为0.5~3ppm,不符合规范要求使用液氯钢瓶时,必须有秤重衡器,并装有膜片式压力9表(如采用一般压力表时,应采用硅油隔离措施)、调节阀等装置。操作中应保持钢瓶内压力大于使用侧压力。氯气安全规程GB11984-89第 6.1.9 条是有液氯钢瓶电子秤,压力...

1、当您付费下载文档后,您只拥有了使用权限,并不意味着购买了版权,文档只能用于自身使用,不得用于其他商业用途(如 [转卖]进行直接盈利或[编辑后售卖]进行间接盈利)。
2、本站所有内容均由合作方或网友上传,本站不对文档的完整性、权威性及其观点立场正确性做任何保证或承诺!文档内容仅供研究参考,付费前请自行鉴别。
3、如文档内容存在违规,或者侵犯商业秘密、侵犯著作权等,请点击“违规举报”。

碎片内容

加氯系统安全检查表

您可能关注的文档

确认删除?
VIP
微信客服
  • 扫码咨询
会员Q群
  • 会员专属群点击这里加入QQ群
客服邮箱
回到顶部