电脑桌面
添加小米粒文库到电脑桌面
安装后可以在桌面快捷访问

吊顶反支撑专项施工方案二

吊顶反支撑专项施工方案二_第1页
1/9
吊顶反支撑专项施工方案二_第2页
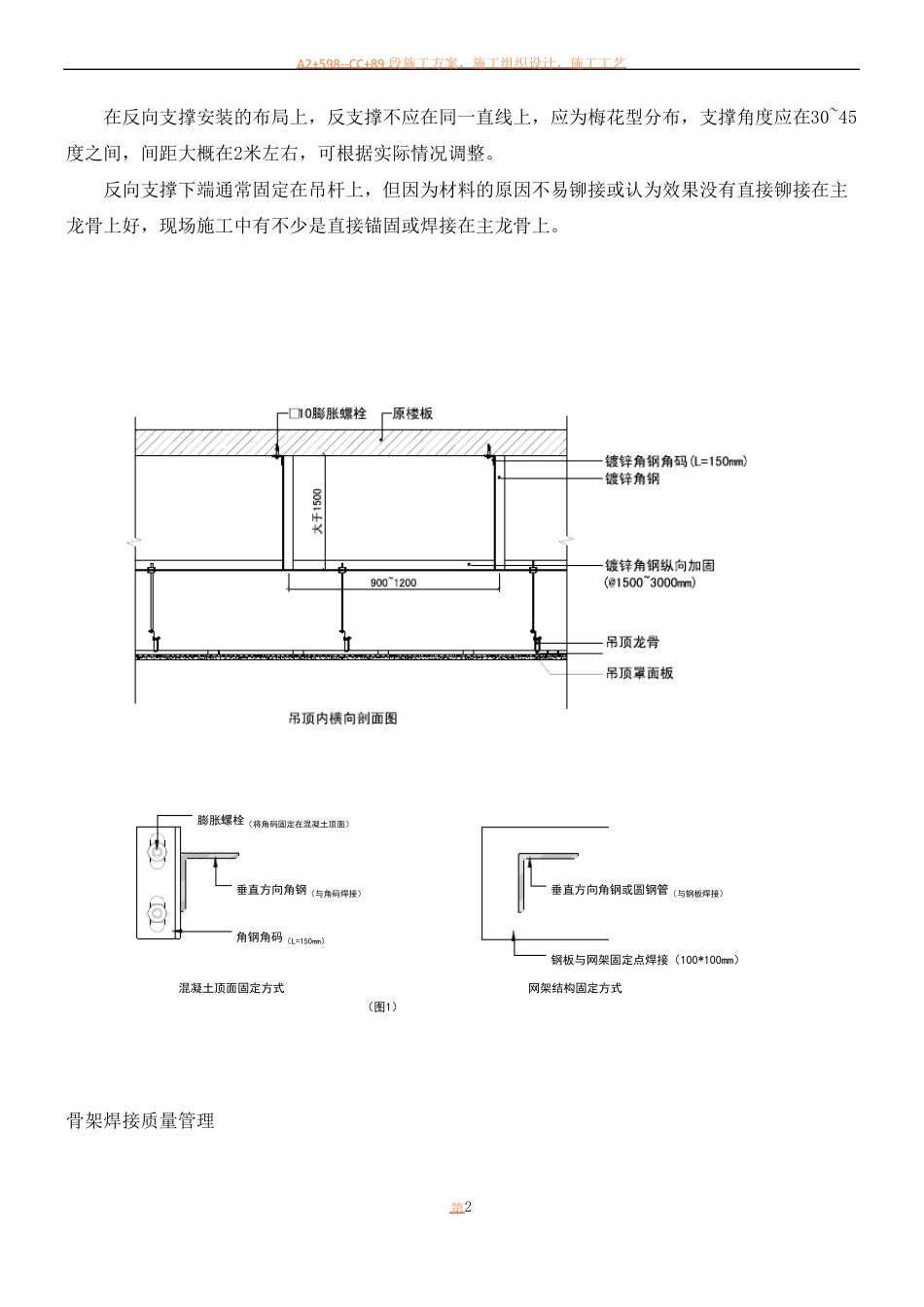
2/9
吊顶反支撑专项施工方案二_第3页
3/9
A2+598--CC+89 段施工方案,施工组织设计,施工工艺精装修吊顶反支撑专项方案一、编制依据:123456789友豪·红星店精装房装饰工程精装施工图相关的规范、规程和标准《建筑工程质量管理条例》《建筑装饰装修工程质量验收标准》(GB502102011)《建筑工程施工质量验收统一标准 》(GB50300-2001)《建筑安装分项工程施工工艺规程》( DBJ/T 01-26-2003)《建筑工程资料管理规程》( DBJ01-51-2003)《建筑施工手册》(2003 年 5 月第四版)本公司质量、安全、现场文明施工管理和各种工序工法的标准程序文件二、难点、特点本工程吊顶施工重点难点为-1F-6F 结构层高为 5.00 米以上,装饰吊顶标高为 2.900—3.400 米之间,安装吊筋长度在 2.000—2.600 之间,根据常规施工要求,需在吊杆施工时增加反支撑拉接,以保证吊顶的稳定性。解决了大空间吊杆长度大于 1.5 米时其"长细比"过大大,而导致受到水平向力或轴向压力时容易失衡的问题。三、材料及构配件(1)骨架轻钢龙骨采用50主龙骨, 38付龙骨。(2)轻钢骨架主件有主龙骨、次龙骨;配件有吊挂件、连接件、挂插件。(3)50*50*5角钢、8mm厚钢板。(4)零配件有∮8吊杆、花篮螺丝、射钉、自攻螺钉。(5)罩面板按设计要求选用,材料的品种、规格、质量应符合设计要求。四、主要机具(1)电锯、无齿锯、射钉枪。(2)手锯、手刨子、钳子、螺丝刀、扳子、方尺、钢尺、钢水平等。第0A2+598--CC+89 段施工方案,施工组织设计,施工工艺五、作业条件(1)按设计要求间距预埋∮8钢筋吊杆,间距为800mm—1200mm。(2)安装完顶棚内的各种管线及设备,确定好灯位、通风口及各种露明孔口位置,并通过放线把各个专业预安装项投影到地面。(3)各种材料全部配套备齐。(4)搭好顶棚施工操作手台架子。六、操作工艺流程弹顶棚标高水平线划龙骨分档线安装主龙骨吊杆安装反支撑构件安装主龙骨安装次龙骨安装罩面板七、施工技术措施1、反向支撑适用在:装饰吊顶完成面到建筑楼顶板面,大于1.5米小于3米的范围内。大于这个范围需要设置提供连接的转换层结构。2、反向支撑结构的上部需要与建筑结构或承重构件相连,通过吊顶荷载计算,合理安排间距和受力位置,一般可以通过如使用:化学螺栓、膨胀螺栓、钢结构抱箍等方法与建筑承重体固定。反向支撑的结构材料一般为角钢、槽钢、方管做镀锌处理。满焊为三角型框架,三角型框架底边位于上方,尖角向下固定吊杆。3、注意:在确定要设置反向支撑之前,须...

1、当您付费下载文档后,您只拥有了使用权限,并不意味着购买了版权,文档只能用于自身使用,不得用于其他商业用途(如 [转卖]进行直接盈利或[编辑后售卖]进行间接盈利)。
2、本站所有内容均由合作方或网友上传,本站不对文档的完整性、权威性及其观点立场正确性做任何保证或承诺!文档内容仅供研究参考,付费前请自行鉴别。
3、如文档内容存在违规,或者侵犯商业秘密、侵犯著作权等,请点击“违规举报”。

碎片内容

吊顶反支撑专项施工方案二

您可能关注的文档

确认删除?
VIP
微信客服
  • 扫码咨询
会员Q群
  • 会员专属群点击这里加入QQ群
客服邮箱
回到顶部