电脑桌面
添加小米粒文库到电脑桌面
安装后可以在桌面快捷访问

变速器齿轮轴机械加工工序卡VIP免费

变速器齿轮轴机械加工工序卡_第1页
1/11
变速器齿轮轴机械加工工序卡_第2页
2/11
变速器齿轮轴机械加工工序卡_第3页
3/11
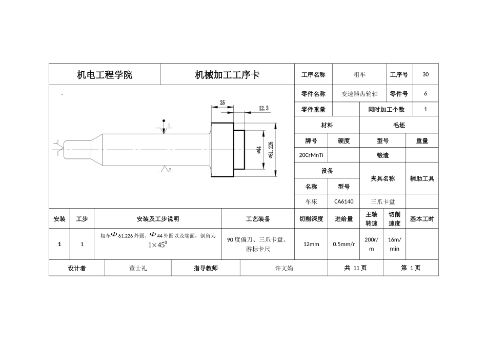
机电工程学院机械加工工序卡工序名称粗车工序号30零件名称变速器齿轮轴零件号6零件重量同时加工个数1材料毛坯牌号硬度型号重量20CrMnTi锻造设备夹具名称辅助工具名称型号车床CA6140三爪卡盘安装工步安装及工步说明工艺装备切削深度进给量主轴转速切削速度基本工时11粗车Φ61.226外圆、Φ44外圆以及端面,倒角为1×45090度偏刀、三爪卡盘、游标卡尺12mm0.5mm/r200r/m16m/min设计者董士礼指导教师许文娟共11页第1页机电工程学院机械加工工序卡工序名称粗车工序号40零件名称变速器齿轮轴零件号6零件重量同时加工个数1材料毛坯牌号硬度型号重量20CrMnTi锻造设备夹具名称辅助工具名称型号车床CA6140三爪卡盘安装工步安装及工步说明工艺装备切削深度进给量主轴转速切削速度基本工时11粗车左端Φ40外圆、Φ30外圆、Φ26外圆、Φ15外圆以及端面,倒角为1×45090度偏刀、三爪卡盘、游标卡尺10mm0.5mm/r600r/m29.6m/min设计者董士礼指导教师许文娟共11页第2页机电工程学院机械加工工序卡工序名称精车工序号50零件名称变速器齿轮轴零件号6零件重量同时加工个数1材料毛坯牌号硬度型号重量20CrMnTi锻造设备夹具名称辅助工具名称型号车床CA6140三爪卡盘安装工步安装及工步说明工艺装备切削深度进给量主轴转速切削速度基本工时11精车Φ61.226外圆、Φ44外圆以及端面,倒角为1×450。90度偏刀、三爪卡盘、游标卡尺10mm0.5mm/r600r/m29.6m/min设计者董士礼指导教师许文娟共11页第3页机电工程学院机械加工工序卡工序名称精车工序号60零件名称变速器齿轮轴零件号6零件重量同时加工个数1材料毛坯牌号硬度型号重量20CrMnTi锻造设备夹具名称辅助工具名称型号车床CA6140三爪卡盘安装工步安装及工步说明工艺装备切削深度进给量主轴转速切削速度基本工时11精车左端Φ40外圆、Φ30外圆、Φ26外圆、Φ15外圆以及端面,倒角为1×45090度偏刀、三爪卡盘、游标卡尺10mm0.5mm/r600r/m29.6m/min设计者董士礼指导教师许文娟共11页第4页机电工程学院机械加工工序卡工序名称车工序号70零件名称变速器齿轮轴零件号6零件重量同时加工个数1材料毛坯牌号硬度型号重量20CrMnTi锻造设备夹具名称辅助工具名称型号车床CA6140三爪卡盘安装工步安装及工步说明工艺装备切削深度进给量主轴转速切削速度基本工时11车2X2退刀槽切刀槽、三爪卡盘,游标卡尺10mm0.5mm/r600r/m29.6m/min设计者董士礼指导教师许文娟共11页第5页机电工程学院机械加工工序卡工序名称车工序号80零件名称变速器齿轮轴零件号6零件重量同时加工个数1材料毛坯牌号硬度型号重量20CrMnTi锻造设备夹具名称辅助工具名称型号车床CA6140三爪卡盘安装工步安装及工步说明工艺装备切削深度进给量主轴转速切削速度基本工时11车左端2处退刀槽切刀槽、三爪卡盘,游标卡尺10mm0.5mm/r600r/m29.6m/min设计者董士礼指导教师许文娟共11页第6页机电工程学院机械加工工序卡工序名称粗车工序号90零件名称变速器齿轮轴零件号6零件重量同时加工个数1材料毛坯牌号硬度型号重量20CrMnTi锻造设备夹具名称辅助工具名称型号车床CA6140三爪卡盘安装工步安装及工步说明工艺装备切削深度进给量主轴转速切削速度基本工时11粗车Φ26.4内孔、Φ24内孔以及端面,倒角为1×450。镗刀、三角卡盘、游标卡尺10mm0.5mm/r210r/m26m/min设计者董士礼指导教师许文娟共11页第7页机电工程学院机械加工工序卡工序名称车工序号100零件名称变速器齿轮轴零件号6零件重量同时加工个数1材料毛坯牌号硬度型号重量20CrMnTi锻造设备夹具名称辅助工具名称型号车床CA6140三爪卡盘安装工步安装及工步说明工艺装备切削深度进给量主轴转速切削速度基本工时11精车Φ26.4内孔、Φ24内孔以及端面,倒角为1×450镗刀、三角卡盘、游标卡尺10mm0.5mm/r600r/m29.6m/min设计者董士礼指导教师许文娟共11页第8页机电工程学院机械加工工序卡工序名称钻孔攻丝工序号110零件名称变速器齿轮轴零件号6零件重量同时加工个数1材料毛坯牌号硬度型号重量20CrMnTi锻造设备夹具名称辅助工具名称型号钻床Z525三爪卡盘安装工步安装及工步说明工艺装备切削深度进给量主轴转速切削速度基本工时11钻2-Φ2.5孔麻花钻、游标卡尺5mm0.5mm/r586r/m32m/min设...

1、当您付费下载文档后,您只拥有了使用权限,并不意味着购买了版权,文档只能用于自身使用,不得用于其他商业用途(如 [转卖]进行直接盈利或[编辑后售卖]进行间接盈利)。
2、本站所有内容均由合作方或网友上传,本站不对文档的完整性、权威性及其观点立场正确性做任何保证或承诺!文档内容仅供研究参考,付费前请自行鉴别。
3、如文档内容存在违规,或者侵犯商业秘密、侵犯著作权等,请点击“违规举报”。

碎片内容

变速器齿轮轴机械加工工序卡

文章天下+ 关注
实名认证
内容提供者

各种文档应有尽有

确认删除?
VIP
微信客服
  • 扫码咨询
会员Q群
  • 会员专属群点击这里加入QQ群
客服邮箱
回到顶部