电脑桌面
添加小米粒文库到电脑桌面
安装后可以在桌面快捷访问

变压器运输冲击记录VIP免费

变压器运输冲击记录_第1页
1/9
变压器运输冲击记录_第2页
2/9
变压器运输冲击记录_第3页
3/9
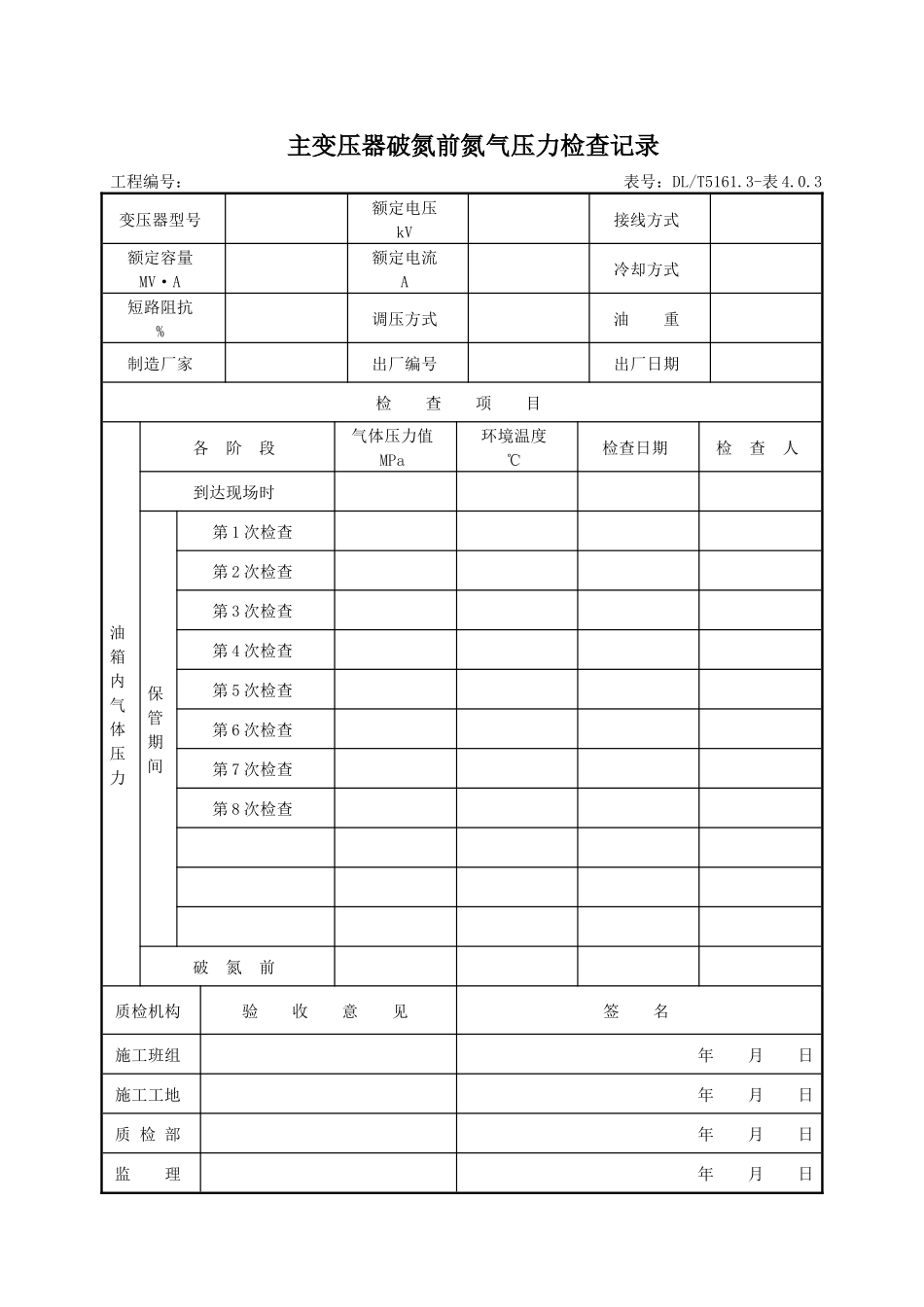
主变压器运输冲击记录工程编号:表号:DL/T5161.3-表4.0.2变压器型号额定电压kV接线方式额定容量MV·A额定电流A冷却方式短路阻抗%调压方式油重t制造厂家出厂编号出厂日期变压器运输和装卸过程中冲击记录值:注1:冲击记录仪应在变压器就位后,方可拆下;注2:应附厂家冲击记录仪的记录复印件;注3:如变压器未装设冲击记录仪,应在此注明,并应填写变压器外观检查结果;质检机构验收意见签名施工班组年月日施工工地年月日质检部年月日监理年月日主变压器破氮前氮气压力检查记录工程编号:表号:DL/T5161.3-表4.0.3变压器型号额定电压kV接线方式额定容量MV·A额定电流A冷却方式短路阻抗%调压方式油重制造厂家出厂编号出厂日期检查项目油箱内气体压力各阶段气体压力值MPa环境温度℃检查日期检查人到达现场时保管期间第1次检查第2次检查第3次检查第4次检查第5次检查第6次检查第7次检查第8次检查破氮前质检机构验收意见签名施工班组年月日施工工地年月日质检部年月日监理年月日主变压器绝缘油试验记录工程编号:表号:DL/T5161.3-表4.0.4变压器型号额定电压kV绝缘油牌号额定容量MV·A额定电流A油总重t冷却方式绝缘油批数绝缘油桶数制造厂家出厂编号出厂日期绝缘油验收批次桶数出厂试验报告编号抽样桶数抽样分析报告份数(后附)(后附)(后附)(后附)绝缘油试验报告登记表试验项目注油前报告编号冲击前报告编号冲击后报告编号简化分析或全分析----色谱分析--微水含量μg/g----含气量%--质检机构验收意见签名施工班组年月日施工工地年月日质检部年月日监理年月日主变压器气体继电器检验记录工程编号:表号:DL/T5161.3-表4.0.5变压器型号额定电压kV冷却方式额定容量MV·A额定电流A调压方式制造厂家出厂编号出厂日期气体继电器变压器气体继电器型号规格管路内径报告编号调压开关气体继电器型号规格管路内径报告编号(附气体继电器检验报告)质检机构验收意见签名施工斑组年月日施工工地年月日质检部年月日监理年月日变压器检查(隐蔽)签证工程编号:表号:DL/T5161.3-表4.0.6变压器型号额定电压kV接线方式额定容量MV·A额定电流A冷却方式短路阻抗%调压方式油重t制造厂家出厂编号出厂日期检查日期气象条件环境温度℃相对湿度%检查方式铁芯暴露时间开始放油或排气时间开始抽真空时间检查记录检查项目检查结果检查项目检查结果检查项目检查结果临时支撑是否拆除器身无位移螺栓是否紧固螺栓防松措施绝缘螺栓铁芯有无变形绝缘部件铁芯对地绝缘铁芯点接地点数铁轭螺杆与铁芯绝缘铁轭与夹件绝缘螺杆与夹件绝缘铁轭钢带对铁轭绝缘铁芯屏蔽绝缘绕组排列绕组引出线绝缘包扎油路引出线裸露部分引出线焊接良好引出线绝缘距离出线与套管连接切换装置连接分接头接触分节开关操作触点位置油箱底部检查结论:(经检查,该变压器器身未发现缺陷、异常)质检机构验收意见签名施工班组年月日施工工地年月日质检部年月日监理年月日建设单位年月日主变压器冷却器密封试验签证工程编号:表号:DL/T5161.3-表4.0.7变压器型号额定电压kV冷却方式额定容量MV·A额定电流A油重t制造厂家出厂编号出厂日期冷却器组数试压介质冷却器密封试验检查项目各组冷却器检查结果12345678910油系统试验压力MPa油系统承压时间水系统试验压力MPa水系统承压时间承压下检查结果冷却器试压后循环冲洗试验结论:(经对该变压器的全部组冷却器,分别进行承压试验,未见渗漏。冷却器内部己用合格的绝缘油冲洗干净,可以安装)质检机构验收意见签名施工班组年月日施工工地年月日质检部年月日监理年月日主变压器真空注油及密封试验签证工程编号:表号:DL/T5161.3-表4.0.8变压器型号额定电压kV接线方式额定容量MV·A额定电流A冷却方式短路阻抗%调压方式油重制造厂家出厂编号出厂日期真空注油记录内容气象条件环境温度℃相对湿度%变压器接地抽真空储油柜是否隔离安全气道是否隔离真空度允许值kPa真空度保持值kPa真空保持时间器身温度℃真空注油绝缘油温度℃绝缘油耐压强度kV绝缘油tgδ值%油中微水含量μg/g注油速度L/min油面距油箱顶热油循环时间注油后静止时间排气方法h排气次数密封试验压力MPa密封试验持续时间h器身外观检查质检机构验收意见签名施...

1、当您付费下载文档后,您只拥有了使用权限,并不意味着购买了版权,文档只能用于自身使用,不得用于其他商业用途(如 [转卖]进行直接盈利或[编辑后售卖]进行间接盈利)。
2、本站所有内容均由合作方或网友上传,本站不对文档的完整性、权威性及其观点立场正确性做任何保证或承诺!文档内容仅供研究参考,付费前请自行鉴别。
3、如文档内容存在违规,或者侵犯商业秘密、侵犯著作权等,请点击“违规举报”。

碎片内容

变压器运输冲击记录

您可能关注的文档

确认删除?
VIP
微信客服
  • 扫码咨询
会员Q群
  • 会员专属群点击这里加入QQ群
客服邮箱
回到顶部