电脑桌面
添加小米粒文库到电脑桌面
安装后可以在桌面快捷访问

第二章投影法和三视图

第二章投影法和三视图_第1页
1/48
第二章投影法和三视图_第2页
2/48
第二章投影法和三视图_第3页
3/48
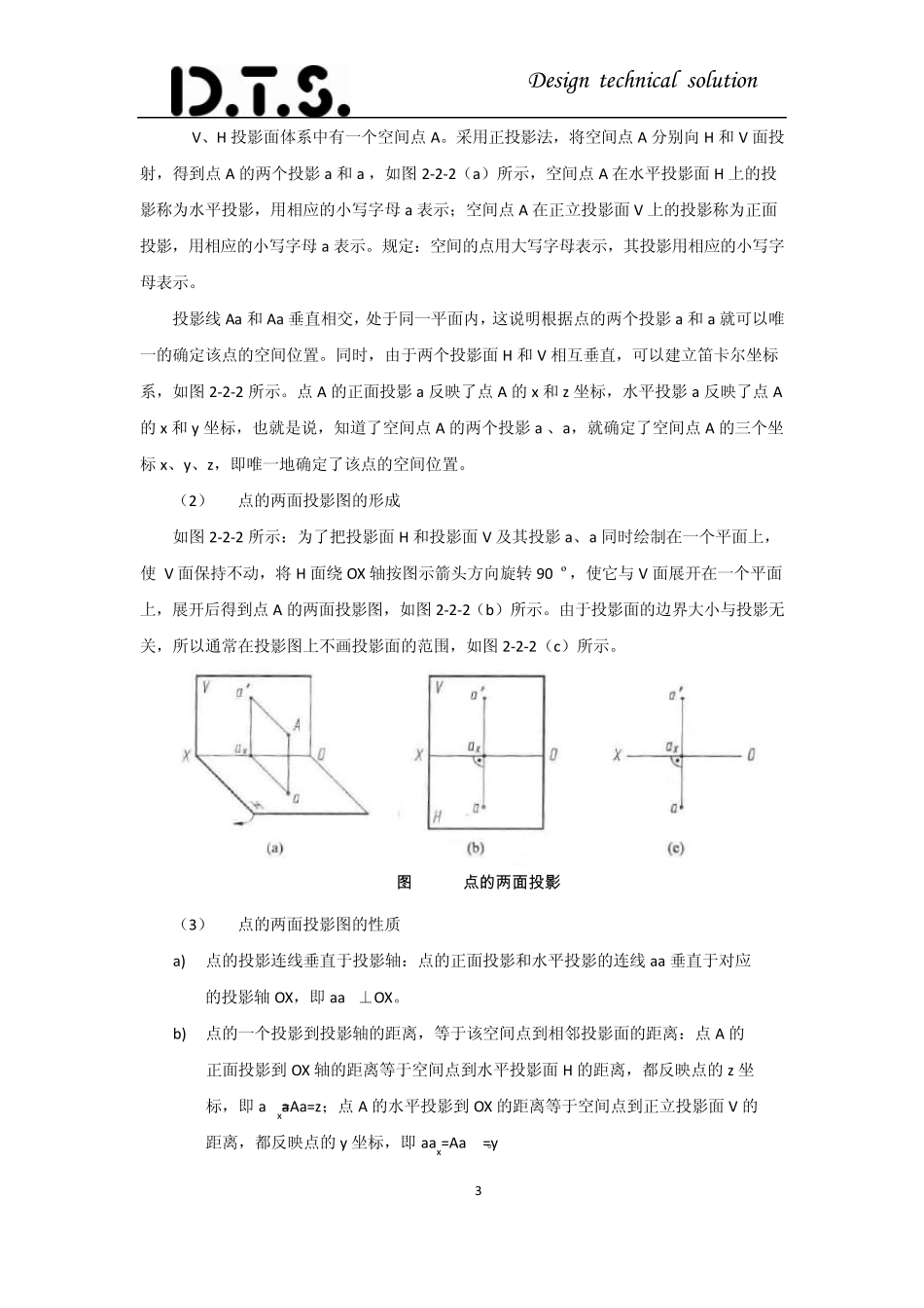
Design technical solution 1 投影法和三视图 2.1 体的三视图及其投影规律 2.1.1 常用的投影方法 在工程上常用各种投影方法绘制工程图,常用投影方法有中心投影法、平行投影法。 (1) 中心投影法 如图2-1-1 所示的投影法中,所有的投影线都汇交于一点,称为中心投影法。中心投影法得到的物体的投影与投影中心、空间物体和投影面三者之间位置有关,投影不能反映物体的真实大小,但是图形富有立体感。因此,中心投影法通常用来绘制建筑物或富有逼真感的立体图,也称为透视图。 图 2-1-1 中心投影法 (2) 平行投影法 如图2-1-2 所示,投射线 Aa、Bb、Cc是相互平行的,称为平行投影法。平行投影法又称为正投影法和斜投影法。 (a)正投影法 (b)斜投影法 Design technical solution 2 2-1-2 平 行 投 影 法 投射线垂直于投影面,为正投影法;投影线倾斜于投影面为斜投影法。在平行投影法中,如果平面与投影面平行,得到的投影就能反映平面的真实形状和大小并且投影同平面和投影面的距离无关。 2.1.2 投影规律 在机械图中常用正投影法,它具有以下规律: 1. 真实性:当空间物体平行于投影面时,投影反映空间物体的实形。 2. 积聚性:当空间物体垂直于投影面时,投影积聚为直线和点。 3. 类似性:当空间物体倾斜于投影面时,投影与原图形类似。 2.2 点的投影特性 点是组成形体的最基本的几何要素。 2.2.1 点的单面投影(如图 2-2-1 所示) 设定投影面 P,由一个空间点 A 做垂直于 P 面的投影线,相交于 P 面上一点 a,点 a 就是空间点 A 在 P 面上的投影。由此可见:一个空间点在一个投影面上有唯一确定的投影。反之,如果已知点 A 在投影面 P 上的投影 a,不能唯一地确定该点的空间位置,这是由于在从点 A 所做的 P 面的垂直线上所有各点的投影都位于 a 处。 图 2-2-1 点 的 单面投 影 由于单面投影不能够确定点的唯一位置,所以在工程上常把几何体想象成放在相互垂直的两个或两个以上投影面间,在投影面上形成的投影就是多面正投影。 2.2.2 点的两面投影 (1) 两投影面体系的建立 相互垂直的正投影面 V 和水平投影面 H 它们相交投影轴OX,便组成了V、H 投影面体 Design technical solution 3 V、H 投影面体系中有一个空间点A。采用正投影法,将空间点A 分别向H 和V 面投射,得到点A 的两个投影a 和a’,如图2-2-2(a)所示,空间点A 在水平...

1、当您付费下载文档后,您只拥有了使用权限,并不意味着购买了版权,文档只能用于自身使用,不得用于其他商业用途(如 [转卖]进行直接盈利或[编辑后售卖]进行间接盈利)。
2、本站所有内容均由合作方或网友上传,本站不对文档的完整性、权威性及其观点立场正确性做任何保证或承诺!文档内容仅供研究参考,付费前请自行鉴别。
3、如文档内容存在违规,或者侵犯商业秘密、侵犯著作权等,请点击“违规举报”。

碎片内容

第二章投影法和三视图

小辰3+ 关注
实名认证
内容提供者

出售各种资料和文档

相关文档

确认删除?
VIP
微信客服
  • 扫码咨询
会员Q群
  • 会员专属群点击这里加入QQ群
客服邮箱
回到顶部