电脑桌面
添加小米粒文库到电脑桌面
安装后可以在桌面快捷访问

绿色施工过程检查记录表

绿色施工过程检查记录表_第1页
1/21
绿色施工过程检查记录表_第2页
2/21
绿色施工过程检查记录表_第3页
3/21
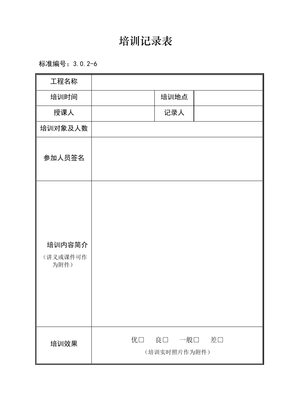
全 国 建 筑 业 绿 色 施 工 示 范 工 程 要 素 过 程 记 录 表 中 国 建 筑 业 协 会 绿 色 施 工 分 会 2016 年 培 训 记 录 表 标准编号:3.0.2-6 工程名称 培训时间 培训地点 授课人 记录人 培训对象及人数 参加人员签名 培训内容简介 (讲义或课件可作为附件) 培训效果 优□ 良□ 一般□ 差□ (培训实时照片作为附件) 事 故 情 况 证 明 标准编号:3.0.3 工程名称 施工期间 序号 项目 有 无 备注 1 安全死亡事故 2 重大质量事故,并造成严重影响 3 发生群体传染病、食物中毒等责任事故 4 施工中因“四节一环保”问题被政府管理部门处罚 5 违反国家有关“四节一环保”的法律法规,造成严重社会影响 6 施工扰民造成严重社会影响 (监理单位盖章 业主单位盖章) 厕 所 、 卫 生 设 施 、 排 水 沟 消 毒 记 录 表 标准编号:5.2.2-7 生活(施工)区 厕所(食堂、排水沟) 工程名称 序 号 时间 (年、月、日) 消毒方法 消毒药品 责任人 备注 注:需分别对生活区、办公区的厕所、食堂、排水沟进行记录。 生 活 垃 圾 清 运 记 录 标准编号:5.2.5-4 工程名称 序号 时间 (年、月、日) 数量/t 责任人 备注 建 筑 垃 圾 回 收 利 用 统 计 台 账 标准编号:5.2.5-5 工程名称 序号 建筑垃圾 种类 产生垃圾量 (t) 回收利用量 (t) 废弃物排放量(t) 备注 1 钢筋 2 混凝土 碎块 剩余 3 模板 4 方木 5 砌块 6 石膏板、 细木工板 7 聚合物砂浆 8 块材 9 土方 (现场储存量) 10 其它 …………. 填表人 日期 注:建筑垃圾回收利用率应达到 30%。 工 程 污 水 排 放 监 测 记 录 情 况 表 标注编号:5.2.6-2 注:1、测量位置应该是工程污水排入市政管网的出水口,该工程所有出水口都要有监测。 2、回收中水、雨水用于混凝土养护、砂浆搅拌等用途时,还需进行另外的检测满足相关要求。 工程名称 序号 时间 (年、月、日) 监测位置 PH 值/ 达标情况 责任人 备注 化 粪 池 应 清 理 记 录 标准编号:5.2.6-3 工程名称 序号 时间 (年、月、日) 位置 清理单位 清理垃圾(t) 责任人 备注 隔 油 池 定 期 清 理 记 录 表 标准编号:5.2.6-4 工程名称 序号 时间 (年、月、日) 位置 清理单位 清理...

1、当您付费下载文档后,您只拥有了使用权限,并不意味着购买了版权,文档只能用于自身使用,不得用于其他商业用途(如 [转卖]进行直接盈利或[编辑后售卖]进行间接盈利)。
2、本站所有内容均由合作方或网友上传,本站不对文档的完整性、权威性及其观点立场正确性做任何保证或承诺!文档内容仅供研究参考,付费前请自行鉴别。
3、如文档内容存在违规,或者侵犯商业秘密、侵犯著作权等,请点击“违规举报”。

碎片内容

绿色施工过程检查记录表

小辰4+ 关注
实名认证
内容提供者

出售各种资料和文档

确认删除?
VIP
微信客服
  • 扫码咨询
会员Q群
  • 会员专属群点击这里加入QQ群
客服邮箱
回到顶部