电脑桌面
添加小米粒文库到电脑桌面
安装后可以在桌面快捷访问

缠绕式垫片技术规范

缠绕式垫片技术规范_第1页
1/13
缠绕式垫片技术规范_第2页
2/13
缠绕式垫片技术规范_第3页
3/13
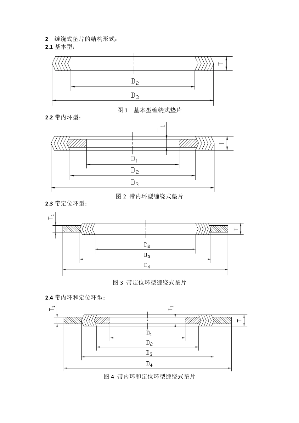
缠绕式垫片技术规范 1 前言: 为规范镇电公司所采购的缠绕式垫片的技术标准,特制定本技术规范。 缠绕式垫片的技术要求及设计、制造、检验、标识、包装、贮存、运输等环节必须严格按照国家及行业有关标准及浙能集团有关标注规范进行。 1.1 缠绕式垫片应遵守的主要国家及行业标准: GB∕T 4622.1-2007 缠绕式垫片 分类 GB∕T 4622.2-2008 缠绕式垫片 管法兰用垫片尺寸 GB∕T 4622.3-2007 缠绕式垫片 技术条件 JB∕T 4705-2000 缠绕垫片 HG∕T 20610-2009 钢制管法兰用缠绕式垫片(PN 系列) HG∕T 20631-2009 钢制管法兰用缠绕式垫片(Class系列) 以及以上标准引用的相关标准 1.2 浙能集团 ERP 系统上缠绕式垫片的标注规范: 浙能 ERP 系统上的缠绕式垫片主要分为两大类: 1.2.1 管法兰用缠绕式垫片: 物料小类编码为 160902,属于“密封件”大类(16),“管法兰垫”中类(09),“缠绕式垫片”小类(02)。 管法兰用缠绕式垫片特征值表示方法: 特征值 1:名称。 特征值 2:规格型号:管法兰规格型号如:DN50/PN16。 特征值 3:材质:按对应选用材质标准进行填写,例如外环(304、304L、316、306L 等)+内环(304、304L、316、306L 等)+填料(石墨、四氟乙烯等)。 特征值 4:形式:基本型、内环型、定位环型、内环和定位环型。 特征值 5:密封面:用 FF(平面)、RF(凸面)、MF(凹凸面)、TG(榫槽面)来注明法兰密封面形式。 单位:片 1.2.2 非管法兰用缠绕式垫片: 物料小类编码为 161102,属于“密封件”大类(16),“非管法兰垫”中类(11),“缠绕式垫片”小类(02)。 非管法兰用缠绕式垫片特征值表示方法: 特征值 1:名称。 特征值 2:规格(mm):用数字表示尺寸,外径×内径,如Φ268×Φ238。 特征值 3:厚度(mm):数字+单位mm。 特征值 4:材质:如外环(304、304L、316、306L)+内环(304、304L、316、306L)+填料(石墨、四氟乙烯等)。 特征值 5:形式:基本型、内环型、外环型、内外环型。 单位:片 2 缠绕式垫片的结构形式: 2.1 基本型: 图 1 基本型缠绕式垫片 2.2 带内环型: 图 2 带内环型缠绕式垫片 2.3 带定位环型: 图 3 带定位环型缠绕式垫片 2.4 带内环和定位环型: 图 4 带内环和定位环型缠绕式垫片 3 要求 3.1 材料 3.1.1 金属带 3.1.1.1 金属带应采用厚度为0.15mm~ 0.23mm 的冷轧钢带,常用的材料牌...

1、当您付费下载文档后,您只拥有了使用权限,并不意味着购买了版权,文档只能用于自身使用,不得用于其他商业用途(如 [转卖]进行直接盈利或[编辑后售卖]进行间接盈利)。
2、本站所有内容均由合作方或网友上传,本站不对文档的完整性、权威性及其观点立场正确性做任何保证或承诺!文档内容仅供研究参考,付费前请自行鉴别。
3、如文档内容存在违规,或者侵犯商业秘密、侵犯著作权等,请点击“违规举报”。

碎片内容

缠绕式垫片技术规范

确认删除?
VIP
微信客服
  • 扫码咨询
会员Q群
  • 会员专属群点击这里加入QQ群
客服邮箱
回到顶部