电脑桌面
添加小米粒文库到电脑桌面
安装后可以在桌面快捷访问

外墙膨胀玻化微珠保温砂浆施工工艺-secret

外墙膨胀玻化微珠保温砂浆施工工艺-secret_第1页
1/20
外墙膨胀玻化微珠保温砂浆施工工艺-secret_第2页
2/20
外墙膨胀玻化微珠保温砂浆施工工艺-secret_第3页
3/20
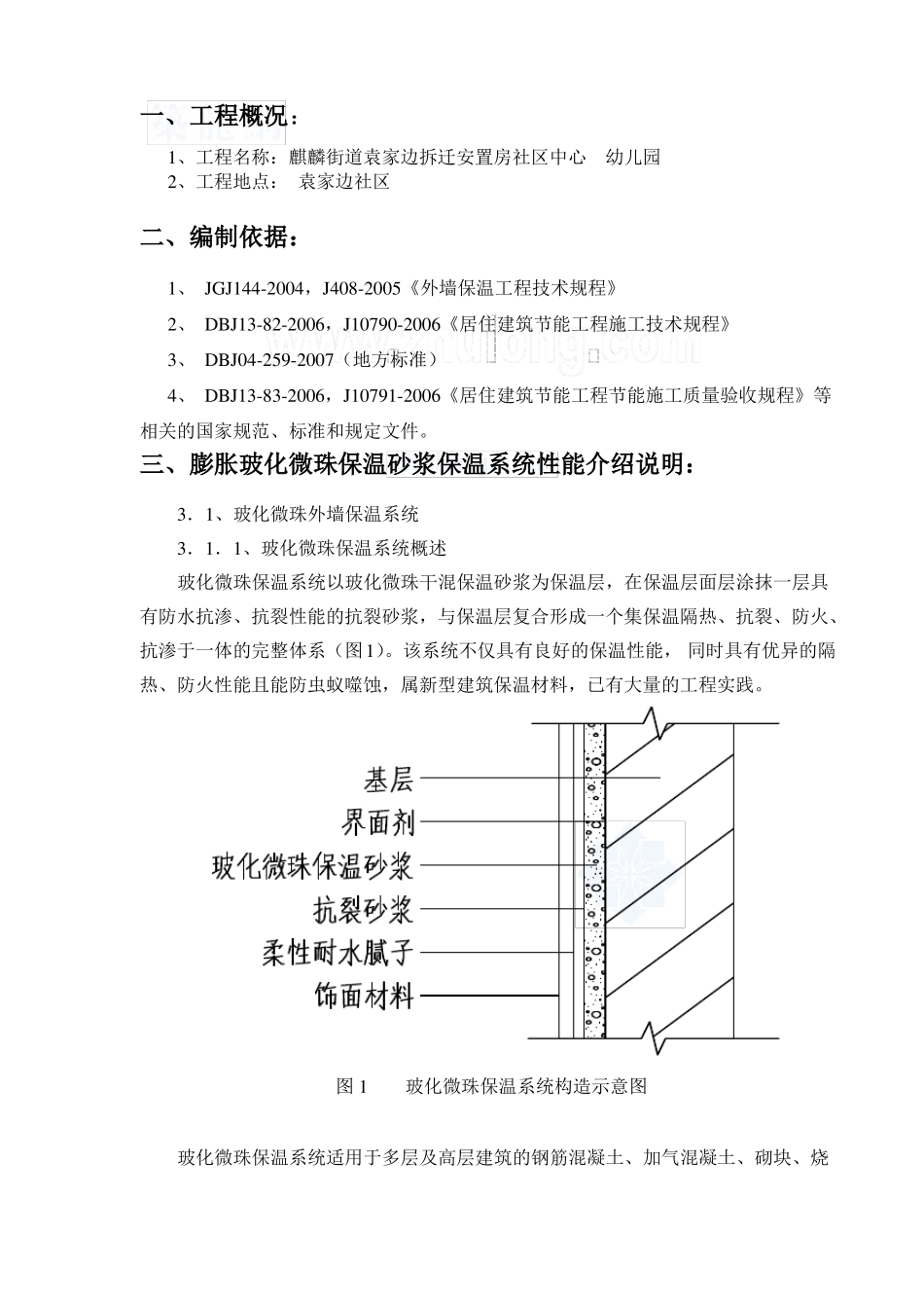
袁家边拆迁安置房社区 幼儿园编制:建筑节能施工方案审核:海通建设集团有限公司2012 年 12 月 10 日审批:施工组织设计(施工方案)报审表施表 7 .1工程名称编制单位施工单位主编编制人工程项目部/专业分包施工单位(盖章)技术负责人审核单位总承包单位审核意见:年月日总承包单位(盖章)审核人审批人审查单位监理审查意见:√同意实施□修改后报□重新编制监理审查结论:□专业监理工程师监理单位(盖章)总监理工程师日期:日期:一、工程概况:1、工程名称:麒麟街道袁家边拆迁安置房社区中心幼儿园2、工程地点: 袁家边社区二、编制依据:1、 JGJ144-2004,J408-2005《外墙保温工程技术规程》2、 DBJ13-82-2006,J10790-2006《居住建筑节能工程施工技术规程》3、 DBJ04-259-2007(地方标准)4、 DBJ13-83-2006,J10791-2006《居住建筑节能工程节能施工质量验收规程》等相关的国家规范、标准和规定文件。三、膨胀玻化微珠保温砂浆保温系统性能介绍说明:3.1、玻化微珠外墙保温系统3.1.1、玻化微珠保温系统概述玻化微珠保温系统以玻化微珠干混保温砂浆为保温层,在保温层面层涂抹一层具有防水抗渗、抗裂性能的抗裂砂浆,与保温层复合形成一个集保温隔热、抗裂、防火、抗渗于一体的完整体系(图1)。该系统不仅具有良好的保温性能, 同时具有优异的隔热、防火性能且能防虫蚁噬蚀,属新型建筑保温材料,已有大量的工程实践。图 1玻化微珠保温系统构造示意图玻化微珠保温系统适用于多层及高层建筑的钢筋混凝土、加气混凝土、砌块、烧结砖和非烧结砖等围护墙的内、外保温抹灰工程,以及地下室、车库、楼梯、走廊、消防通道等防火保温工程,也适用旧建筑物的保温改造工程。3.2、玻化微珠保温砂浆研制机理3.2.1、新型保温材料——玻化微珠的特性轻骨料玻化微珠是一种无机物玻璃质矿物材料,是由火山岩粉碎成矿砂,经过特殊膨化烧法加工而成,产品呈不规则球状体颗粒,内部为空腔结构,表面玻化封闭,理化性能稳定,具有质轻、隔热防火、耐高低温、抗老化、吸水率小等优良特性。可替代粉煤灰漂珠、玻璃漂珠、普通膨胀珍珠岩、聚苯颗粒等诸多传统轻质骨料在不同制品中的应用,是一种环保型高性能无机轻质绝热材料。玻化微珠的物理性能见表 1。表 1玻化微珠物理性能项目粒度(㎜)容重(kg/M3)导热系数(W/M*K)漂浮率(%)表面玻化率(%)吸水率(真空抽滤法测定,%)1Mpa 压力的体积损失率(%)耐火度(℃)使用温度(℃)性能0.5~1.580~...

1、当您付费下载文档后,您只拥有了使用权限,并不意味着购买了版权,文档只能用于自身使用,不得用于其他商业用途(如 [转卖]进行直接盈利或[编辑后售卖]进行间接盈利)。
2、本站所有内容均由合作方或网友上传,本站不对文档的完整性、权威性及其观点立场正确性做任何保证或承诺!文档内容仅供研究参考,付费前请自行鉴别。
3、如文档内容存在违规,或者侵犯商业秘密、侵犯著作权等,请点击“违规举报”。

碎片内容

外墙膨胀玻化微珠保温砂浆施工工艺-secret

您可能关注的文档

确认删除?
VIP
微信客服
  • 扫码咨询
会员Q群
  • 会员专属群点击这里加入QQ群
客服邮箱
回到顶部