电脑桌面
添加小米粒文库到电脑桌面
安装后可以在桌面快捷访问

20米空心板计算书

20米空心板计算书_第1页
1/29
20米空心板计算书_第2页
2/29
20米空心板计算书_第3页
3/29
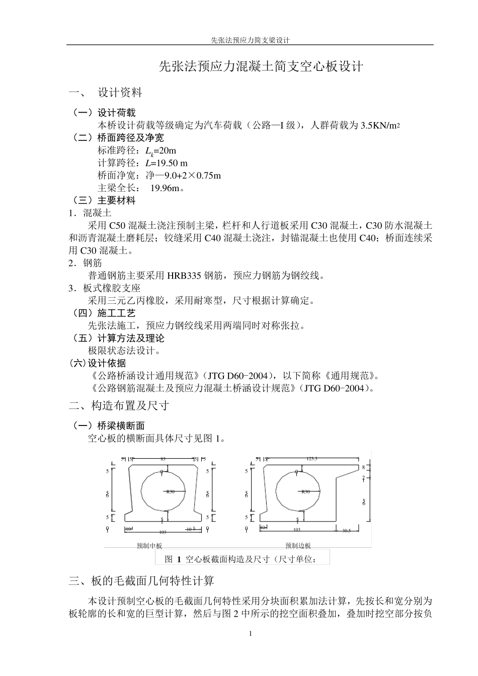
先张法预应力简支梁设计 1 先张法预应力混凝土简支空心板设计 一、 设计资料 (一)设计荷载 本桥设计荷载等级确定为汽车荷载(公路—I 级),人群荷载为3.5KN/m 2 (二)桥面跨径及净宽 标准跨径:Lk=20m 计算跨径:L=19.50 m 桥面净宽:净—9.0+2×0.75m 主梁全长: 19.96m 。 (三)主要材料 1.混凝土 采用 C50 混凝土浇注预制主梁,栏杆和人行道板采用 C30 混凝土,C30 防水混凝土和沥青混凝土磨耗层;铰缝采用 C40 混凝土浇注,封锚混凝土也使用 C40;桥面连续采用 C30 混凝土。 2.钢筋 普通钢筋主要采用 HRB335 钢筋,预应力钢筋为钢绞线。 3.板式橡胶支座 采用三元乙丙橡胶,采用耐寒型,尺寸根据计算确定。 (四)施工工艺 先张法施工,预应力钢绞线采用两端同时对称张拉。 (五)计算方法及理论 极限状态法设计。 (六)设计依据 《公路桥涵设计通用规范》(JTG D60-2004),以下简称《通用规范》。 《公路钢筋混凝土及预应力混凝土桥涵设计规范》(JTG D60-2004)。 二、构造布置及尺寸 (一)桥梁横断面 空心板的横断面具体尺寸见图1。 三、板的毛截面几何特性计算 本设计预制空心板的毛截面几何特性采用分块面积累加法计算,先按长和宽分别为板轮廓的长和宽的巨型计算,然后与图2 中所示的挖空面积叠加,叠加时挖空部 分按负预制中板101010315R30105101056565预制边 板30.510315R3065551083555555123.510128105655 图 1 空心板截面构造及尺寸(尺寸单 位 :先张法预应力简支梁设计 2 面积计算,最后再用Au toCAD 计算校核,计算成果以中板为例,如表1。 预制中板的截面几何特性挖空部分以后得到的截面,其几何特性用下列公式计算: 毛截面面积: kiicAAA 对截面上缘面积矩: )(kikiiicyAyAS 重心至截面上缘的距离: ccsASy  毛截面对自身重心轴的惯性矩:kiicIII 表1 预制中板的毛截面积几何特性 分块号 Ai(cm2) Yi(cm) Si(cm3) I1(cm4) Di(cm) I1'=Ai*Di^2(cm4) Ii=I1+I1'(cm4) 1 -25 1.67 -41.68 -34.72 -42.90 -46013.24 -46047.96 2 -700 35.00 -24500.00 -285833.34 -9.57 -64087.94 -349921.28 3 -325 48.33 -15708.23 -76284.72 3.76 -4605.98 -80890.70 4 -50 71.67 -3583.35 -69.44 27.10 -36716.72 -36786.16 5 -2827.43 40.00 -113097.20 -636172.51 -4.57 -59009.14...

1、当您付费下载文档后,您只拥有了使用权限,并不意味着购买了版权,文档只能用于自身使用,不得用于其他商业用途(如 [转卖]进行直接盈利或[编辑后售卖]进行间接盈利)。
2、本站所有内容均由合作方或网友上传,本站不对文档的完整性、权威性及其观点立场正确性做任何保证或承诺!文档内容仅供研究参考,付费前请自行鉴别。
3、如文档内容存在违规,或者侵犯商业秘密、侵犯著作权等,请点击“违规举报”。

碎片内容

20米空心板计算书

您可能关注的文档

小辰9+ 关注
实名认证
内容提供者

出售各种资料和文档

相关文档

确认删除?
VIP
微信客服
  • 扫码咨询
会员Q群
  • 会员专属群点击这里加入QQ群
客服邮箱
回到顶部