电脑桌面
添加小米粒文库到电脑桌面
安装后可以在桌面快捷访问

220t锅炉布袋除尘设计方案

220t锅炉布袋除尘设计方案_第1页
1/13
220t锅炉布袋除尘设计方案_第2页
2/13
220t锅炉布袋除尘设计方案_第3页
3/13
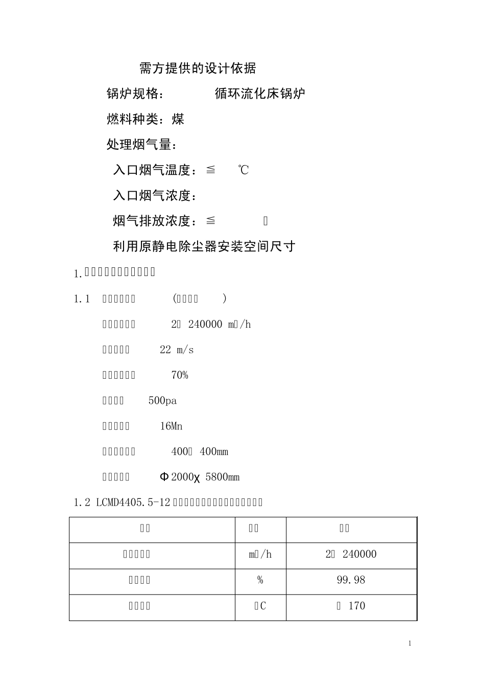
220t/h 循环流化床锅炉配套布袋除尘系统 设 计 方 案 1 需方提供的设计依据 锅炉规格:220t/h循环流化床锅炉 燃料种类:煤 处理烟气量:480000 m3/h 入口烟气温度:≦170℃ 入口烟气浓度:48g/m3 烟气排放浓度:≦50mg/m3³ 利用原静电除尘器安装空间尺寸 1.供货设备技术参数及保证 1.1 前置预除尘器(并联二台) 处理烟气量:2× 240000 m³/h 入口风速:22 m/s 除尘效率:<70% 阻力:<500pa 筒体材质:16Mn 卸灰口尺寸:400× 400mm 外形尺寸:Φ 2000χ 5800mm 1.2 LCMD4405.5-12 型低压长袋脉冲除尘器(并联二台) 项目 单位 数据 处理烟气量 m³/h 2× 240000 设计效率 % 99.98 入口温度 ºC ≤ 170 2 入口粉尘浓度 g/Nm³ 48 保证效率 % ≥ 99.9 出口粉尘浓度 Mg/Nm³ < 50 平均阻力 Pa 1200-1500 每台除尘器室数 个 2× 12 总过滤面积 M²/台 8811 过滤风速 M/min 0.9-1.0(最大风量时) 滤袋材质 PPS 滤袋规格 mm Φ 160χ 5800 滤袋允许连续使用温度 ºC 125-170 滤袋允许最高使用温度及允许时间 ºC/h 190/0.5 袋笼规格 mm Φ 155χ 5750 袋笼材质 20﹟(含文氏管) 袋笼防腐处理工艺 有机硅喷涂 袋笼固定及密封方式 弹性涨圈 电磁脉冲阀型式及规格 mm 淹没式 DN76 喷吹气源压力 Mpa 0.15-0.30 气源品质 水分:<5mg/Nm³ 油: < 10 mg/Nm³ 固体粒:<5 微米 3 机械开阀时间 ms < 150 耗气量 M³/min 8.0 每台除尘器灰斗数 个 12 灰斗卸料接口尺寸 mm 400χ 400 保温层和保护层材料 岩棉+彩钢板 保温层和保护层厚度 mm/mm 50/0.5 除尘器支架 钢支架 灰斗卸料高度 mm 3500(气力输灰) 设备重量 t 约 345 外形尺寸(长×宽×高) mm 14250× 19000× 17900 1.3 除尘器在下列情况同时存在时,仍可达到设计参数。 进口烟气量浓度:+5g/Nm³ 进口烟气含量: +10% 进口烟气温度: +10ºC 滤袋破损率: < 3% 1. 4 在燃烧方式及烟尘特性在一定范围内变化时,保证除尘器的各种性能指标不降低。 1.5 滤袋寿命保证(材质PPS, 正常使用条件下): 燃煤锅炉≦30000h;生物质秸秆锅炉≦10000h。 2.除尘系统供货设备必须具有以下功能 2.1 本除尘系统设有前置预除尘器,以减少布袋除尘器负荷并进一步冷却降低烟气温度。 4 2.2 布袋除尘器采用离线清灰方式 2.3 清...

1、当您付费下载文档后,您只拥有了使用权限,并不意味着购买了版权,文档只能用于自身使用,不得用于其他商业用途(如 [转卖]进行直接盈利或[编辑后售卖]进行间接盈利)。
2、本站所有内容均由合作方或网友上传,本站不对文档的完整性、权威性及其观点立场正确性做任何保证或承诺!文档内容仅供研究参考,付费前请自行鉴别。
3、如文档内容存在违规,或者侵犯商业秘密、侵犯著作权等,请点击“违规举报”。

碎片内容

220t锅炉布袋除尘设计方案

确认删除?
VIP
微信客服
  • 扫码咨询
会员Q群
  • 会员专属群点击这里加入QQ群
客服邮箱
回到顶部