电脑桌面
添加小米粒文库到电脑桌面
安装后可以在桌面快捷访问

2双肢钢管格构柱标准制作工艺

2双肢钢管格构柱标准制作工艺_第1页
1/15
2双肢钢管格构柱标准制作工艺_第2页
2/15
2双肢钢管格构柱标准制作工艺_第3页
3/15
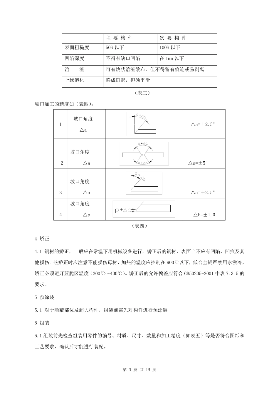
第 1 页 共 1 5 页 目 录 1、排版 ...................................................................................................... 2 2、下料 ...................................................................................................... 2 3、切割 ...................................................................................................... 2 4、矫正 ...................................................................................................... 3 5、预涂装 .................................................................................................. 3 6、组装 ...................................................................................................... 3 7、定位焊 .................................................................................................. 4 8、焊接前 .................................................................................................. 5 9、焊接中 .................................................................................................. 5 10、焊接后 .............................................................................................. 1 3 11、无损检查 .......................................................................................... 1 3 12、焊接返修 .......................................................................................... 1 3 13、制孔 .................................................................................................. 1 4 14、端部处理 .......................................................................................... 1 4 15、构件标识 .......................................................................................... 1 4 16、安全技术措施 .................................................................................. 1 4 第 2 页 共 1 5 页 双 肢 钢 管 格 构 柱 标 准 制 作 工 艺 1 排 版 排 版 中 应 注 意 焊 缝 位 置 避 开 孔 群...

1、当您付费下载文档后,您只拥有了使用权限,并不意味着购买了版权,文档只能用于自身使用,不得用于其他商业用途(如 [转卖]进行直接盈利或[编辑后售卖]进行间接盈利)。
2、本站所有内容均由合作方或网友上传,本站不对文档的完整性、权威性及其观点立场正确性做任何保证或承诺!文档内容仅供研究参考,付费前请自行鉴别。
3、如文档内容存在违规,或者侵犯商业秘密、侵犯著作权等,请点击“违规举报”。

碎片内容

2双肢钢管格构柱标准制作工艺

您可能关注的文档

确认删除?
VIP
微信客服
  • 扫码咨询
会员Q群
  • 会员专属群点击这里加入QQ群
客服邮箱
回到顶部