电脑桌面
添加小米粒文库到电脑桌面
安装后可以在桌面快捷访问

3预应力锚索张拉计算书(T22)5.16

3预应力锚索张拉计算书(T22)5.16_第1页
1/14
3预应力锚索张拉计算书(T22)5.16_第2页
2/14
3预应力锚索张拉计算书(T22)5.16_第3页
3/14
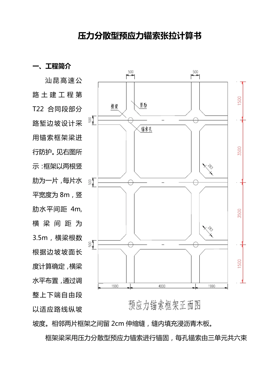
压 力 分 散 型 预 应 力 锚 索 张 拉 计 算 书 一 、工程简介 汕 昆 高 速 公路土建工程第T22 合 同 段 部 分路 堑 边 坡 设 计 采用 锚 索 框 架 梁 进行 防 护 。见右图所示:框 架 以两根竖肋为一片,每片水平宽度为 8m,竖肋水平间距 4m, 横 梁间 距 为3.5m,横梁 根数根据边 坡 坡 面长度计 算确定,横梁水平布置,通过调整上下端自由段以适应路 线纵坡坡 度。相邻两片框 架 之间留 2cm 伸缩缝,缝内填充浸沥青木板。 框 架 梁 采 用 压力分 散型预应力锚 索 进 行 锚 固,每孔锚 索 由三单元共六束钢 绞 线 组 成 , 钢 绞 线 采 用 直 径 15.24mm、强度 1860MPa 的高强度低松弛无粘结钢 绞 线 。每个单元锚索分别由两根无粘结钢 绞 线 内锚于钢 质承载体组 成 。钢 绞 线 通过特制的挤压簧(类似于夹片功能)和挤压套(类似于锚环功能)对称地锚固于钢 质承载体上, 其单根的连接强度大于 200KN。各单元锚索的固 定 长 度 分 别 为 L1 、 L2 、 L3 , 共 同 组 成 复 合 型 锚 索 的 锚 固 段 , 且L1=L2=L3=5m。为叙述及计算方便, 命名对应锚固长度的单元为 D1、D2、D3 单元, 其对应锚索长度为 l1、l2、l3, 且 l1>l2>l3。详见下图所示: 注:为计算方便, 上图中 L1 和 L3 标注与设计图纸标注位置相反, 现场施工时需注意。 上图中, 自由段长度根据边坡级数位置不同而有三种设计长度, 分别为10m、15m 和 20m, 其对应设置位置详见具体的边坡锚索框架防护设计图。 压力分散型锚索与一般拉力分散型锚索不同之处在于, 压力分散型锚索由几个单元组 成 , 各单元间锚索长度及其自由段长度不同, 致使各单元间因自 由 段 长 度 不 同 而 产 生 伸 长 量 不 同 。 因 此 , 在 进 行 整 体 分 级 张 拉 前 , 要 先 计算 各 单 元 间 的 差 异 伸 长 量 和 差 异 荷 载 增 量 , 并 先 进 行 补 足 荷 载 张 拉 及 预 张 拉 。 二 、差 异 荷 载 增 量 、差 异 伸 长 量 和 理 论 伸 长 量 计 算 1、计 算 公 式 因 压 力 分 散 型 锚 索 各 单 元 长 度 长 短 不 一 , 故 必 须 先 计 算 相 邻 两 单 元 之 间的 差 异 伸 长 量 和 ...

1、当您付费下载文档后,您只拥有了使用权限,并不意味着购买了版权,文档只能用于自身使用,不得用于其他商业用途(如 [转卖]进行直接盈利或[编辑后售卖]进行间接盈利)。
2、本站所有内容均由合作方或网友上传,本站不对文档的完整性、权威性及其观点立场正确性做任何保证或承诺!文档内容仅供研究参考,付费前请自行鉴别。
3、如文档内容存在违规,或者侵犯商业秘密、侵犯著作权等,请点击“违规举报”。

碎片内容

3预应力锚索张拉计算书(T22)5.16

您可能关注的文档

小辰6+ 关注
实名认证
内容提供者

出售各种资料和文档

相关文档

确认删除?
VIP
微信客服
  • 扫码咨询
会员Q群
  • 会员专属群点击这里加入QQ群
客服邮箱
回到顶部